EasyManua.ls Logo

Liebert CBH 017 - Circuits

Liebert CBH 017
32 pages
Print Icon
To Next Page IconTo Next Page
To Next Page IconTo Next Page
To Previous Page IconTo Previous Page
To Previous Page IconTo Previous Page
Loading...
23
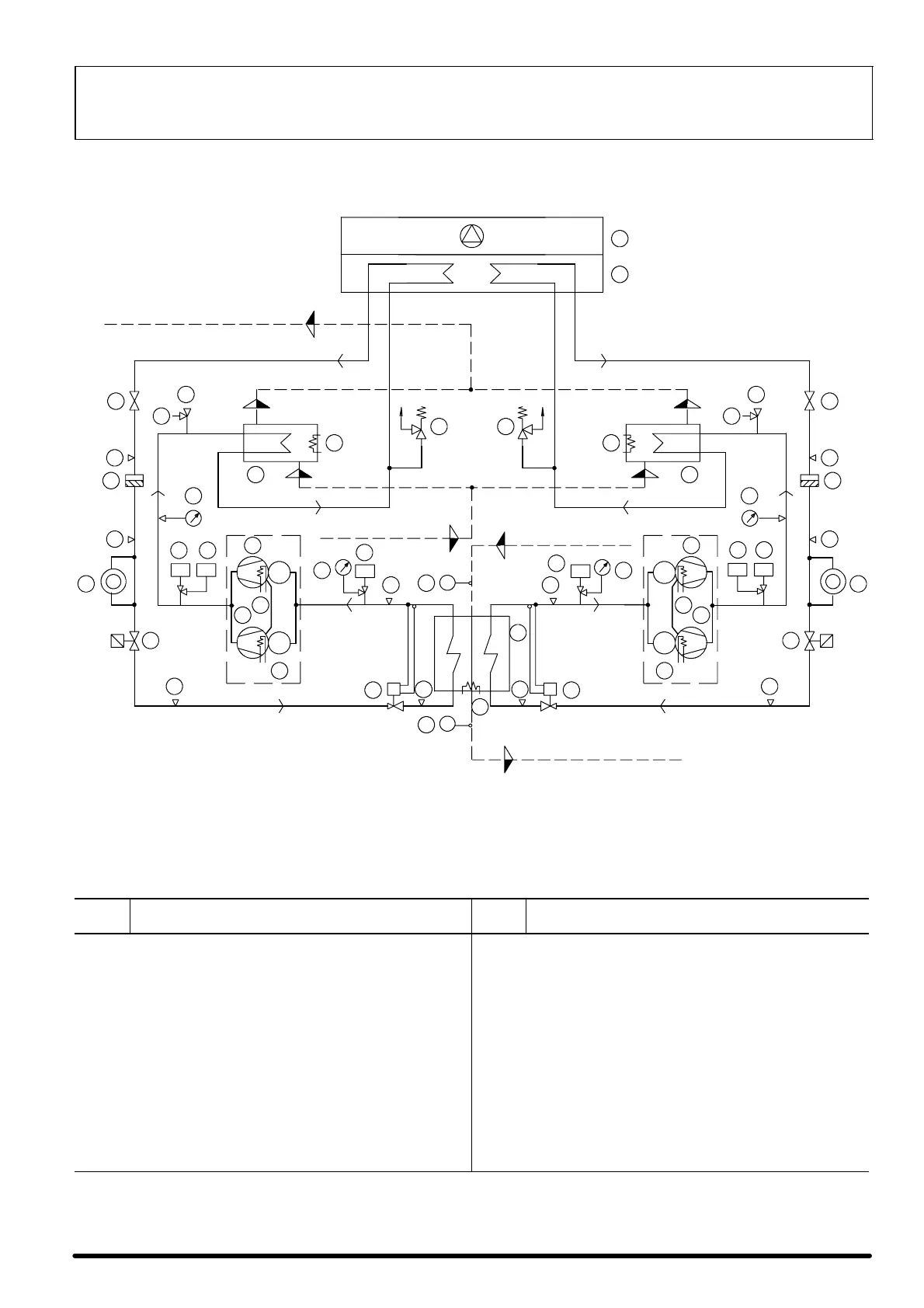
Fig. 8 --- R e frigerant circuit (std.) with partial recovery (opt.)
CBH/CLH / SBH/SLH 017---020---023---025---028---030---032
CQH/SQH 017---020---023---025---028---030
HEAT RECOVERY WATER OUTLET
2” GAS MALE (OPT.)
CHILLED WATER INLET
3” VICTAULIC COUPLING
CHILLED WATER OUTLET
3” VICTAULIC COUPLING
HEAT RECOVERY WATER INLET
2” GAS MALE (OPT.)
9
MC
8
44
11
44
11
3
66
3
77
2
2
5
MC
MC
MC
FGFG
T
T
2222
10
19
10
19
19
19
1919
19 19
19
19
21 21
1111
1212
1515
17
16
18
20
13 13
14 14
1919
2
2
5
Refrigerant components
Pos.
Item
Description Pos.
Item
Description
1
2
3
4
5
6
7
8
9
10
11
12
13
14
Compressor
High pressure switch (HP)
Low pressure switch (LP)
Crankcase heater
High pressure manometer (Opt.)
Low pressure manometer (Opt.)
Safety valve
Condenser
Fans
Pressure transducer (Opt.onMod.CBH/CLH/CQHwithout
heat recovery)
Shut--- off valve
Filter dryer
Shut--- off solenoid valve
Sight glass
15
16
17
18
19
20
21
22
Thermostatic expa nsion valve
Evaporator
Antifreeze heater (Op t.)
Control temperature sensor
Charge connection
Antifreeze sensor
Partial recovery heat exchanger (Opt.)
Antifreeze heater (Std. with heat recovery)

Related product manuals