EasyManua.ls Logo

Liebert CBH 017 - Page 28

Liebert CBH 017
32 pages
Print Icon
To Next Page IconTo Next Page
To Next Page IconTo Next Page
To Previous Page IconTo Previous Page
To Previous Page IconTo Previous Page
Loading...
25
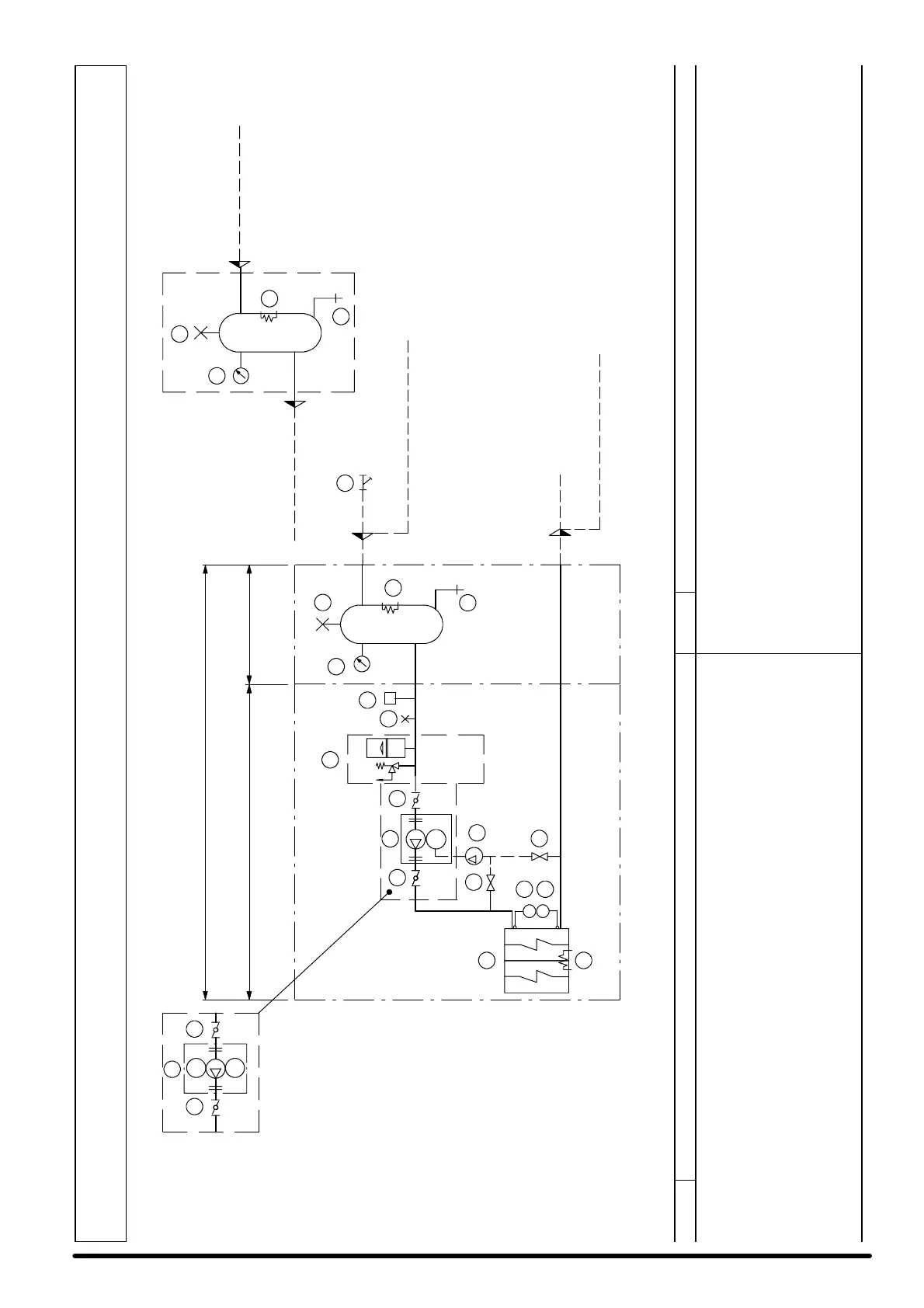
F i g . 1 0 --- H y d r a u l i c c i r c u i t --- C h i l l e r C B H / C L H 0 1 7 --- 0 2 0 --- 0 2 3 --- 0 2 5 --- 0 2 8 --- 0 3 0 --- 0 3 2
Chiller CQH 017---020---023---025---028---030
T
M2
M1
M1
ONLY WITH TWIN
PUMP VERSION
LIEBERT--- HIROSS BASE UNIT
ONLY WITH SINGLE
PUMP VERSION
UNIT FR AME (WITH ASSEMBLED TANK)
UNIT FRAME (WITHOUT TANK) TANK FRAME
ONLY WITH WATER TANK VERSION
ASSEMBLY WITH UNIT
OPTION:
WATER TANK NOT ASSEMBLY
WITH UNIT
W AT E R TA N K I N L E T ---
VICTAULIC
CONNECTION
DN 80 --- 3” --- 88.9 mm
CHILLED WATER INLET
VICTAULIC CONNECTION
DN 80 --- 3” --- 88.9 mm
T
F
10
5
7
5
4
9
13
4
5 5
6
4
9
13
10
3
8
14
11
12
1
2
CHILLED WATER OUTLET
VICTAULIC CONNECTION
DN 80 --- 3” --- 88.9 mm
W AT E R TA N K O U T L E T ---
VICTAULIC
CONNECTION
DN 80 --- 3” --- 88.9 mm
15
15 p
16
Hydraulic components
Item Description Item Description
1
2
3
4
5
6
7
8
9
10
Evaporator
Evaporator antifreeze heater (Opt.)
Filter (Opt.)
Manual air valve
Butterfly valve
Single pump
Twin pump
Expansion tank + Safety valve (Op t.)
Manometer
Discharge valve
11
12
13
14
15
16
Control temperature sensor
Antifreeze temperature sensor
Tank antifreeze heater (Opt.)
Flow switch (Opt. without pumps)
Service valve with cap
Differential trasducer (only with electronic pump)

Related product manuals