EasyManua.ls Logo

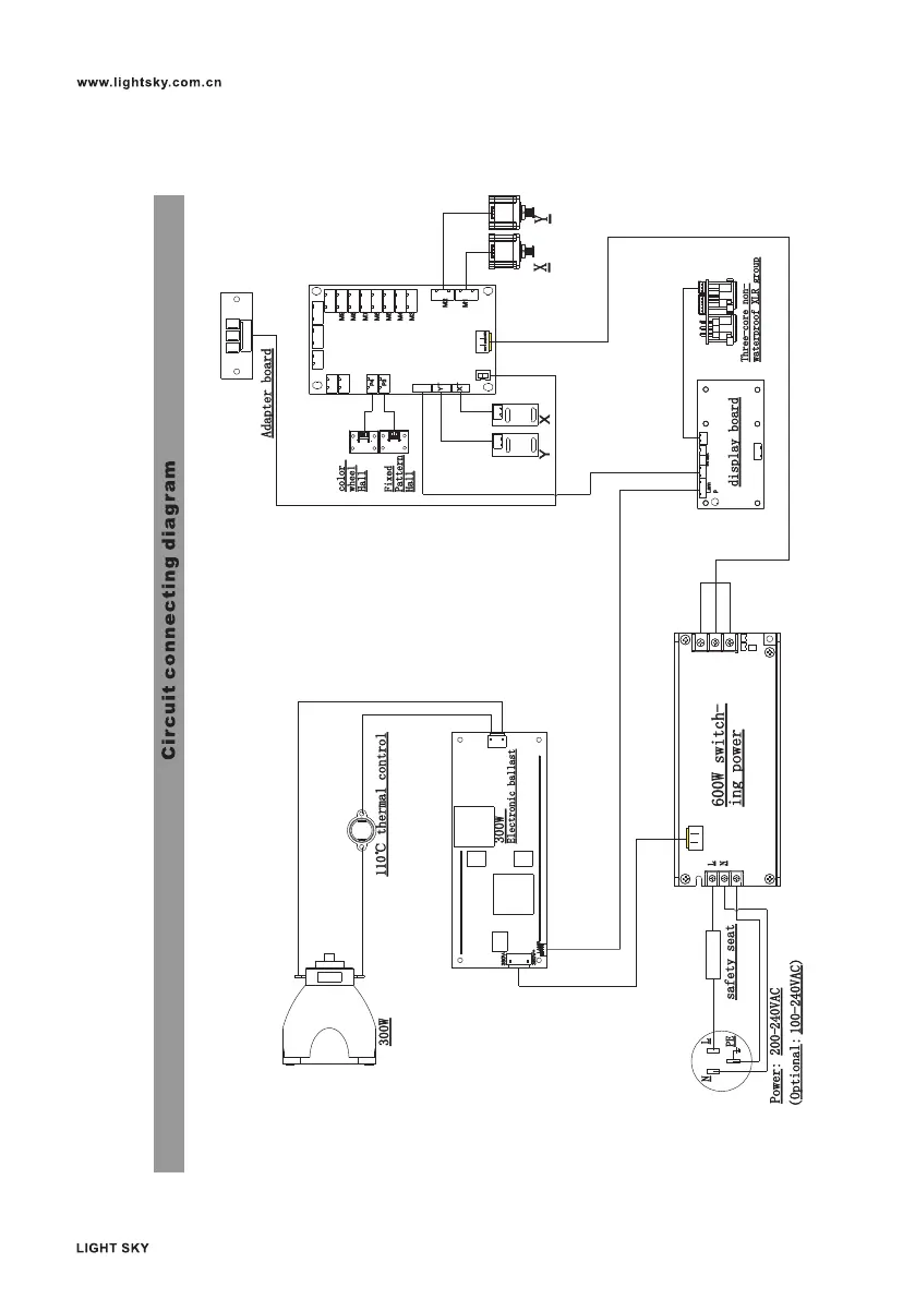
Light Sky MINI LUNAR - 22: 电器连接图

Default Icon
26 pages
Print Icon
To Next Page IconTo Next Page
To Next Page IconTo Next Page
To Previous Page IconTo Previous Page
To Previous Page IconTo Previous Page
Loading...
-21-

Related product manuals