EasyManua.ls Logo

LIVOLTEK Hyper 3000 - Wiring Diagram

LIVOLTEK Hyper 3000
68 pages
Print Icon
To Next Page IconTo Next Page
To Next Page IconTo Next Page
To Previous Page IconTo Previous Page
To Previous Page IconTo Previous Page
Loading...
32
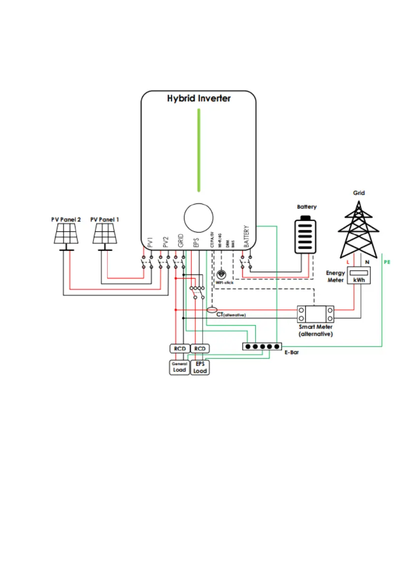
6.1 Wiring Diagram
6.1.1 Wiring Diagram for European

Other manuals for LIVOLTEK Hyper 3000

Related product manuals