EasyManua.ls Logo

Lochinvar SOLUTION 260000 - Primary; Secondary Piping

Lochinvar SOLUTION 260000
52 pages
Print Icon
To Next Page IconTo Next Page
To Next Page IconTo Next Page
To Previous Page IconTo Previous Page
To Previous Page IconTo Previous Page
Loading...
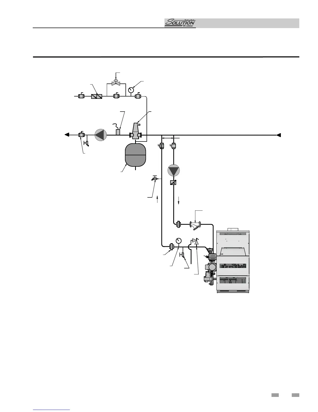
Primary / Secondary Piping
SOLUTION
BOILER
BACKFLOW
PREVENTER
PRESSURE
REDUCING VALVE
PRESSURE
GAUGE
TEMPERATURE / PRESSURE
GAUGE
AIR
SEPARATOR
EXPANSION
TANK
BALL VALVE
(TYPICAL)
UNION
(TYPICAL)
PRESSURE
RELIEF VALVE
DRAIN POINT
(TYPICAL)
MAKE UP WATER
FROM
SYSTEM
12"
NOT TO EXCEED APART
BOILER
CIRCULATOR
SYSTEM
CIRCULATOR
TO
SYSTEM
SYSTEM SUPPLY
SENSOR
DRAIN
Y-STRAINER
(RECOMMENDED)
Figure 4-4_Primary / Secondary Piping of a Single Boiler
4 Water connections (continued)
29
Installation & Service Manual

Table of Contents

Related product manuals