EasyManua.ls Logo

Lochinvar SOLUTION 260000 - 9 Diagrams

Lochinvar SOLUTION 260000
52 pages
Print Icon
To Next Page IconTo Next Page
To Next Page IconTo Next Page
To Previous Page IconTo Previous Page
To Previous Page IconTo Previous Page
Loading...
50
Installation & Service Manual
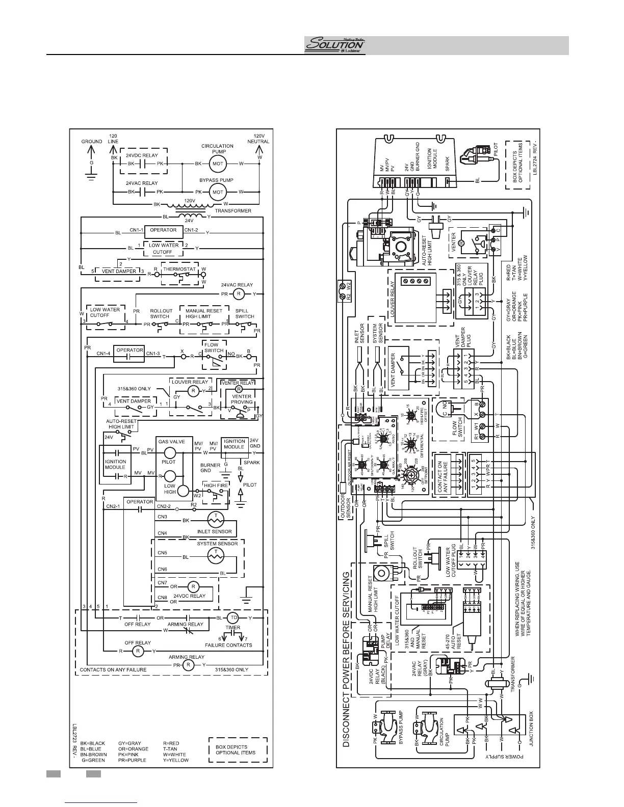
Schematic Diagram - M9 Unit
45,000 - 260,000 Btu/hr Models
Wiring Diagram - M9 Unit
45,000 - 260,000 Btu/hr Models
9 Diagrams

Table of Contents

Related product manuals