EasyManua.ls Logo

Lochinvar SQUIRE SIT030 - Page 10

Lochinvar SQUIRE SIT030
24 pages
Print Icon
To Next Page IconTo Next Page
To Next Page IconTo Next Page
To Previous Page IconTo Previous Page
To Previous Page IconTo Previous Page
Loading...
Installation & Operation Manual
10
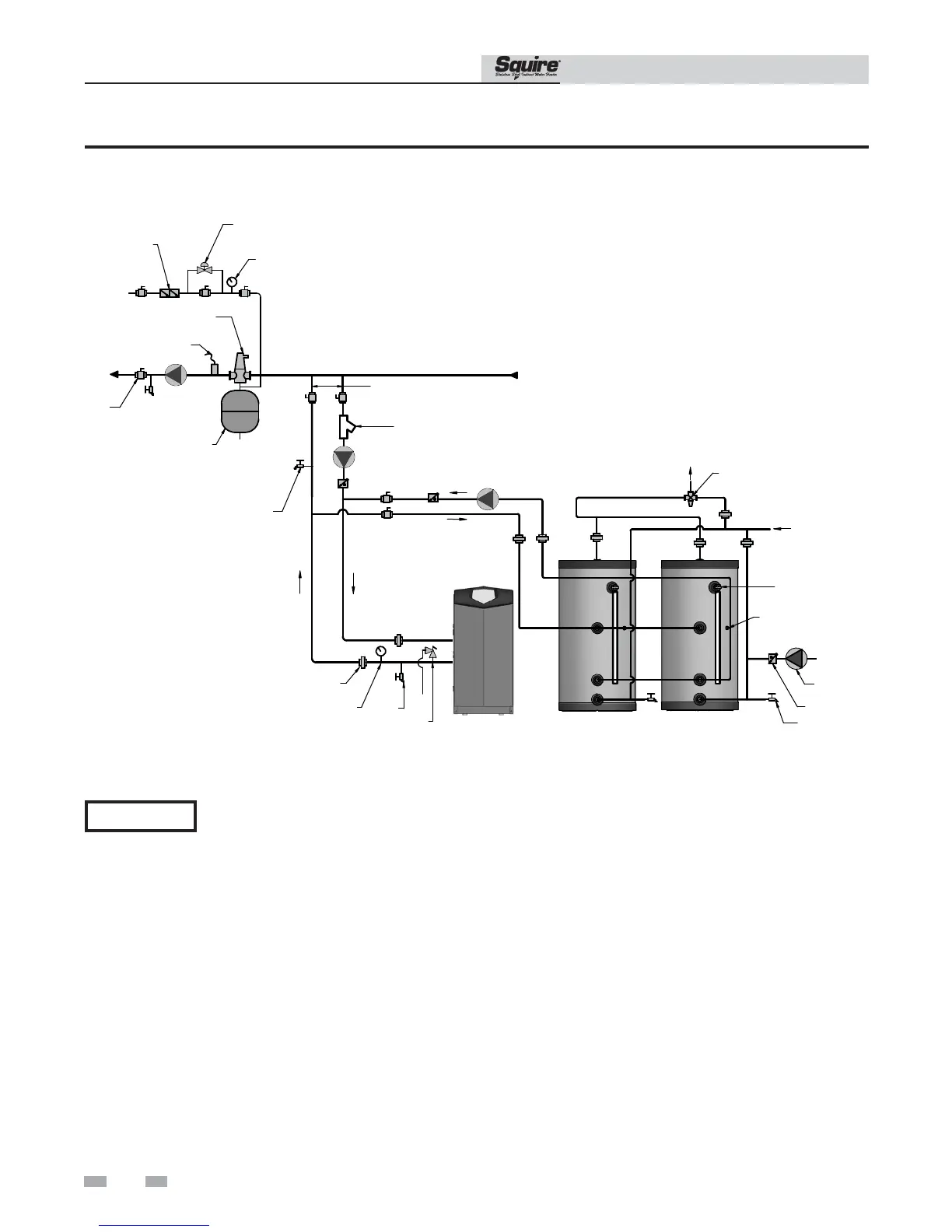
3 Boiler side piping
KNIGHT
BOILER
DOMESTIC
HOT WATER
CIRCULATOR
TEMPERATURE /
PRESSURE
GAUGE
UNION
(TYPICAL)
DRAIN
DRAIN POINT
(TYPICAL)
HOT
WATER
OUT
BOILER
CIRCULATOR
PRESSURE
RELIEF VALVE
Y-STRAINER
(RECOMMENDED)
COLD
WATER
IN
ANTI-SCALD
MIXING VALVE
RECIRCULATION
PUMP
DRAIN
( FIELD SUPPLY )
RELIEF VALVE
(TYPICAL)
TANK SENSOR/AQUASTAT
(TYPICAL)
CHECK VALVE
SQUIRE SQUIRE
BACKFLOW
PREVENTER
PRESSURE
REDUCING VALVE
PRESSURE
GAUGE
AIR
SEPARATOR
EXPANSION
TANK
BALL VALVE
(TYPICAL)
MAKE UP WATER
FROM
SYSTEM
SYSTEM
CIRCULATOR
TO
SYSTEM
SYSTEM SUPPLY
SENSOR
NOT TO EXCEED 4 PIPE DIA.
OR A MAXIMUM OF 12” APART
Figure 3-4 Multiple Tank Connections
Please note that these illustrations are meant to show system piping concept only, the installer is responsible
for all equipment and detailing required by local codes.
NOTICE

Related product manuals