EasyManua.ls Logo

Lochinvar SQUIRE SIT030 - Page 9

Lochinvar SQUIRE SIT030
24 pages
Print Icon
To Next Page IconTo Next Page
To Next Page IconTo Next Page
To Previous Page IconTo Previous Page
To Previous Page IconTo Previous Page
Loading...
Installation & Operation Manual
9
KNIGHT
BOILER
DOMESTIC
HOT WATER
CIRCULATOR
BACKFLOW
PREVENTER
PRESSURE
REDUCING VALVE
PRESSURE
GAUGE
ANTI-SCALD
MIXING VALVE
COLD
WATER
IN
TEMPERATURE /
PRESSURE
GAUGE
AIR
SEPARATOR
EXPANSION
TANK
BALL VALVE
(TYPICAL)
UNION
(TYPICAL)
PRESSURE
RELIEF VALVE
DRAIN POINT
(TYPICAL)
MAKE UP WATER
FROM
SYSTEM
BOILER
CIRCULATOR
SYSTEM
CIRCULATOR
TO
SYSTEM
SYSTEM SUPPLY
SENSOR
DRAIN
DRAIN
( FIELD SUPPLY )
RECIRCULATION
PUMP
TANK SENSOR/
AQUASTAT
Y-STRAINER
(RECOMMENDED)
HOT
WATER
OUT
CHECK VALVE
SQUIRE
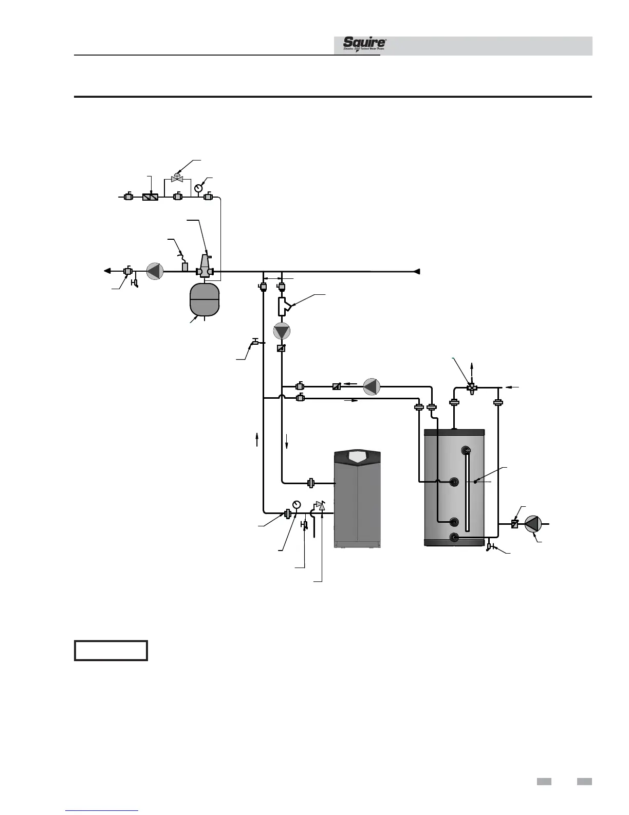
Figure 3-3 Knight Boiler Primary / Secondary Piping
Please note that these illustrations are meant to show system piping concept only, the installer is responsible
for all equipment and detailing required by local codes.
NOTICE
3 Boiler side piping (continued)

Related product manuals