EasyManua.ls Logo

Lochinvar SQUIRE SIT030 - Page 8

Lochinvar SQUIRE SIT030
24 pages
Print Icon
To Next Page IconTo Next Page
To Next Page IconTo Next Page
To Previous Page IconTo Previous Page
To Previous Page IconTo Previous Page
Loading...
8
Installation & Operation Manual
SOLUTION
BOILER
ANTI-SCALD
MIXING VALVE
COLD
WATER
IN
TEMPERATURE /
PRESSURE
GAUGE
AIR SEPARATOR
BALL VALVE
(TYPICAL)
UNION
(TYPICAL)
PRESSURE
RELIEF VALVE
DRAIN POINT
(TYPICAL)
MAKE UP WATER
HOT
WATER
OUT
BOILER
CIRCULATOR
BACKFLOW
PREVENTER
PRESSURE
REDUCING VALVE
PRESSURE
GAUGE
EXPANSION
TANK
ZONE VALVES
(TYPICAL)
DIFFERENTIAL
PRESSURE BYPASS
VALVE (IF USED)SYSTEM
CIRCULATOR
SYSTEM SUPPLY
SENSOR
(WHEN USED)
NOT TO EXCEED 4 PIPE DIA.
OR A MAXIMUM OF 12" APART
TANK SENSOR/
AQUASTAT
RELIEF VALVE
Y-STRAINER
DRAIN
( FIELD SUPPLY )
RECIRCULATION
PUMP
CHECK VALVE
DRAIN
SQUIRE
ZONE #1
ZONE #4
ZONE #3
ZONE #2
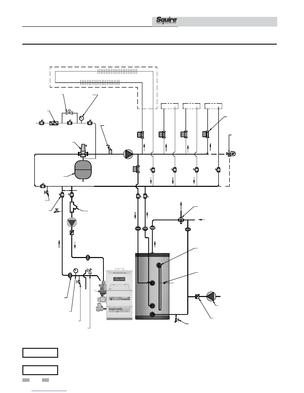
Figure 3-2 Piping Diagram Zoned with Valves
Please note that these illustrations are meant to show system piping concept only, the installer is responsible
for all equipment and detailing required by local codes.
NOTICE
3 Boiler side piping
NOTICE
Please note that the installer is responsible for ensuring DHW prioritization when piped as a zone.

Related product manuals