EasyManua.ls Logo

Loewe Connect 22 SL - Interface Connections (USB, CI)

Loewe Connect 22 SL
88 pages
Print Icon
To Next Page IconTo Next Page
To Next Page IconTo Next Page
To Previous Page IconTo Previous Page
To Previous Page IconTo Previous Page
Loading...
25
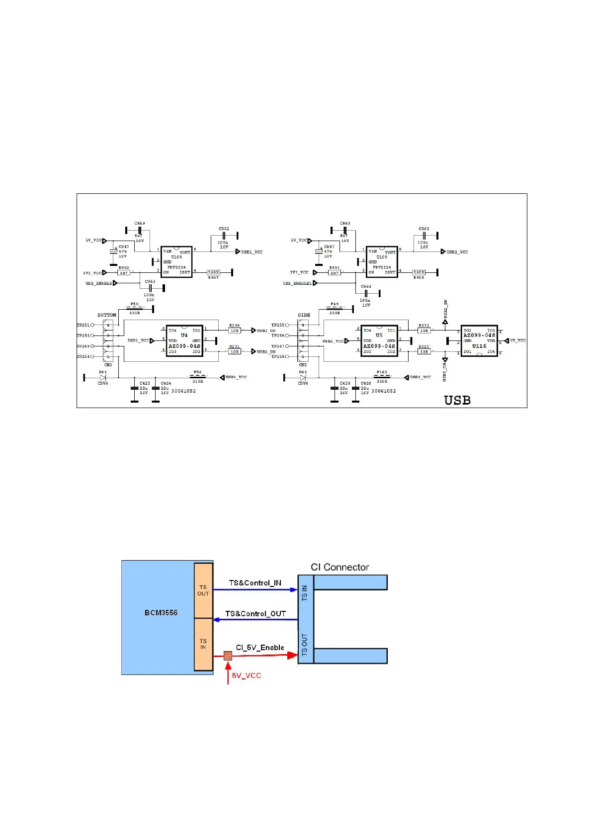
USB Interface
USB ports are directly connected concept IC, BCM 3556.
USB circuit has 2 main parts ESD Protection IC (U4 and U5) and Over Current Protection IC
(U108 and U109)
CI Interface
MB180 Digital CI ve Smart Card Interface Block diagram:
TECHNISCHER KUNDENDIENST
12 CI Interface
MB180 Digital CI ve Smart Card Interface Block diagram:
13 DVB-T / T2 / C Demodulator (CXD2820R)#
The Sony CXD2820R is a combined DVB-T2, DVB-T and DVB-C demodulator that
conforms to the ETSI EN 302-755 (second generation Terrestrial) ETSI EN 300-744
(Terrestrial) and ETSI EN 300-429 (Cable) standards.
The CXD2820R is a DVB-T2 demodulator offering class-leading performance,
optimised
BOM requiring no external memory and low processor overhead. It includes a highly
integrated dual-core DVB-T and DVB-C demodulator which complies with all relevant
European performance standards.
Loewe Opta GmbH
96317 Kronach, Industriestr. 11
Telefon (0 92 61) 99-0
Telefax (0 92 61) 99-730
e-mail: hotel-service@loewe.de
www.loewe.de
Seite 14 von 24 Stand: 26.01.2012
35
14. USB Interface
USB ports are directly connected concept IC, BCM 3556.
USB circuit has 2 main parts:
ESD Protection IC (U4 and U5)
Over Current Protection IC (U108 and U109)