EasyManua.ls Logo

Logosol LS-231SE - Page 11

Logosol LS-231SE
51 pages
Print Icon
To Next Page IconTo Next Page
To Next Page IconTo Next Page
To Previous Page IconTo Previous Page
To Previous Page IconTo Previous Page
Loading...
Logosol Multifunctional Servo Drive LS-231SE
Doc # 712231004 / Rev. A, 05/05/2011
Logosol, Inc. 1155 Tasman Drive Sunnyvale, CA 94089 Tel: (408) 744-0974 www.logosolinc.com
11
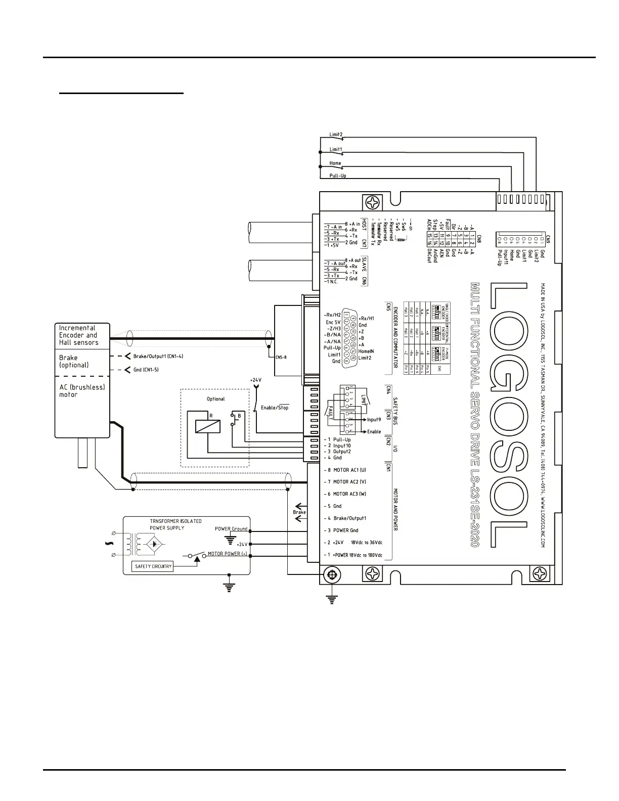
SAMPLE APPLICATION
using AC (brushless) motor in LDCN mode
Home switch and limit switches are connected to CN8.
NETWORK HOST
NETWORK SLAVE