EasyManua.ls Logo

Logosol LS-231SE - Page 10

Logosol LS-231SE
51 pages
Print Icon
To Next Page IconTo Next Page
To Next Page IconTo Next Page
To Previous Page IconTo Previous Page
To Previous Page IconTo Previous Page
Loading...
Logosol Multifunctional Servo Drive LS-231SE
Doc # 712231004 / Rev. A, 05/05/2011
Logosol, Inc. 1155 Tasman Drive Sunnyvale, CA 94089 Tel: (408) 744-0974 www.logosolinc.com
10
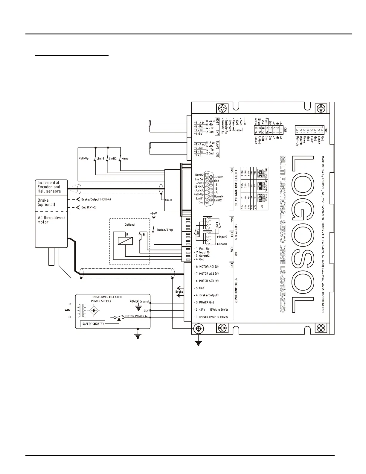
SAMPLE APPLICATION
using AC (brushless) motor in LDCN mode
Home switch and limit switches are connected to CN5.
NETWORK HOST
NETWORK SLAVE