EasyManua.ls Logo

Logosol LS-231SE - Page 16

Logosol LS-231SE
51 pages
Print Icon
To Next Page IconTo Next Page
To Next Page IconTo Next Page
To Previous Page IconTo Previous Page
To Previous Page IconTo Previous Page
Loading...
Logosol Multifunctional Servo Drive LS-231SE
Doc # 712231004 / Rev. A, 05/05/2011
Logosol, Inc. 1155 Tasman Drive Sunnyvale, CA 94089 Tel: (408) 744-0974 www.logosolinc.com
16
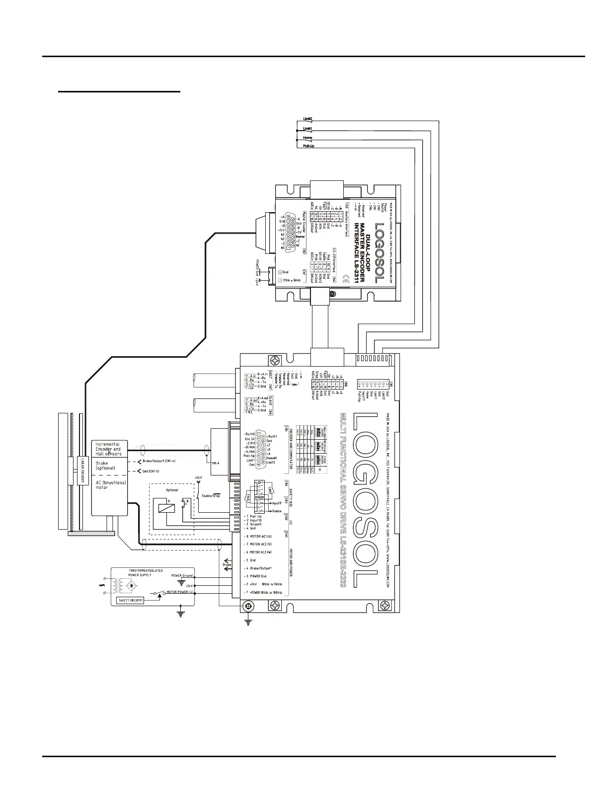
SAMPLE APPLICATION
LDCN Dual-Loop mode using AC (brushless) motor
Home switch and limit switches are connected to CN5.
CN5-8
NETWORK HOST
Enable/Stop
+24V
BR
NETWORK SLAVE
Optional
Incremental
Encoder
Brake/Output1 (CN1-4)
Brake
(optional)
Gnd (CN1-5)
AC (brushless)
motor
CN9
Limit2
Home
Limit1
Pull-Up