EasyManua.ls Logo

Logosol LS-231SE - Page 18

Logosol LS-231SE
51 pages
Print Icon
To Next Page IconTo Next Page
To Next Page IconTo Next Page
To Previous Page IconTo Previous Page
To Previous Page IconTo Previous Page
Loading...
Logosol Multifunctional Servo Drive LS-231SE
Doc # 712231004 / Rev. A, 05/05/2011
Logosol, Inc. 1155 Tasman Drive Sunnyvale, CA 94089 Tel: (408) 744-0974 www.logosolinc.com
18
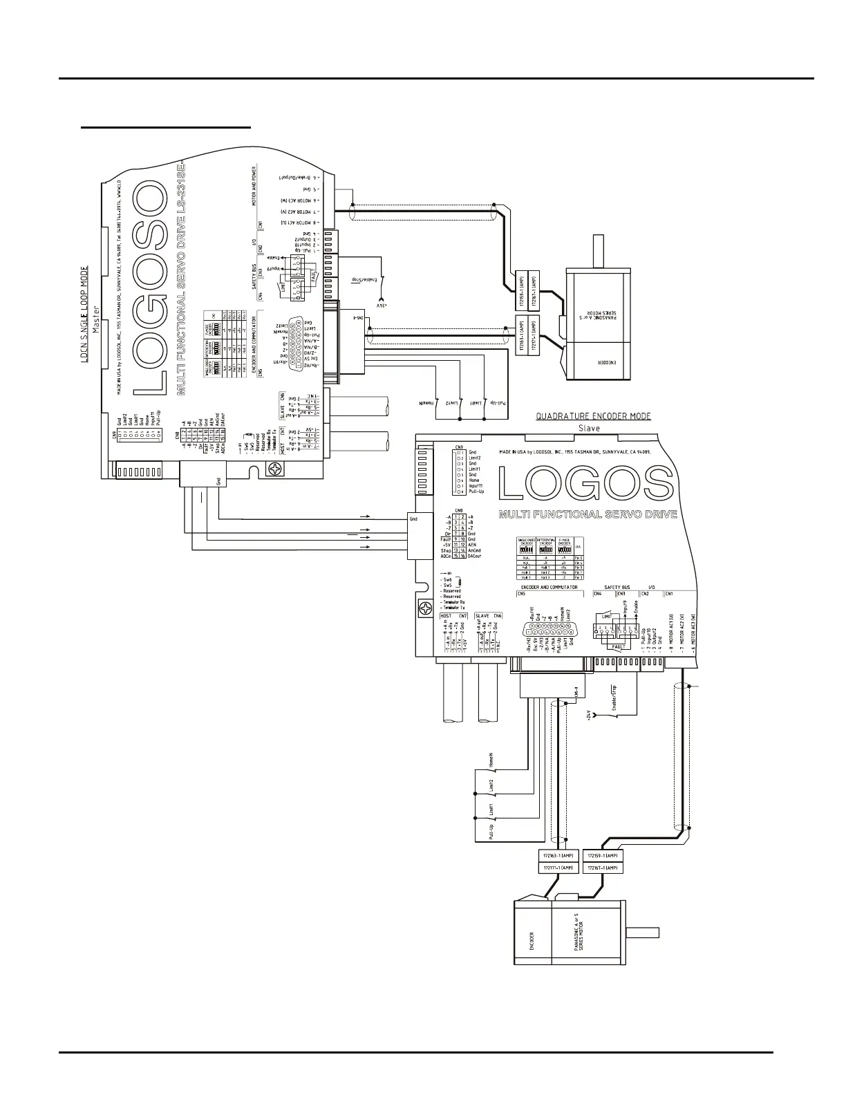
SAMPLE APPLICATION
- LDCN mode using Master and Slave motors
NETWORK HOST
NETWORK SLAVE
NETWORK HOST
NETWORK SLAVE
CN8.2 +A
CN8.4 +B
CN8.9 Fault
CN8.8 GND
CN8.7 DIR
CN8.8 GND
CN8.12 AEN
CN8.13 STEP
CN8.4 +B
CN8.2 +A
CN8.8 GND
CN8.9 Fault