EasyManua.ls Logo

LORCH MicorMIG 300 - Page 45

LORCH MicorMIG 300
68 pages
Print Icon
To Next Page IconTo Next Page
To Next Page IconTo Next Page
To Previous Page IconTo Previous Page
To Previous Page IconTo Previous Page
Loading...
page 45
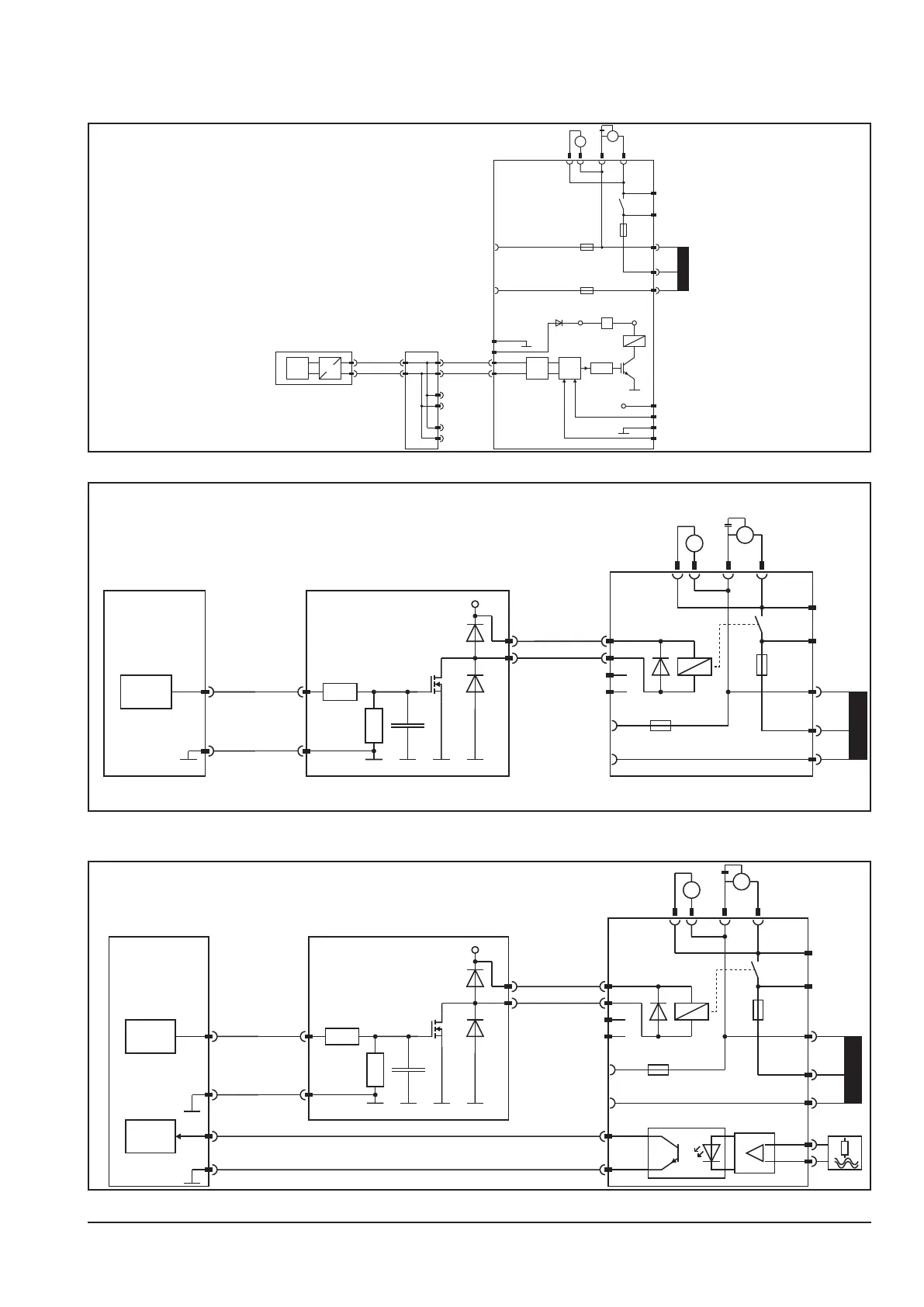
Control of the water cooling unit
Connection diagram water cooling unit SF18/SF23
400
230
0
X2
X3
400V
400V
RE1
X10-6
X10-2
X10-3
X10-5
X10-1
Si5
1A
Si6
1A
Si4
2.5A
X4X5
P
M
X9-2
X9-1
+5V+24V
uP
RE1
X7-1
X7-2
X7-3
X7-4
CAN
gnd
SF18
X1-1
X1-2
X1-3
X1-4
+5V
DRVMAPRO
DSP CAN
X8-3
X8-4
X2-7
X2-8
X6-3
X6-4
X7-3
X7-4
X11-3
X11-4
Connection diagram water cooling unit SF24
+24V
X19-3 RE1
X19-4
X3-12
X3-9X1-9
X1-12
FPGA
X7-3
X7-4
400
230
0
X2
X3
400V
400V
RE1
X10-6
X10-2
X10-3
X10-5
X10-1
Si2 1A
Si1
2.5A
X4X5
P
M
X9-2
X9-1
MAPRO DRV
SF24
Connection diagram water cooling unit SF27
+24V
X19-3 RE1
X19-4
X3-12
X3-9X1-9
X1-12
FPGA
X7-3
X7-4
400
230
0
X2
X3
400V
400V
RE1
X10-6
X10-2
X10-3
X10-5
X10-1
Si2 1A
Si1
2.5A
X4X5
P
M
X9-2
X9-1
MAPRO DRV
SF27
X6-1
X6-2
X8-1
X8-3
X6-2
X6-1
DSP

Related product manuals