EasyManua.ls Logo

LORCH MicorMIG 300 - Monitoring Primary Input Current; Input Current Schematic (300;350); Input Current Schematic (400); Input Current Schematic (500)

LORCH MicorMIG 300
68 pages
Print Icon
To Next Page IconTo Next Page
To Next Page IconTo Next Page
To Previous Page IconTo Previous Page
To Previous Page IconTo Previous Page
Loading...
page 56
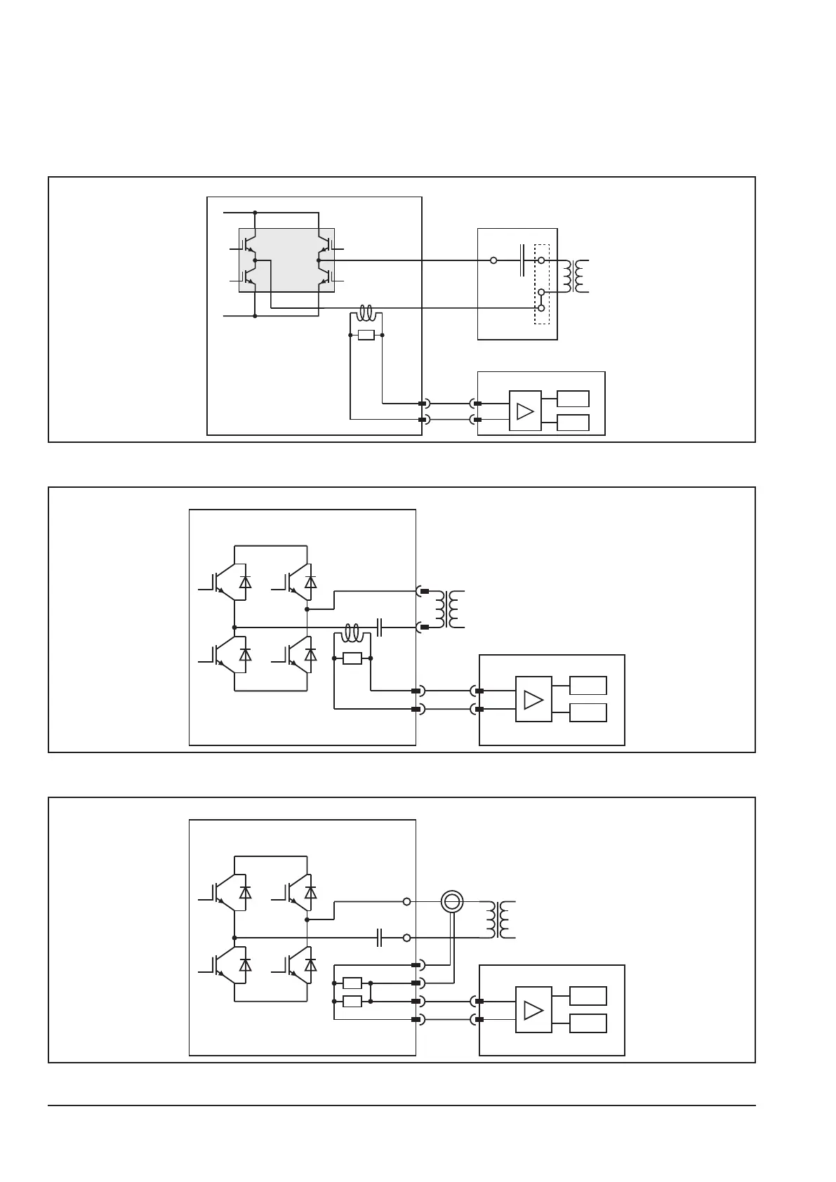
Monitoring Primary Input Current
The current consumption of the machine is monitored by the DSP and the FPGA. As soon as the input current
is getting too high, the machines stops with the error code E32-01 “Overcurrent FPGA” or E32-04 “Overcurrent
IPMax”.
Schematic MicorMIG 300/350
-Uz
Uz2
X2-5
X2-6
DRV13
MAPRO
X7-7
X7-8
FPGA
DSP
TM1
TR2
1
2
3
SF02
Schematic MicorMIG 400
X2
X21
-Uz
Uz2
X2-5
X2-6
T14
T15
T18
T19
DRV15
MAPRO
X7-7
X7-8
FPGA
DSP
Schematic MicorMIG 500
2
1
-Uz
Uz2
X2-5
X2-6
T12
T13 T16
T16
DRV17
MAPRO
X7-7
X7-8
FPGA
DSP
X17-1
X17-3

Related product manuals