EasyManua.ls Logo

Mackie DLM12S - DLM12 S Subwoofer Block Diagram

Mackie DLM12S
22 pages
Print Icon
To Next Page IconTo Next Page
To Next Page IconTo Next Page
To Previous Page IconTo Previous Page
To Previous Page IconTo Previous Page
Loading...
DLM12S Powered Subwoofer
20
DLM12S Powered Subwoofer
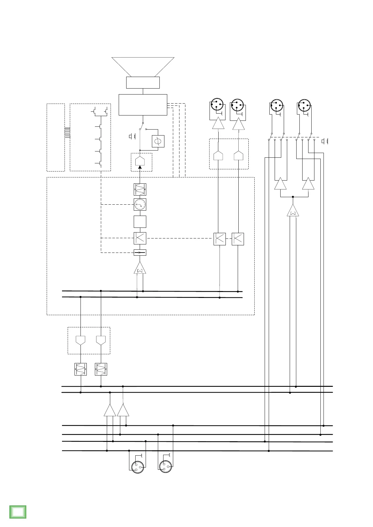
DLM12S Subwoofer Block Diagram
XLR
A
ADC
Amp
XLR
DAC
DAC
Speaker Processing
DAC
DAC
Comp /
Lim
High Pass Outputs
XOver
B
A
B
XOver
ADC
Fader
XOver
A
B
Full Range Outputs
ANALOG BUS
A B
ADC
HARDWIRE BUS
+ A - + B -
DIGITAL BUS
A B
+
-
+
-
Limit
Limit
Mono
Stereo
DISPLAY
USER CONTROLS
LVL
-
+
XVR
DEL MEM
DAC
Core temperature
Pwr Suply Voltage
AMP STATUS
DSP
TruSource
Invert
Normal
Polarity
Invert
Delay

Other manuals for Mackie DLM12S

Related product manuals