EasyManua.ls Logo

Mackie SNOWBOX - ShowBox Block Diagram

Mackie SNOWBOX
51 pages
Print Icon
To Next Page IconTo Next Page
To Next Page IconTo Next Page
To Previous Page IconTo Previous Page
To Previous Page IconTo Previous Page
Loading...
SHOWBOX BATTERY POWERED ALL-IN-ONE PERFORMANCE RIG WITH BREAKAWAY MIX CONTROL
46
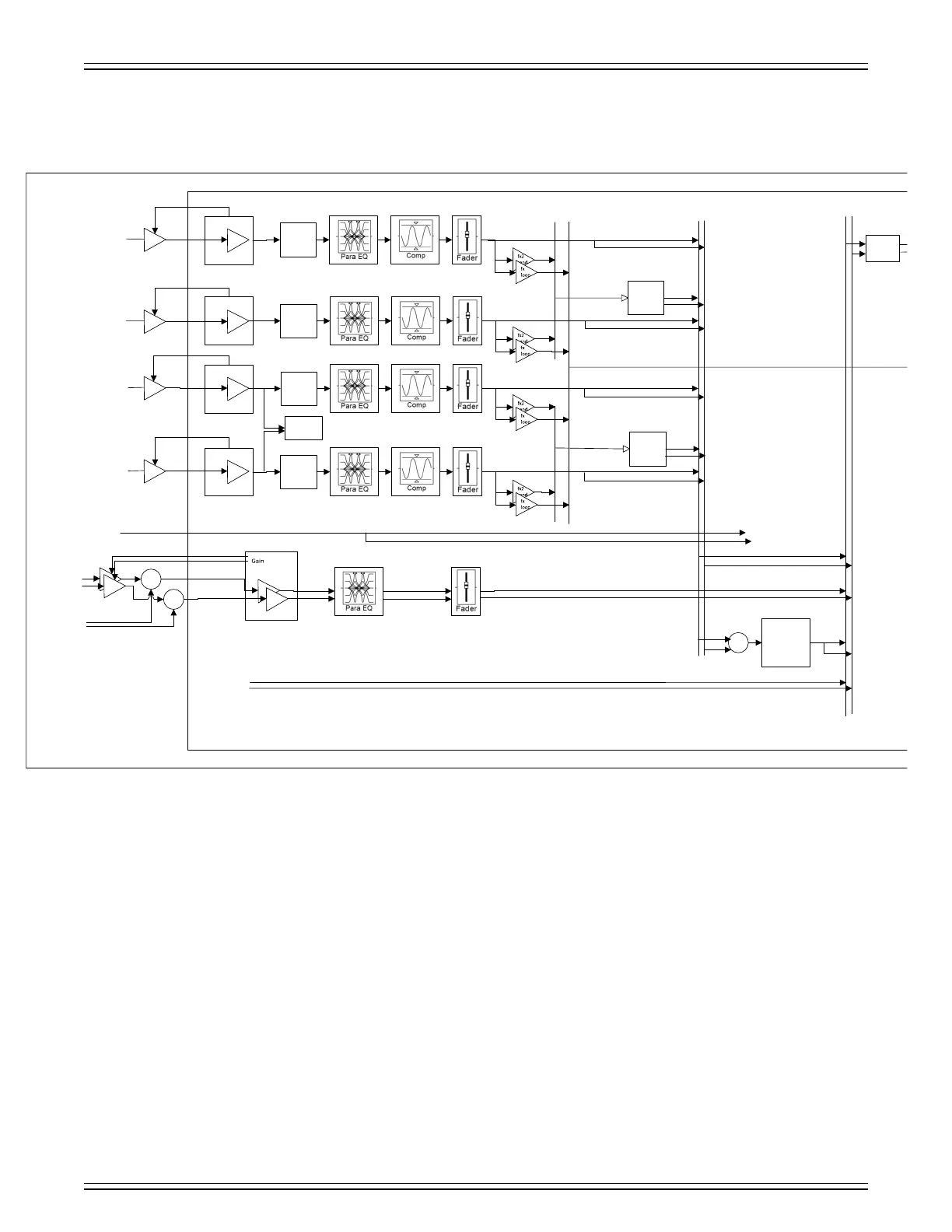
ShowBox Block Diagram
ƉƌĞĂŵƉ
ŐĂŝŶ
y>Z
Śϭ;ŵŽŶŽͿ
ƚƌŝŵ
&
ĨdžϮ
ĨdžůŽŽƉ
ŵŝdžϭ
ĐŚϭϯ
ĨdžϮ
ƉƌĞĂŵƉ
ŐĂŝŶ
ůŝŶĞŝŶƐƚ
Śϰ;ŵŽŶŽͿ
ůŝŶĞ
Śϱϲ;ƐƚĞƌĞŽͿ
ƚƌŝŵ
ĨdžůŽŽƉ
ƌĞƚƵƌŶ
Dh
ůŽŽƉ
ƌĞĐŽƌĚĞƌ
н
ŵĂŝŶ
yKǀĞƌ;ƵƉƚŽ
ϰƚŚŽƌĚĞƌͿ
н
>&Y;ϭϬďĂŶĚͿ
ĞůĂLJ;ϬͲ
ϱŵƐͿ
>&ŽƵƚ
,&Y;ϭϬ
ďĂŶĚͿ
ĞůĂLJ;ϬͲ
ϱŵƐͿ
h^ŝŶ
,&ŽƵƚ
^ĐĂƌĚ
h^ŽƵƚ
ƉŚŽŶĞƐŽƵƚ
ĨdžůŽŽƉƐĞŶĚ
ŵŝdžŽƵƚ
н
dŝŶ
ƐƉĞĂŬĞƌƉƌŽĐĞƐƐŝŶŐ
WĞƌĨŽƌŵĞƌ^ŝŐŶĂů&ůŽǁsϬϵ
ƉƌĞĂŵƉ
ŐĂŝŶ
ůŝŶĞŝŶƐƚ
ŚϮ;ŵŽŶŽͿ
ƉƌĞĂŵƉ
ŐĂŝŶ
y>Z
Śϯ;ŵŽŶŽͿ
ƉƌĞĂŵƉ
ŐĂŝŶ
н
ĨdžϮ
ĂƵƚŽŐĂŝŶ
ƚƌŝŵ
ĂƵƚŽŐĂŝŶ
ƚƌŝŵ
ĂƵƚŽŐĂŝŶ
ƚƌŝŵ
ĂƵƚŽŐĂŝŶ
ĐŚϮϰ
ĨdžϮ
ƚƵŶĞƌ
sŽŝĐŝŶŐY
;ϯďĂŶĚͿ
Ĩdžϭ
Ĩdžϭ
Ĩdžϭ
Ĩdžϭ
ĂƐƐ
ĞŶŚĂŶĐĞͲ
ŵĞŶƚ
>ŽĐĂƚŝŽŶ
Y
;ϯďĂŶĚͿ
DƵƚĞ
ƚĞ
,ĞĂĚƉŚŽŶĞ
ƐĞŶƐĞ

Table of Contents

Related product manuals