EasyManua.ls Logo

Mackie THUMP215XT - Page 9

Mackie THUMP215XT
38 pages
Print Icon
To Next Page IconTo Next Page
To Next Page IconTo Next Page
To Previous Page IconTo Previous Page
To Previous Page IconTo Previous Page
Loading...
Owners Manual
9
Owner’s Manual
Large Club System
SIG/OL
FRONT LED PHASE
FR OUTPUT
U
+6dB-6dB
160Hz80Hz
120Hz
INPUT HIGH PASS
OUT
FULL RANGE
OUT
NORMAL
INVERT
FLAT
DEEP
PUNCH
VARIABLE
ON
OFF
STEREO
MONO
A
HIGH PASS MODE
A
B
B
SIG/OL
FRONT LED PHASE
FR OUTPUT
U
+6dB-6dB
160Hz80Hz
120Hz
INPUT HIGH PASS
OUT
FULL RANGE
OUT
NORMAL
INVERT
FLAT
DEEP
PUNCH
VARIABLE
ON
OFF
STEREO
MONO
A
HIGH PASS MODE
A
B
B
SIG/OL
FRONT LED PHASE
FR OUTPUT
U
+6dB-6dB
160Hz80Hz
120Hz
INPUT HIGH PASS
OUT
FULL RANGE
OUT
NORMAL
INVERT
FLAT
DEEP
PUNCH
VARIABLE
ON
OFF
STEREO
MONO
A
HIGH PASS MODE
A
B
B
SIG/OL
FRONT LED PHASE
FR OUTPUT
U
+6dB-6dB
160Hz80Hz
120Hz
INPUT HIGH PASS
OUT
FULL RANGE
OUT
NORMAL
INVERT
FLAT
DEEP
PUNCH
VARIABLE
ON
OFF
STEREO
MONO
A
HIGH PASS MODE
A
B
B
LINE
MIC
LINE
U U
MAX
LINE MIC
U
MAX
CH1
CH2 MAIN
THRU
OVERLOADPAIR LINK
MUSIC
DUCKING
FEEDBACK
ELIMINATOR
OUTDOOR
MODE
VOICING MODES
FRONT
LED
MUSIC
MON
LIVE
CLUB
-
MAXMIN MIN
CLUB
LIVE
VOICING MODES
MUSIC
MON
GAIN VOLUME
GAIN
LINE
MIC
LINE
U U
MAX
LINE MIC
U
MAX
CH1
CH2 MAIN
THRU
OVERLOADPAIR LINK
MUSIC
DUCKING
FEEDBACK
ELIMINATOR
OUTDOOR
MODE
VOICING MODES
FRONT
LED
MUSIC
MON
LIVE
CLUB
-
MAXMIN MIN
CLUB
LIVE
VOICING MODES
MUSIC
MON
GAIN VOLUME
GAIN
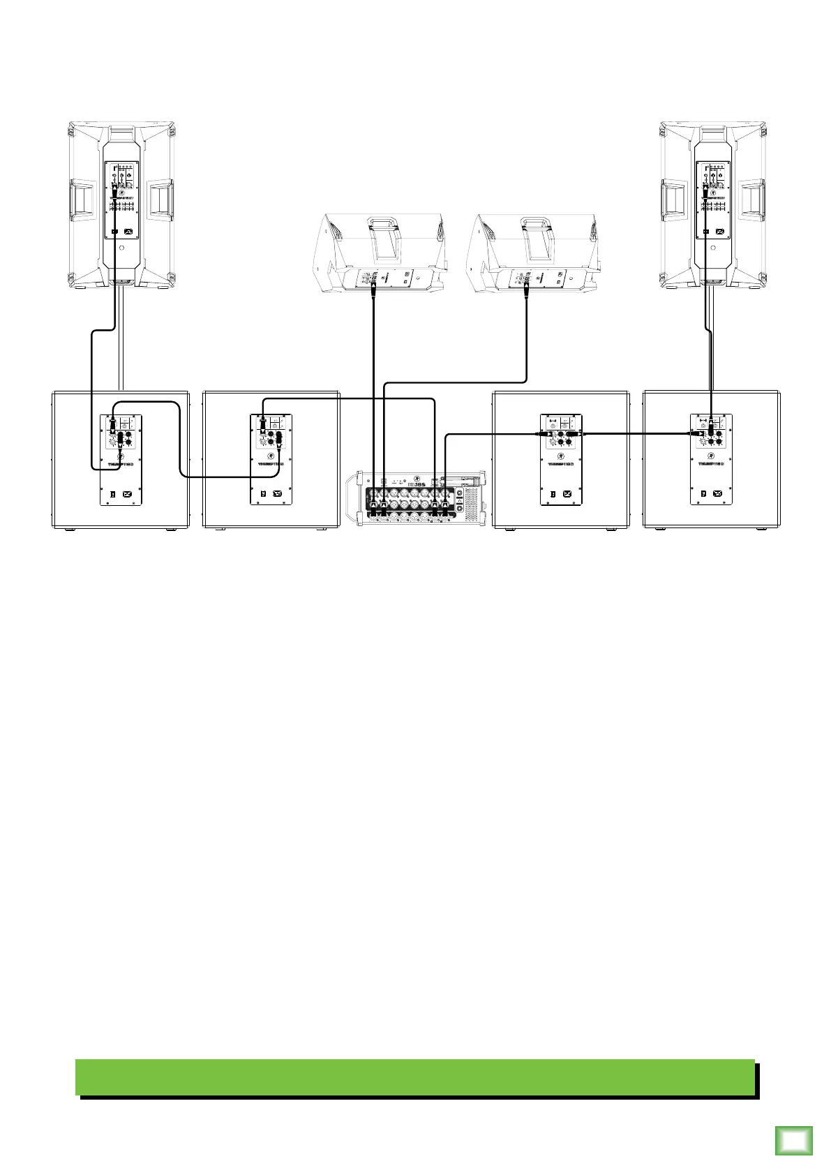
Hookup Diagrams continued…
Here’s how to set up a large club system. In this example, the L/R outputs of a DL6S mixer are connected directly
to the channel A inputs of a pair of Thump8S subwoofers. The Full Range Out of each subwoofer is then connected
to the inputs of an additional pair of Thump8S subwoofers.
From here, the High Pass Out of the two outer Thump8S subwoofers are connected directly to the inputs
of a set of Thump25XT loudspeakers. Then set the subwoofers High Pass Mode to Deep and the voicing
mode of both loudspeakers to live or club. Talk about beefy low end!
Outputs  and 2 from the mixer may be used as aux sends; these are connected directly to the channel  inputs of a pair
of Thump25 loudspeakers to be used as monitors for the band. The gain knob on all Thump loudspeakers in this example
should be set to Line. Lastly, all Mic/Line switches should be disengaged [Line]. Keep in mind that these “MIC” and “LINE”
markings are for reference only and may need to be raised or lowered.

Related product manuals