EasyManua.ls Logo

Macurco GD-6 - Menu de Réinitialisation du Capteur Sen

Macurco GD-6
104 pages
Print Icon
To Next Page IconTo Next Page
To Next Page IconTo Next Page
To Previous Page IconTo Previous Page
To Previous Page IconTo Previous Page
Loading...
Manuel d'exploitation de Macurco GD-xx
REV 2.0.0 [34-2900-0027-6 ] 53 | La page
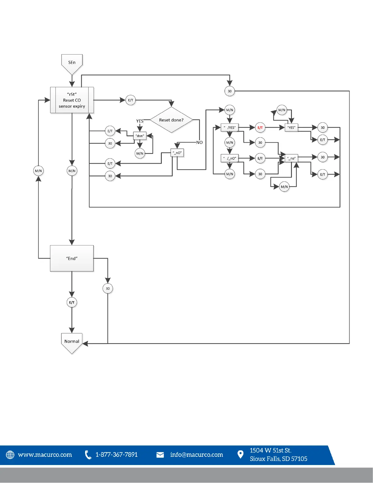
9.6 Menu de réinitialisation du capteur « Sen »

Table of Contents

Related product manuals