EasyManua.ls Logo

Macurco GD-6 - Page 12

Macurco GD-6
104 pages
Print Icon
To Next Page IconTo Next Page
To Next Page IconTo Next Page
To Previous Page IconTo Previous Page
To Previous Page IconTo Previous Page
Loading...
Macurco GD-xx Operation Manual
REV 2.0.0 [34-2900-0027-6 ] 12 | Page
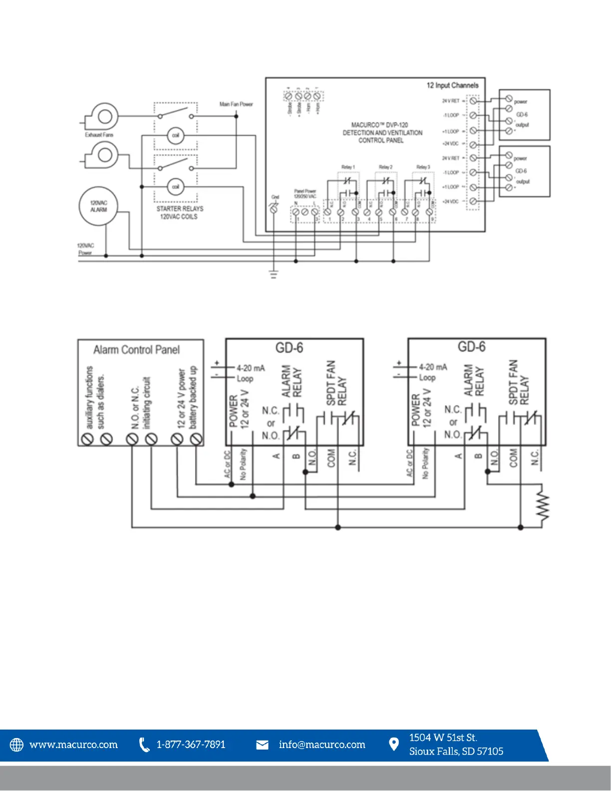
Figure 3-6 – 6-Series DVP-120 Control Panel
Figure 3-7 – 6-Series Alternate Alarm Panel
In this application (above) the Fan or primary relay is used as a low-level alarm relay. The Alarm or secondary relay is
used as a supervisory relay when utilized in the normally closed configuration. The GD-6 monitors all critical
functions of the unit through software diagnostics that continually test and verify its operations. If a problem is
found, the unit will switch to a fail-safe/error mode or trouble condition. In this error mode the Fan* and Alarm
relays will be activated indicating the trouble condition at panel and the GD-6 display will flash the error. *See the
Trouble Fan Setting Option.

Table of Contents

Related product manuals