EasyManua.ls Logo

Macurco GD-6 - Page 15

Macurco GD-6
104 pages
Print Icon
To Next Page IconTo Next Page
To Next Page IconTo Next Page
To Previous Page IconTo Previous Page
To Previous Page IconTo Previous Page
Loading...
Macurco GD-xx Operation Manual
REV 2.0.0 [34-2900-0027-6 ] 15 | Page
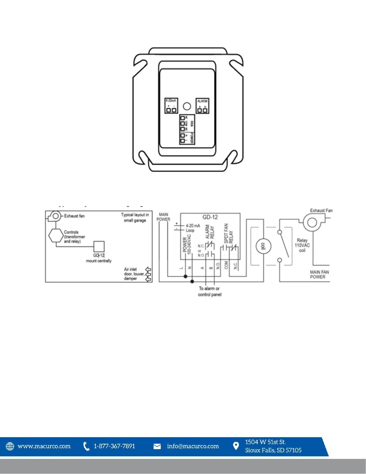
Figure 3-10 12-Series Rear View
Figure 3-11 12-Series Typical Standalone Installation

Table of Contents

Related product manuals