EasyManua.ls Logo

Macurco GD-6 - Page 17

Macurco GD-6
104 pages
Print Icon
To Next Page IconTo Next Page
To Next Page IconTo Next Page
To Previous Page IconTo Previous Page
To Previous Page IconTo Previous Page
Loading...
Macurco GD-xx Operation Manual
REV 2.0.0 [34-2900-0027-6 ] 17 | Page
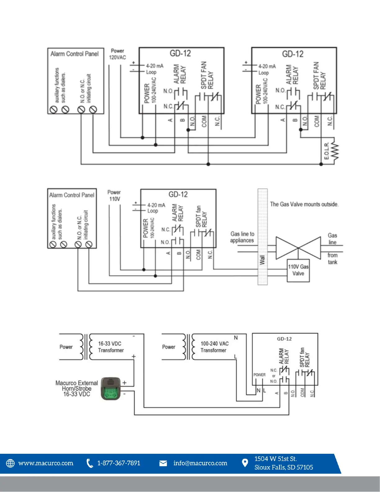
Figure 3-14 12-Series Alternate Alarm Panel
Figure 3-15 12 Series Alarm Panel with Shutoff Valve

Table of Contents

Related product manuals