EasyManua.ls Logo

Macurco GD-6 - Page 68

Macurco GD-6
104 pages
Print Icon
To Next Page IconTo Next Page
To Next Page IconTo Next Page
To Previous Page IconTo Previous Page
To Previous Page IconTo Previous Page
Loading...
Manuel d'exploitation de Macurco GD-xx
REV 2.0.0 [34-2900-0027-6 ] 18 | La page
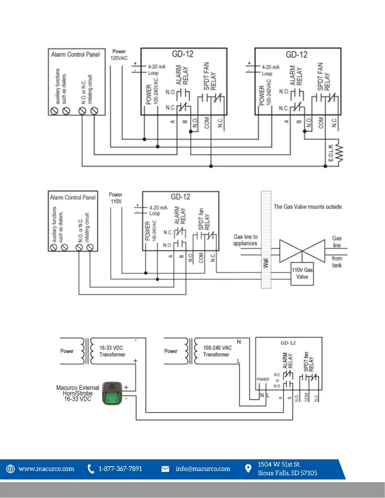
Figure 3-14 Panneau d'alarme alternatif de la série 12
Figure 3-15 Panneau d'alarme de la série 12 avec robinet d'arrêt

Table of Contents

Related product manuals