EasyManua.ls Logo

Macurco GD-6 - Page 94

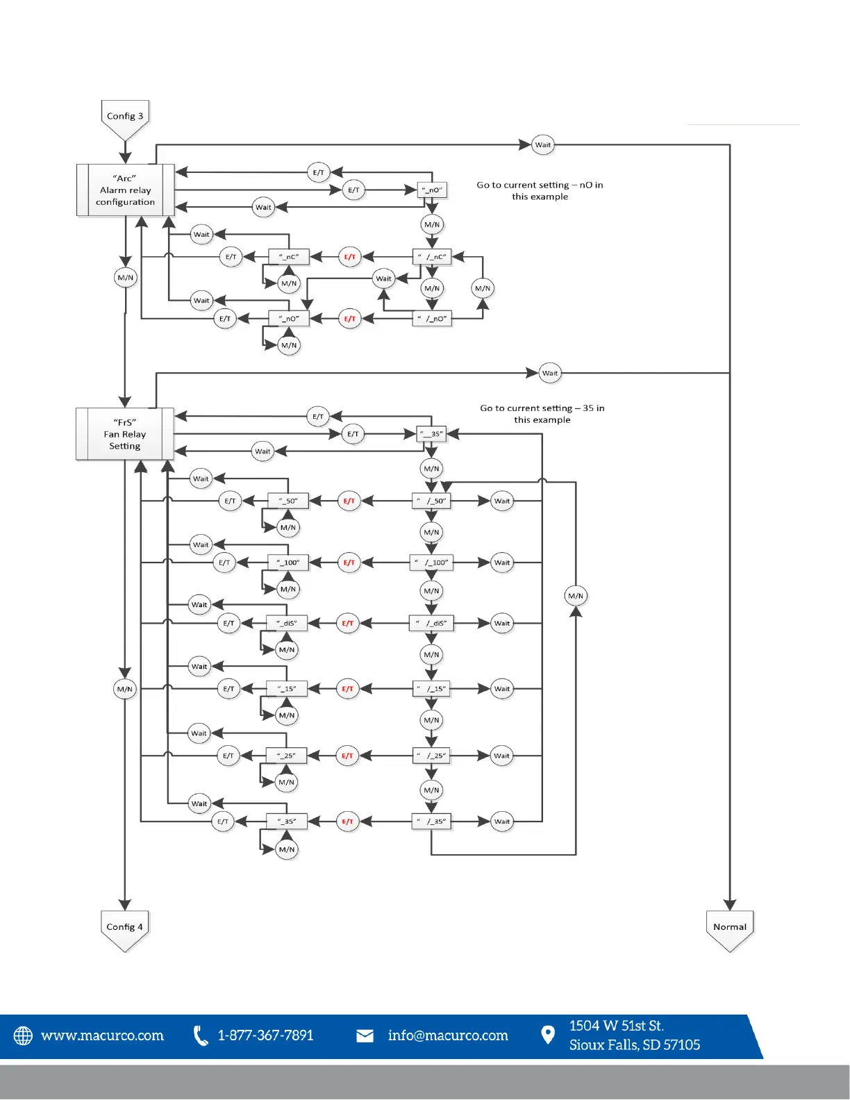
Macurco GD-6
104 pages
Print Icon
To Next Page IconTo Next Page
To Next Page IconTo Next Page
To Previous Page IconTo Previous Page
To Previous Page IconTo Previous Page
Loading...
Manuel d'exploitation de Macurco GD-xx
REV – 2.0.0 [34-2900-0027-6 ] 44 | La page

Table of Contents

Related product manuals