EasyManua.ls Logo

Madas MTC10 - Page 7

Madas MTC10
Print Icon
To Next Page IconTo Next Page
To Next Page IconTo Next Page
To Previous Page IconTo Previous Page
To Previous Page IconTo Previous Page
Loading...
IT
EN FR ES
7
Madas Technical Manual - 9|9.4 - REV. 0 of 8
th
Feb 2019 MTC10
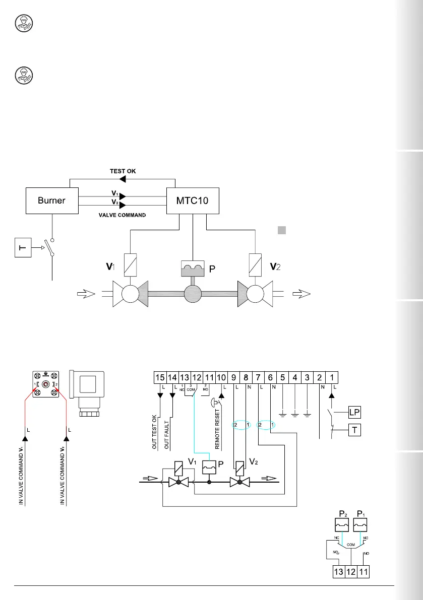
5.0  CONFIGURAZIONE
Di seguito alcuni esempi delle più comuni installazioni:
5.1 - CONFIGURAZIONE STANDARD -STD-
L’MTC10 comanda le valvole V1 e V2.
Prima dell’avvio del bruciatore si eseguono i seguenti controlli:
1. Tenuta V1
2. Tenuta V2
Superato il test, il dispositivo rimane in attesa del segnale fornito dal Burner Control. Ricevuto il segnale, sul connettore
comando valvole, apre V1 e V2 .
ESEMPIO N° 1
Comando Valvole Collegamenti elettrici
V1: Elettrovalvola di sicurezza N.C.
V2: Elettrovalvola di lavoro N.C.
P: Pressostato
T: Termostato
LP: Pressostato di minima
: Volume di prova
P
1
: Pressostato bassa pressione
P
2
: Pressostato alta pressione