EasyManua.ls Logo

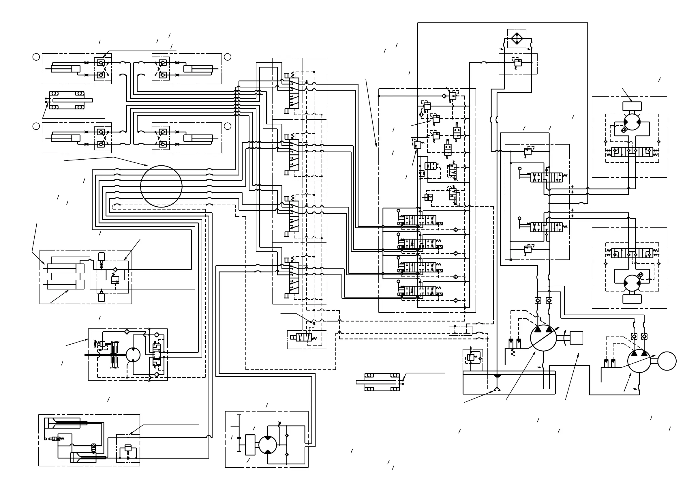
Maeda MC285C-2 - MC285 C-2 HYDRAULIC CIRCUIT DIAGRAM

Default Icon
207 pages
Print Icon
To Next Page IconTo Next Page
To Next Page IconTo Next Page
To Previous Page IconTo Previous Page
To Previous Page IconTo Previous Page
Loading...
㧹㧯㧞㧤㧡㧯㧙㧞
㧴㨅㧰㧾㧭㨁㧸㧵㧯ޓ㧯㧵㧾㧯㨁㧵㨀ޓ㧰㧵㧭㧳㧾㧭㧹
㧭㨕㨞ޓ㧮㨞㨑㨍㨠㨔㨑㨞
㨀㨞㨍㨢㨑㨘㨘㨕㨚㨓ޓ㧹㨛㨠㨛㨞
㧔㧸㨑㨒㨠㧕
㨀㨞㨍㨢㨑㨘㨘㨕㨚㨓ޓ㧹㨛㨠㨛㨞
㧔㧾㨕㨓㨔㨠
㨀㨞㨍㨢㨑㨘㨘㨕㨚㨓ޓ㧹㨛㨠㨛㨞㧔㧮㨡㨕㨘㨠㧙㨕㨚ޓ㧮㨞㨍㨗㨑
㧺㧭㧯㧴㧵ޓ㧼㧴㧷㧙㧝㧞㧜㧙㧟㧣㧮㧙㧥㧭㧙㧤㧜㧜㧣㧭
㧯㨍㨜㨍㨏㨕㨠㨥㧦㧥㧚㧣㨏㨙
㧛㨞㨑
㧹㨍㨤㨕㨙㨡㨙ޓ㧼㨞㨑㨟㨟㨡㨞㨑㧦㧞㧜㧚㧢㧹㧼㨍
㧹㨍㨤㨕㨙㨡㨙ޓ㧲㨘㨛㨣ޓ㧯㨍㨜㨍㨏㨕㨠㨥㧦㧝㧠㧚㧣㧸 㨙㨕㨚
㧏㧜
㧏㧜
㨀㨑㨘㨑㨟㨏㨛㨜㨕㨚㨓ޓ㧯㨥㨘㨕㨚㨐㨑
㧺㧱㧻㨄
㧾㨍㨠㨑㨐ޓ㧼㨞㨑㨟㨟㨡㨞㨑㧦㧞㧜㧚㧢㧹㧼㨍㧔㧞㧝㧜㨗㨓㨒 㨏㨙
㧺㨛㧝㧦Ǿ㧢㧜Ǿ㧠㧡㧝㧡㧠㧜㨟㨠
㧺㨛㧞㧦Ǿ㧢㧜Ǿ㧠㧡㧝㧡㧜㧜㨟㨠
㧮㧔㧮㨛㨛㨙ޓ㧾㨑㨠㨞㨍㨏㨠㨕㨚㨓㧕
㧭㧔㧮㨛㨛㨙ޓ㧱㨤㨠㨑㨚㨐㨕㨚㨓㧕
㧺㨛㧞
㧺㨛㧝
㧯㨛㨡㨚㨠㨑㨞ޓ㧮㨍㨘㨍㨎㨍㨘㨍㨚㨏㨑ޓ㨂㨍㨘㨢㨑㧔㨀㧕
㨅㧭㧺㧭㧳㧵㧿㧭㨃㧭ޓ㧿㧱㧵㧷㧵
㧢㧡㧞㧜㧜㧙㧜㧜㧤㧜㧜
㧏㧜
㧏㧜
㧔㧴㨛㨛㨗ޓ㧸㨛㨣㨑㨞㨕㨚㨓㧕
A
B
Dr
GC
GD
㧭㧔㧴㨛㨛㨗ޓ㧾㨍㨕㨟㨕㨚㨓㧕
㨃㧵㧺㧯㧴ޓ㨁㧺㧵㨀
㨀㧻㧿㧴㧵㧮㧭
㧾㨑㨐㨡㨏㨠㨕㨛㨚ޓ㧾㨍㨠㨕㨛㧦㧝㧛㧝㧢㧚㧤㧡㧣
㧯㨍㨜㨍㨏㨕㨠㨥㧦㧞㧞㧚㧜㧞㨏㨏 㨞㨑
㧹㨍㨤㨕㨙㨡㨙ޓ㧼㨞㨑㨟㨟㨡㨞㨑㧦㧝㧥㧚㧝㧟㧹㧼㨍
㧹㨍㨤㨕㨙㨡㨙ޓ㧲㨘㨛㨣ޓ㧯㨍㨜㨍㨏㨕㨠㨥㧦㧣㧜㧸㧛㨙㨕
㧏㧜
㧏㧜㧏㧜
㧏㧜
㧭㧔㧮㨛㨛㨙ޓ㧾㨍㨕㨟㨕㨚㨓㧕
㧮㧔㧮㨛㨛㨙ޓ㧸㨛㨣㨑㨞㨕㨚㨓㧕
Ǿ㧜㧚㧡
㧼㨞㨑㨟㨟㨡㨞㨑
㧿㨑㨚㨟㨛㨞
㧼㨞㨑㨟㨟㨡㨞㨑
㧿㨑㨚㨟㨛㨞
㧏㧜
㧏㧜㧏㧜
㧏㧜
㧰㨑㨞㨞㨕㨏㨗㨕㨚㨓ޓ㧯㨥㨘㨕㨚㨐㨑㨞㧔㧾㧕
㧺㧱㧻㨄
㧾㨍㨠㨑㨐ޓ㧼㨞㨑㨟㨟㨡㨞㨑㧦㧞㧜㧚㧢㧹㧼㨍㧔㧞㧝㧜㨗㨓㨒 㨏㨙
Ǿ㧣㧜Ǿ㧠㧡㧢㧡㧡㨟㨠
㧰㨑㨞㨞㨕㨏㨗㨕㨚㨓ޓ㧯㨥㨘㨕㨚㨐㨑㨞㧔㧸
㧺㧱㧻㨄
㧾㨍㨠㨑㨐ޓ㧼㨞㨑㨟㨟㨡㨞㨑㧦㧞㧜㧚㧢㧹㧼㨍㧔㧞㧝㧜㨗㨓 㨏㨙
Ǿ㧣㧜Ǿ㧠㧡㧢㧡㧡㨟㨠
㧯㨛㨡㨚㨠㨑㨞ޓ㧮㨍㨘㨍㨚㨏㨑ޓ㨂㨍㨘㨢㨑㧔㧰㧕
㨅㧭㧺㧭㧳㧵㧿㧭㨃㧭ޓ㧿㧱㧵㧷㧵
㧢㧡㧞㧜㧜㧙㧜㧝㧜㧜㧜
㧔㧻㨁㨀
Ǿ㧝㧚㧜
Ǿ㧝㧚㧜
㧔㧻㨁㨀㧕
㧔㧻㨁㨀㧕
Ǿ㧝㧚㧜
Ǿ㧝㧚㧜
㧔㧻㨁㨀
Ǿ㧝㧚㧟
Ǿ㧝㧚㧟
㧔㧵㧺㧕
㧔㧵㧺㧕
㧔㧵㧺㧕
Ǿ㧝㧚㧟
Ǿ㧝㧚㧟
㧔㧵㧺㧕
㧲㨛㨞㨣㨍㨞㨐
㧸㨑㨒㨠
㧾㨑㨢㨑㨞㨟㨑
㧾㨕㨓㨔㨠
㧠㧟
㧰㨛㨡㨎㨘㨑ޓ㧼㨕㨘㨛㨠ޓ㧯㨔㨑㨏㨗ޓ㨂㨍㨘㨢㨑
㨅㧭㧺㧭㧳㧵㧿㧭㨃㧭ޓ㧿㧱㧵㧷㧵ޓ㧢㧡㧜㧜㧜㧙㧜㧢㧠㧜㧜㨂
㧾㨍㨠㨑㨐ޓ㧼㨞㨑㨟㨟㨡㨞㨑㧦㧞㧜㧚㧢㧹㧼㨍㧔㧞㧝㧜㨗㨓㨒 㨏㨙
㧾㨍㨠㨑㨐ޓ㧲㨘㨛㨣ޓ㧯㨍㨜㨍㨏㨕㨠㨥㧦㧝㧜㧸 㨙㨕㨚
㧯㨞㨍㨏㨗㨕㨚㨓ޓ㧼㨞㨑㨟㨟㨡㨞㨑㧦㧜㧚㧠㧥㧹㧼㨍㧔㧡㨗㨓㨒 㨏㨙
㧻㨡㨠㨞㨕㨓㨓㨑㨞ޓ㧯㨥㨘㨕㨚㨐㨑㨞㧠㨜㨏㨟
㧺㧱㧻㨄
㧹㨍㨤㨕㨙㨡㨙ޓ㧴㨛㨘㨐㨕㨚㨓ޓ㧼㨞㨑㨟㨟㨡㨞㨑㧦㧞㧥㧚㧠㧹㧼㨍㧔㧟㧜㧜㨗㨓㨒 㨏㨙
Ǿ㧤㧜Ǿ㧟㧡㧟㧜㧡㨟㨠
㧏㧜
㧏㧜
㧏㧜
㧏㧜
㧏㧜
㧏㧜
㧏㧜
㧏㧜
㨀㨞㨍㨢㨑㨘㨘㨕㨚㨓ޓ㧸㨑㨢㨑㨞
㧰㧭
㨃㧭
㧰㧮
㨃㧮
㨀㧭
㨀㧮
㨃㧰㧾
㧾㨛㨠㨍㨞㨥ޓ㧶㨛㨕㨚㨠
㧺㧵㧿㧴㧵㧺㧭
㧜㧣㧣㧢㧟㧙㧜㧜㧜㧜㧮
㧾㨍㨠㨑㨐ޓ㧲㨘㨛㨣ޓ㧯㨍㨜㨍㨏㨕㨠㨥㧦㧹㧭㨄㧡㧜 㨕㨚
㧹㨍㨤㨕㨙㨡㨙ޓ㧼㨞㨑㨟㨟㨡㨞
ޓ㧱㨤㨜㨑㨏㨠ޓ㨃㧰㧾㧦㧞㧜㧚㧢㧹㧼
ޓޓޓޓޓ㧔㧞㧝㧜㨗㨓㨒 㨏㨙
ޓ㨃㧰㧾㧦㧞㧚㧥㧹㧼㨍㧔㧟㧜㨗㨓㨒 㨏㨙
㧾㨍㨠㨑㨐ޓ㧿㨜㨑㨑㨐㧦㧟㨙㨕
㧙㧝
B2
B1
B12
B9
B6
A12
A9
A11
B1 1
A3
B8
A8
B3
A5
B5
A2
A6
A10
B10
A1
B4
A4
B7
A7
㧻㨡㨠㨞㨕㨓㨓㨑㨞ޓ㨟㨑㨘㨑㨏㨠ޓ㨢㨍㨘㨢
㨀㧻㨅㧻㧻㧷㧵ޓ㧷㧻㧳㨅
㧴㧙㧜㧞㧞㧥㧢
㧹㨍㨤㨕㨙㨡㨙ޓ㧼㨞㨑㨟㨟㨡㨞㨑㧦㧞㧝㧹㧼
㧼㨕㨘㨛㨠ޓ㧼㨞㨑㨟㨟㨡㨞㨑㧦㧝㧚㧜㨪㧝㧚㧡㧹㧼
Ǿ㧝㧚㧜
㧮㧞㧔㧾㨍㨕㨟㨕㨚㨓㧕
㧿㧻㧸㧙㧝㧜
㧔㧱㨙㨑㨞㨓㨑㨚㨏㨥㧕
㧿㧻㧸㧙
㧔㧸㨛㨣
㧼㨞㨑㨟㨟㨡㨞㨑
㧿㨘㨑㨣㨕㨚
㧮㨛㨛㨙
㨀㨑㨘㨑㨟㨏㨛㨜㨕㨚㨓
㧮㨛㨛㨙
㧰㨑㨞㨞㨕㨏㨗㨕㨚㨓
㨃㨕㨚㨏㨔
㧮㧝㧔㧾㨍㨕㨟㨕㨚㨓㧕
㧭㧝㧔㧸㨛㨣㨑㨞㨕㨚㨓㧕
㧮㧟㧔㧾㨑㨠㨞㨍㨏㨠㨕㨚㨓㧕
㧭㧟㧔㧱㨤㨠㨑㨚㨐㨕㨚㨓
㧠㧔㧯㨘㨛㨏㨗㨣㨕㨟㨑㧕
㧭㧠㧔㧯㨛㨡㨚 㨠㨑㨞ޓ㧯㨘㨛 㨏㨗㨣㨕㨟㨑㧕
Dr
㧴㨛㨛㨗
㧾㨍㨕㨟㨕㨚㨓
㧿㧻㧸㧠
B
P
T
㧮㨛㨛㨙
㧸㨛㨣㨑㨞㨕㨚㨓
㧿㧻㧸㧝
㧭㧞㧔㧸㨛㨣㨑㨞㨕㨚㨓㧕
㧳㨍㨡㨓㨑ޓ㧼㨛㨞㨠
㧯㨛㨡㨚㨠㨑
㧯㨘㨛㨏㨗㨣㨕㨟㨑
㧿㧻㧸㧣
A
T
㧯㨘㨛㨏㨗㨣㨕㨟
㧿㧻㧸㧤
A
㧼㨕㨘㨛㨠ޓ㧼㨞㨑㨟㨟㨡㨞㨑ޓ㧼㨛㨞㨠
㨞㨍㨚㨑ޓ㧯㨛㨚㨠㨞㨛㨘ޓ㨂㨍㨘㨢㨑
㨍㨎㨠㨑㨟㨏㨛
㧿㧿㧡㧜㧙㧾㧱㧲㧭㧠㨀㧙㧝㧞
㨍㨠㨑㨐ޓ㧼㨞㨑㨟㨟㨡㨞㨑㧦㧞㧜㧚㧢㧹㨜㨍㧔㧞㧝㧜㨗㨓㨒 㨏㨙
㨍㨠㨑㨐ޓ㧲㨘㨛㨣ޓ㧯㨍㨜㨍㨏㨕㨠㨥㧦㧡㧜 㨙㨕㨚
㨑㨘㨕㨑㨒ޓ㨂㨍㨘㨢㨑㧦㧞㧜㧚㧢㧹㧼㨍㧔㧞㧝㧜㨗㨓㨒㧛㨏
㨕㨓㨔ޓ㧼㨞㨑㨟㨟㨡㨞㨑ޓ㧿㨑㨠㧦
㧞㧜㧚㧢㧼㨍
㧞㧝㧜㨗㨓㨒㧛㨏
ޓ㨍㨠㧟 㨕㨚
㧾㨑㨐㨡㨏㨕㨚㨓ޓ㧼㨞㨑㨟㨟㨡㨞㨑ޓ㨂㨍㨘㨢
㧝㧚㧠㧞㧹㧼
㧔㧝㧠㧚㧡㨗㨓㨒㧛㨏㨙
㧿㨑㨝㨡㨑㨚㨏㨑ޓ㨂㨍㨘㨢㨑
㧚㧟㧠㧹㧼㨍㨪㧝㧚㧠㧥㧹㧼
㧝㧟㧚㧣㨪㧝㧡㧚㧞㨗㨓㨒 㨏㨙
㧿㧻㧸㧙㧝㧝
㧔㧲㨘㨛㨣ޓ㧯㨛㨚㨠㨞㨛㨘㧕
㧿㧻㧸㧙㧝㧞
㧭㨏㨏㨑㨘㨑㨞㨍㨠㨛㨞㧕
㧮㨛㨛㨙
㧾㨍㨕㨟㨕㨚㨓
㧿㧻㧸㧞
㧴㨛㨛㨗
㧸㨛㨣㨑㨞㨕㨚㨓
㧿㧻㧸㧟
P
B
P
㧮㨛㨛㨙
㨠㨑㨚㨐㨕㨚
㧿㧻㧸㧡
㧮㨛㨛
㧾㨑㨠㨞㨍㨏㨠㨕㨚
㧿㧻㧸
T
A
B
P
T
A
B
㧸㨛㨣ޓ㧼㨞㨑㨟㨟㨡㨞㨑ޓ㧿㨑㨠㧦
㧟㧚㧥㧞㧹㧼㨍
㧔㧠㧜㨗㨓㨒㧛㨏㨙
ޓ㨍㨠㧝㧜㧸 㨙㨕
#04
㧏㧜㧏㧜
㧞㧝
㧾㨕㨓㨔㨠
㧾㨑㨢㨑㨞㨟㨑
㧸㨑㨒㨠
㧲㨛㨞㨣㨍㨞㨐
㨀㨞㨍㨢㨑㨘㨘㨕㨚㨓
㧸㨑㨢㨑㨞
㧥㧢㨏㨏 㨞㨑㨢
㧝㧞
㧝㧞
㧾㧱㧰
㧔㧯㨛 㨡㨚㨠㨑 㨞ޓ㧯 㨘㨛㨏㨗 㨣㨕㨟 㨑㧕
㧭㧔㧯㨘㨏㨗 㨣㨕 㨑㧕
㧰㨞
㧏㧜
㧏㧜
㧿㨘㨑㨣㨕㨚㨓ޓ㧹㨛㨠㨛㨞
㧱㧭㨀㧻㧺
㧴㧙㧝㧜㧜㧭㧭㧞㧰㧿㧙
㧯㨍㨜㨍㨏㨕㨠㨥㧦㧥㧢㨏㨏 㨑㨢
㧹㨍㨤㨕㨙㨡㨙ޓ㧿㨜㨑㨑㨐㧦㧢㧣㧜㨞㨜㨙
㧾㨍㨠㨑㨐ޓ㧼㨞㨑㨟㨟㨡㨞㨑㧦㧝㧞㧚㧟㧹㧼㨍㧔㧝㧞㧡㨗㨓㨒 㨏㨙
㧞㧕
㧹㨍㨤㨕㨙㨡㨙ޓ㧼㨞㨑㨟㨟㨡㨞㨑㧦㧝㧢㧚㧣㧹㧼㨍㧔㧝㧣㧜㨗㨓㨒 㨏㨙
㧿㨘㨑㨣㨕㨚㨓ޓ㧳㨑㨍㨞ޓ㧮㧻
㧿㧴㧵㧺
㨀㧥㧝㧟㧤㨄㧝
㨑㨐㨡㨏㨠㨕㨛㨚ޓ㧾㨍㨠㨕㨛㧦㧝 㧞㧢
㧾㨑㨠㨡㨞㨚ޓ㧲㨕㨘㨠㨑㨞
㨅㧭㧹㧭㧿㧴㧵㧺
㧾㧭㧙㧜㧠㧙㧟㧜㧙㧝㧜
㨒㨕㨘㨠㨞㨍㨠㨕㨛㨚ޓ㧼㨞㨑㨏㨕㨟㨕㨛㨚㧦㧟㧜Ǵ㨙
㧮㨥㨜㨍㨟㨟ޓ㨂㨍㨘㨢㨑ޓ㧼㨞㨑㨟㨟㨡㨞㨑㧦
㧜㧚㧝㧹㧼㨍㧔㧝㨗㨓㨒 㨏㨙
㨀㨍㨚㨗ޓ㧯㨜㨍㨏㨕㨠
ޓޓޓޓޓޓޓޓޓޓ㧞㧡
㧾㨑㨢㨑㨞㨟㨑
㧼㧝
㧼㧞
㧯㧻
㧮㧞
㧮㧝
㧭㧝
㧭㧞
㧲㨛㨞㨣㨍㨞㨐
㧔㧾㨕㨓㨔㨠ޓ㨀㨞㨍㨢㨑㨘㨘㨕㨚㨓
㧸㨑㨢㨑㨞㧕
㧔㧸㨑㨒㨠ޓ㨀㨞㨍㨢㨑㨘㨘㨕㨚㨓
㧸㨑㨢㨑㨞㧕
㨀㨞㨍㨢㨑㨘㨘㨕㨚㨓ޓ㧯㨛㨚㨠㨞㨛㨘ޓ㨂㨍㨘㨢㨑
㧺㧵㧿㧴㧵㧺㧭
㧜㧣㧥㧜㧡㧙㧜㧜㧜㧜㧜
㧹㨍㨤㨕㨙㨡㨙ޓ㧲㨘㨛㨣ޓ㧯㨍㨜㨍㨏㨕㨠㨥㧦㧟㧜㧸 㨕㨚
㧾㨑㨘㨕㨑㨒ޓ㨂㨍㨘㨢㨑㧦㧞㧜㧚㧢㧹㧼㨍
㧔㧞㧝㧜㨗㨓㨒 㨏㨙
㧕㨍㨠㧝㧡㧸 㨙㨕㨚
㧾㨑㨢㨑㨞㨟㨑
㧲㨛㨞㨣㨍㨞㨐
㧏㧜㧠
㧏㧜㧠
ޓ㧝㧜㧝㧚㧡
ޓ㧝㧜㧝㧚㧡
ޓ㧝㧜㧝㧚㧡
ޓ㧝㧜㧝㧚㧡
#06
O
M
㧼㧝
㧼㧞
㧱㨚㨓㨕㨚㨑
㨅㨍㨚㨙㨍㨞ޓ㧞㨀㧺㨂㧣㧜㧙㧹㧹㧮
㧾㨍㨠㨑㨐ޓ㧻㨡㨠㨜㨡㨠㧦㧣㧚㧥㨗
ޓޓޓޓ㧔㧝㧜㧚㧣㧼㧿㧕
㧝㧝㧜㧜㨪㧞㧣㧤㧜㨞㨜㨙
M
O
P2
P1
㧴㨥㨐㨞㨍㨡㨘㨕㨏ޓ㧼㨡㨙
㧺㧭㧯㧴㧵
㧼㨂㧰㧙㧜㧮㧙㧝㧞㧸㧟㧿㧙㧠㧤㧡㧤㨆
㧯㨍㨜㨍㨏㨕㨠㨥㧦㧢㧚㧜㧗㧢㧚㧜㨏㨏 㨞㨑㨢
㧾㨍㨠㨑㨐ޓ㧿㨜㨑㨑㨐㧦㧞㧢㧜㧜㨞㨜㨙
㧹㨍㨤㨕㨙㨡㨙ޓ㧼㨞㨑㨟㨟㨡㨞㨑㧼㧝㧘㧞㧦㧞㧝㧜㨗㨓㨒 㨏㨙
S1
㧴㨥㨐㨞㨍㨡㨘㨕㨏ޓ㧼㨡㨙㨜
㧺㧭㧯㧴㧵
㧼㨂㧰㧙㧜㧮㧙㧝㧣㧸㧟㧿㧙㧠㧞㧠㧞㧲
㧯㨍㨜㨍㨏㨕㨠㨥㧦㧤㧚㧢㧗㧤㧚㧢㨏㨏 㨞㨑㨢
㧾㨍㨠㨑㨐ޓ㧿㨜㨑㨑㨐㧦㧝㧤㧜㧜㨞㨜㨙
㧹㨍㨤㨕㨙㨡㨙ޓ㧼㨞㨑㨟㨟㨡㨞㨑㧼㧝ޔ㧼㧞㧦㧞㧝㧜㨗㨓㨒 㨏㨙
㧏㧜㧟
㧏㧜㧟
㧏㧜
㧏㧜
㧏㧜㧟
㧏㧜㧟
ޓ㧞㧡㧚
ޓ㧞㧡㧚㧠
㧔㧾㨑㨢㨑㨞㨟㨑㧕
㧮㧔㧲㨛㨞㨣㨍㨞㨐㧕
㧾㧱㧰
㧭㧔㧲㨛㨞㨣㨍㨞㨐㧕
㧮㧔㧾㨑㨢㨑㨞㨟㨑㧕
㧾㧱㧰
㧻㨕㨘ޓ㧯㨛㨛㨘㨑㨞
㧹㨍㨚㨕㨒㨛㨘㨐ޓ㧮㨘㨛㨏
㧯㨔㨑㨏㨗ޓ㨂㨍㨘㨢㨑
㧸㨂㧙㧜㧤㧙㧞㧡
㧜㧚㧞㧡㧹㧼㨍
ޓ㧝
ޓ㧝
㧿㨑㨝㨡㨑㨚㨏㨑ޓ㨂㨍㨘㨢
㧚㧟㧠㨪㧝㧚㧠㧥㧹㧼㨍㧔㧝㧟㧚㧣㨪㧝㧡㧚㧞㨗㨓㨒㧛㨏㨙
㨑㨐㨡㨏㨕㨚㨓ޓ㧼㨞㨑㨟㨟㨡㨞㨑ޓ㨂㨍㨘㨢㨑㧦㧝㧚㧠㧞㧹㧼
㧗㧜㧚㧜㧡
ޓ㧜
㧔㧝㧠㧚㧡
㧗㧜㧚㧡
ޓ㧜
㨗㨓 㨏㨙
㧰㨞㨍㨕㨚
㧾㨑㨠㨞㨍㨏㨠㨕㨚㨓
㧱㨤㨠㨑㨚㨐㨕㨚㨓
㨛㨛㨗ޓ㧴㨛㨕㨟㨠㨕㨚㨓
㨛㨛㨙ޓ㧸㨛㨣㨑㨞㨕㨚㨓
㨛㨛㨗ޓ㧸㨛㨣㨑㨞㨕㨚㨓
㧮㨛㨛㨙ޓ㧾㨍㨕㨟㨕㨚
㧼㨕㨘㨛㨠ޓ㧼㨞㨑㨟㨟㨡㨞㨑
㧰㨞
㧏㧜
㧏㧜
㧏㧜
10

Related product manuals