EasyManua.ls Logo

Maeda MC285C-2 - Page 182

Default Icon
207 pages
Print Icon
To Next Page IconTo Next Page
To Next Page IconTo Next Page
To Previous Page IconTo Previous Page
To Previous Page IconTo Previous Page
Loading...
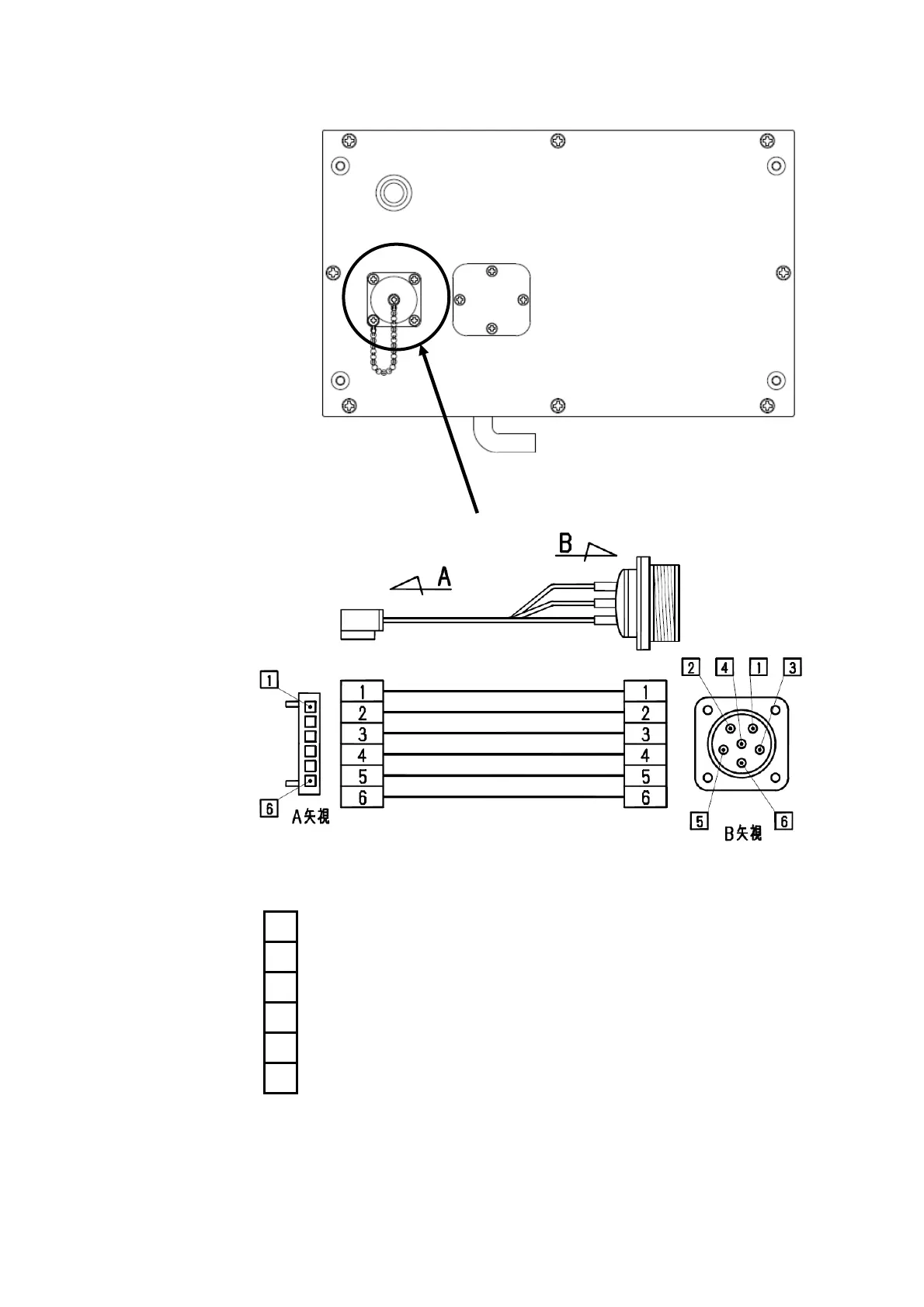
㪩㪼㪺㪼㫇㫋㪸㪺㫃㪼
䊶䊶䊶䊶䊶㪧㫆㫎㪼㫉㩷㫊㫆㫌㫉㪺㪼㩷㪂䋨㪏㪭䋩㩷
䊶䊶䊶䊶䊶㪩㪪㪄㪋㪏㪌㪘㩷
䊶䊶䊶䊶䊶㪩㪪㪄㪋㪏㪌㪙㩷
䊶䊶䊶䊶䊶㪚㫆㫅㫅㪼㪺㫋㫀㫅㪾㩷㪺㪿㪼㪺㫂㩷
䊶䊶䊶䊶䊶㪞㪥㪛䋨㪇㪭䋩㩷
䊶䊶䊶䊶䊶㪪㪿㫀㪼㫃㪻㩷
180

Related product manuals