EasyManua.ls Logo

Maeda MC285C-2 - Page 192

Default Icon
207 pages
Print Icon
To Next Page IconTo Next Page
To Next Page IconTo Next Page
To Previous Page IconTo Previous Page
To Previous Page IconTo Previous Page
Loading...
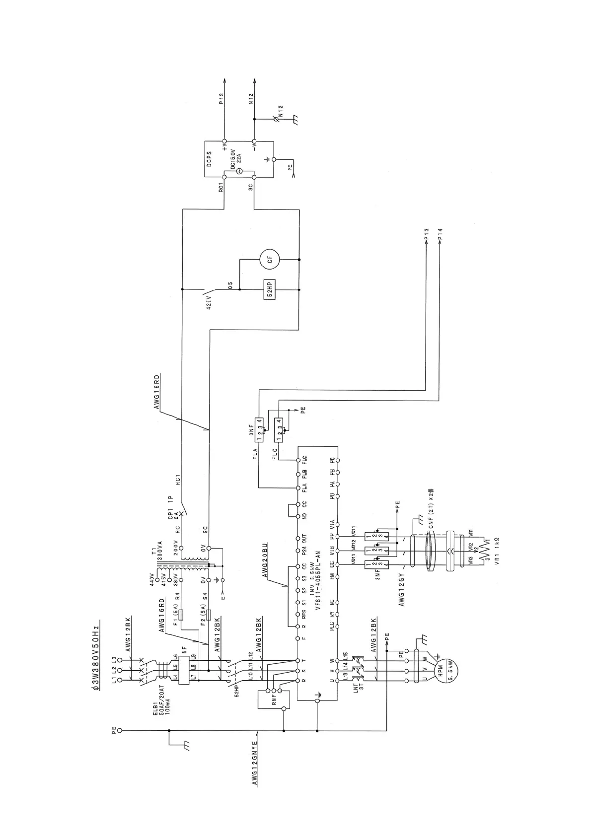
㪜㪣㪜㪚㪫㪩㪠㪚㩷㪚㪠㪩㪬㪠㪫㩷㪛㪠㪘㪞㪩㪘
㪧㫆㫎㪼㫉㩷㫊㫌㫇㫇㫃㫐
㪘㪚㩷㪚㫆㫅㫋㫉㫆㫃㩷㪚㫀㫉㪺㫌㫀㫋
㪟㫐㪻㫉㪸㫌㫃㫀㪺㩷㫇㫌㫄㫇
㪙㫌㫀㫃㫋㩷㫀㫅㩷㫅㫆㫀㫊㪼㩷㪽㫀㫃㫋㪼㫉
㫅㫍㪼㫉
㪼㫉㩷
㪦㫇
㪼㫉㪸
㫋㫀
㫆㫅
㫆㫆
㫃㫀
㪸㫅
㪛㪚㩷
㫆㫎㪼㫉㩷㫊㫌
㫇㫇
㪤㪸㫀㫅㩷
㫆㫎㪼㫉
㪫㫉㪸㫅㫊㪽㫆㫉㫄㪼㫉
189

Related product manuals