EasyManua.ls Logo

Malabar 95P10AR - Page 32

Default Icon
52 pages
Print Icon
To Next Page IconTo Next Page
To Next Page IconTo Next Page
To Previous Page IconTo Previous Page
To Previous Page IconTo Previous Page
Loading...
Model: 95P10AR
Two Stage Hydraulic Aviation Floating Auto-Retract Axle Jack
S/N 263 and Up
12/2018 | Rev. 01 Page | 32
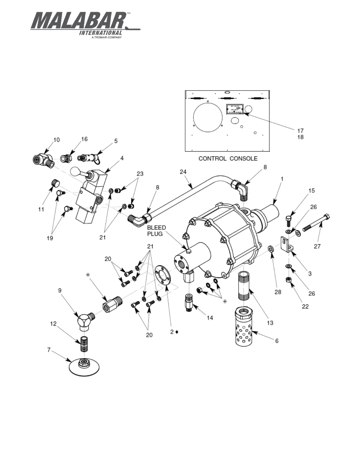
Parts List Figure 6
When ordering replacement parts/kits, please specify model, serial number and color of your unit.
PART OF REPAIR PARTS KIT
*
PART OF ITEM NO. 1 (AIR PUMP)

Related product manuals