EasyManua.ls Logo

Man E 2842 E - Page 22

Man E 2842 E
56 pages
Print Icon
To Next Page IconTo Next Page
To Next Page IconTo Next Page
To Previous Page IconTo Previous Page
To Previous Page IconTo Previous Page
Loading...
Technical information
20
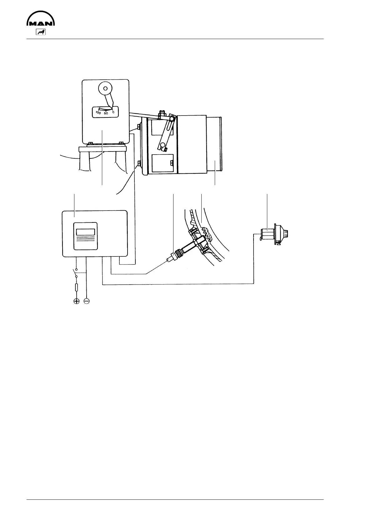
Electronic speed governor
(for use with synchronous generator)
123456
1891
1 Pulse transducer
2 Starter ring gear
3 Control unit
4 Set point potentiometer
5 Indexer
6 Gas mixer
Operation:
A pulse transducer senses the engine speed on the starter ring gear and transmits the
signal to the control unit.
In the control unit, the actual speed signal is compared to the value preset on the poten-
tiometer. If any deviations exist of the speed from the set point, the current input of the
actuator is varied. This causes a change in the actuator position and thereby a change in
the flow through the gas mixer.