EasyManua.ls Logo

M&B Engineering WB 680 - Page 49

Default Icon
52 pages
Print Icon
To Next Page IconTo Next Page
To Next Page IconTo Next Page
To Previous Page IconTo Previous Page
To Previous Page IconTo Previous Page
Loading...
49
solutions creator
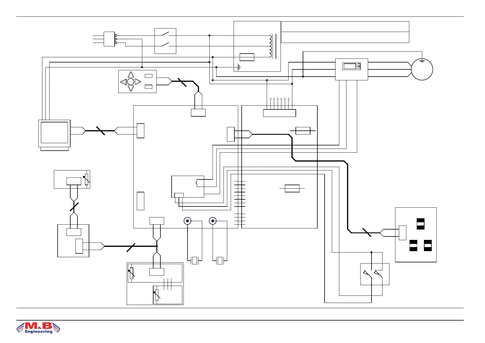
COD. 300353 REv. 0
RED
VGA
BOARD CPU
WB680
SERIAL
PROGRAMMING
BOARD
POWER SUPPLY
CABLE 4 POLES
(BLACK WHITE
BLUE BROWN)
M12
RED BLACK
PICK-UP
PICK-UP
INTERNAL
EXTERNAL
JP11
OPTO-ELECTRONIC
BOARD
GAUGES ADAPTER
BOARD
FLAT 10 POLES
FLAT 10 POLES
BOARD
BOARD
DISTANCE
DIAMETER
BOARD
WIDTH
Power supply 115 / 230 VAC
YELLOW-GREEN
BLUE
PLUG type C13
(VDE)
BROWN
BROWN
L1
L2
T1
Power supply 230VAC: L1 connected to L2 and T1 not mounted
Power supply 115VAC: L1 and L2 connected to T1
RED
RED
FLAT 8 POLES
BLUE
BROWN
BLUE
BLUE
BROWN
BROWN
YELLOW-GREEN
BROWN
BLACK
GRAY
CROSSOVER
CABLE
8 pole
GRAY
ORANGE
R3R3
FUSE F2
500mA T
FUSE F2
500mA T
JP6JP6
JP9JP9
JP3JP3
JP12JP12
N
M1
M3
C2
C1
M2
L
L
JP18JP18
MICRO
CARTER
MICRO
CARTER
1
2
3
BLUE
YELLOW-GREEN
BROWN
JP15JP15
JP17JP17
FUSE F3
2.5A
FUSE F
3
2.5A
JP13JP13
R2R2
JP14JP14
RS485
Espansione
Inverter
JP5
RS485
Espansione
Inverter
JP5
4
5
6
1 2 3
JP16JP16
R1R1
MM
4
3
6
STEP-UP TRANSFORMER
115 / 230
STEP-UP TRANSFORMER
115 / 230
JP8JP8
INVERTER
U
V
W
L
N
T
0000
P24 F
RS485
INVERTER
U
V
W
L
N
T
P24 F
RS485
4
5
6
1
2
3
7
8 9
SWITCH
MAIN
SWITCH
MAIN
KEY BOARDKEY BOARD
JP10JP10
MONITOR
LCD
MONITOR
LCD
FUSE F1
500mA T
FUSE F1
500mA T

Table of Contents

Related product manuals