EasyManua.ls Logo

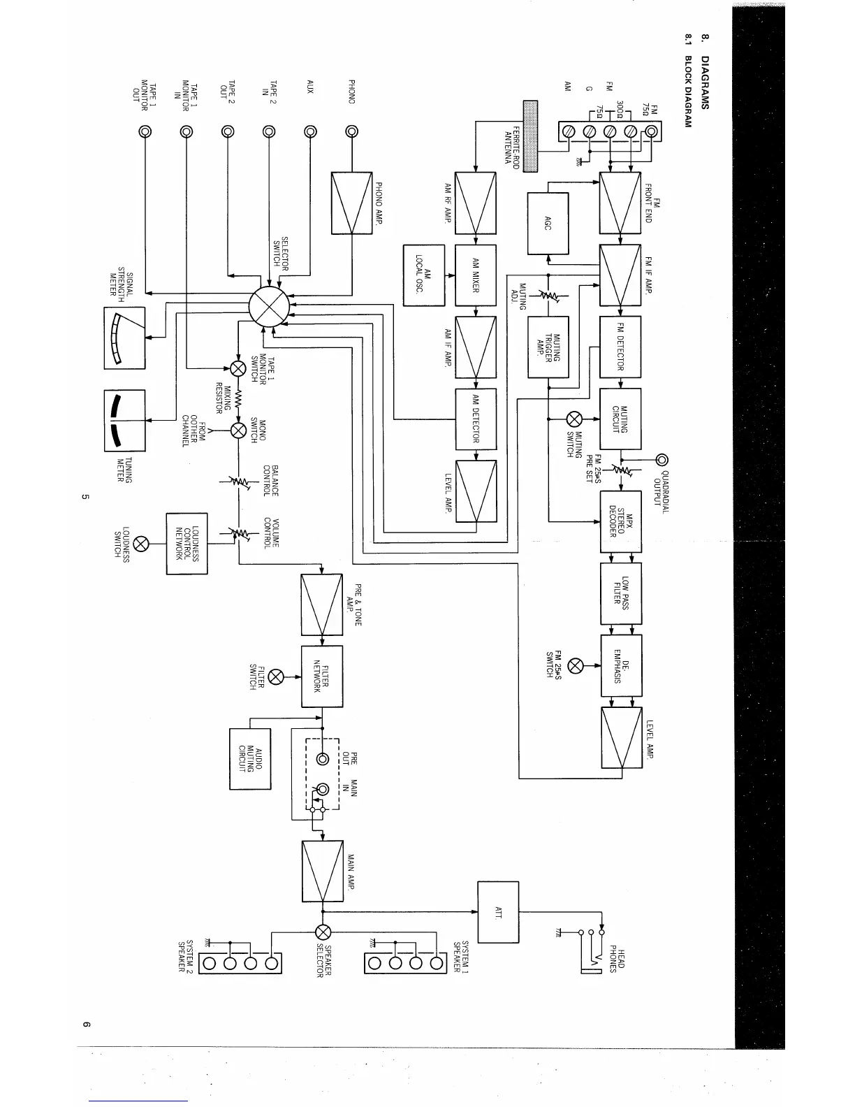
Marantz 2226 - Diagrams; Block Diagram

Marantz 2226
36 pages
Print Icon
To Next Page IconTo Next Page
To Next Page IconTo Next Page
To Previous Page IconTo Previous Page
To Previous Page IconTo Previous Page
Loading...

Related product manuals