EasyManua.ls Logo

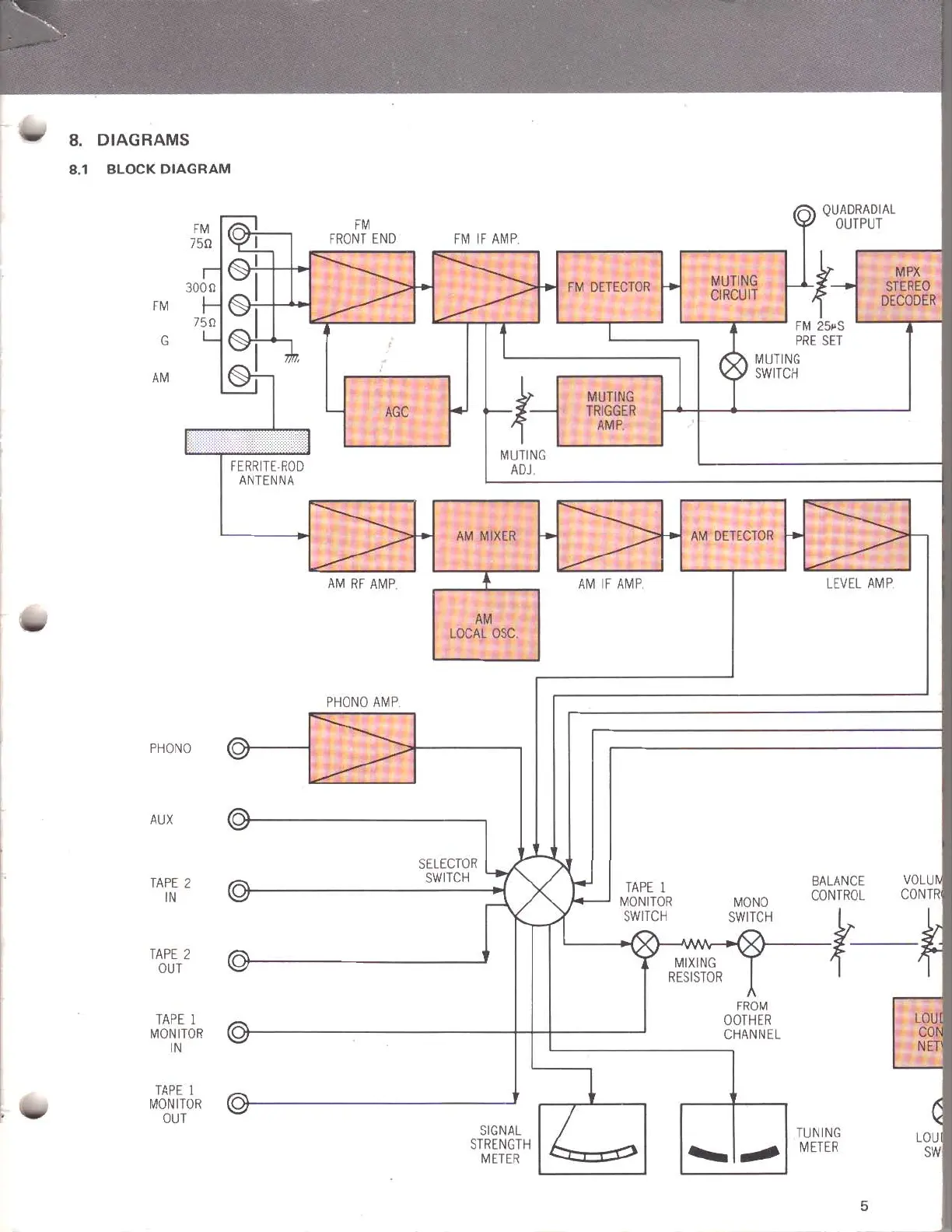
Marantz 2238 - Diagrams and Schematics; Block Diagram

Marantz 2238
48 pages
Print Icon
To Next Page IconTo Next Page
To Next Page IconTo Next Page
To Previous Page IconTo Previous Page
To Previous Page IconTo Previous Page
Loading...

Related product manuals