EasyManua.ls Logo

Marantz DR17 - Block Diagram

Marantz DR17
46 pages
Print Icon
To Next Page IconTo Next Page
To Next Page IconTo Next Page
To Previous Page IconTo Previous Page
To Previous Page IconTo Previous Page
Loading...
S
EC.
PRI .
VOLTAGE FAILLING
DETECT
MUTING
CON TROL
POW ER SUPPL Y
VOLTAGE REGULATOR
+12Va +5Va -5Va -12Va +12Vd +8V +5Vd +5Vm -8Vd-26V
+/- 12Va
+/- 5Va
+12Vd
+5Vd /+5Vm
+/-8Vd
-26V
DC1/DC2
L001
POW ER I NPU T
VY01
ZY01
KEYS
uCOM
HDCD
PLAY, STOP, REC, etc
MUTING
CK T
HDAM
HDAM
BITSTREAM
DUAL DAC
QD01 TDA 1547
KILL
DE-EMPHAS
I
S
CK T
EMP
BITSTREAM
CONVERSI ON
Q510 SAA7350
DOL
CL K
DOR
L.CH
R.CH
HDCD PROCESS
DECORDER
AND
Q501 PMD-100
OVER SAM PL ING
FS x8
SD 1
SD 2
SCK
WS
DIGITAL AUDIO
INPUT/OUTPUT
Q501 TDA1315H
L RCK
BCK
DATA
Q601
Q602
FI LT ER
FI LT ER
DIG.COAX
LT01
DIG.OPT
OUTPUT
OUTPUT
DIG.COAX
DIG.OPT
INPUT
INPUT
RC-BUS
INPUT
RC-BUS
OUTPUT
BUS REC
CONTROL
CD_SYNC
DETECT DISPLAY DRIVER, KEY SENS, IR SENS
XY01
8MHz
40 SY SCL KO
384FS
INT
ENT
SF0 1
J902
HPL
HPR
HPR
HPL
L.CH
R.CH
Q701+R721+Q721
Q701+R721+Q721
CDL 3610
KEY SENS BUS
DISPLAY
CONT ROL B US
CONTROL BUS
CDR M ODUL E
DI GOUT
SRC
SRC O N
DETECT
LPWR
PLAY/REC
DAI O_REC
UNLOCK_GDIN
DIGIN
OPTI N
LEFTINOUT
RI GHTI NOUT
RSTL A , I NTERRUPT
SCL , SD A
P1- P16
G1-G13
KSCAN1-3
KSENS1-5
INT1, IR
HDCD 27
FORMA T
TRANS-
FORMA TI ON
6 I ECI N0
35
37
36
1
28
2
26
25
23
24
7
8
9
10
42
43
44 3
5,28
30
14
15
18
19
6 XTI 14 XIN
R910+Q901
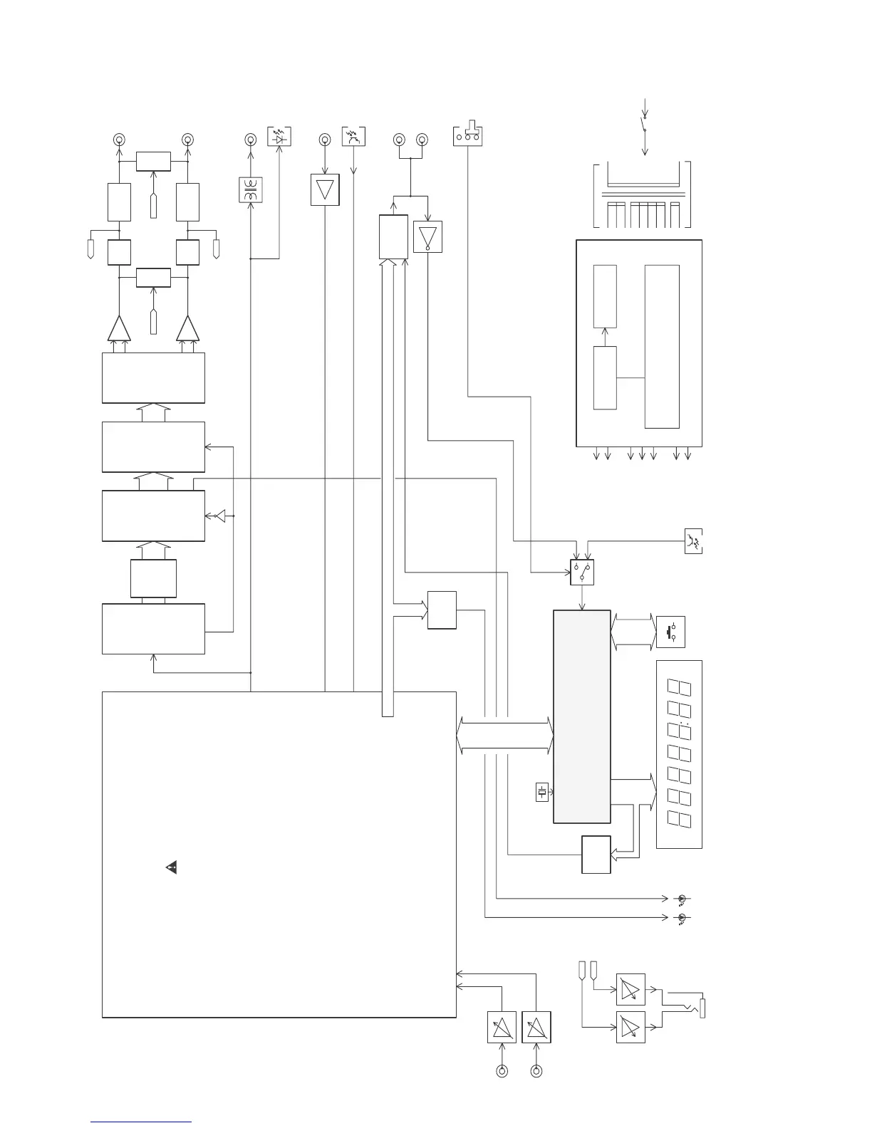
1.5 BLOCK DIAGRAM
1-10

Related product manuals