EasyManua.ls Logo

Marantz MM8003 - Page 26

Marantz MM8003
84 pages
Print Icon
To Next Page IconTo Next Page
To Next Page IconTo Next Page
To Previous Page IconTo Previous Page
To Previous Page IconTo Previous Page
Loading...
3231
T 3.15A 250V
1/50V
0.1uF
CJP03GA01ZY
OPEN
47K
15K 15K
KTC3198YT
15K
CJP03GA01ZY CJP03GA01ZY
CJP15GA19ZY
052020BWC052020BWC
S-80842CNY-X
10K
KRC102M
KTA1267Y
1000p
4.7K
1N4003SR
HCKWKH103MF
10K
1(1W)
1(1W)
4700/35
0.1uF
100K
KIA78R05PI
1N4003SR
1N4003SR
1N4003SR
1N4003SR
0.1uF
CJP05GA01ZY
0.01uF
CJP02GA01ZY
CJP03GA01ZY CJP03GA01ZY
KRC102
10K
KRC102
KRC102
10K
47
CJP02GA01ZY
CJP02GA01ZY
0.1uF
KRC102M
KRA107M
5.6K
15K
4.7K
KRC102M
8.2V
4.7
1.5K
KRC102
3.6V
2SC3419Y
KTC3199Y
KTC3199Y
10K
4.7K
0.01uF
22K
4.7K
10K
22K
V05/1V05/1
7W 2.27W 2.2
KRC102M
0.1uF
100/16
4.7K
1000p
KTA1267Y
HCKWKH103MF
1N4003SR
1N4003SR
1N4003SR
1N4003SR
1N4003SR
3300/25V
0.1uF
47K
0.1uF
1N4003SR
1N4003SR2.2K
8.2V
4.7/50
10K
1SS133M
CJP02GA89ZYCJP02GA89ZYCJP02GA89ZY
*OPTION
FROMFROMFROM
FROMFROM
FROMFROM
+18V
0V
Only U ver
Only U ver
KDE1208PTV1
+16.75V
+10.63V
+7.8V
POWER PWB
3.+5VL
1.P_CON
2.GND
1.+5VL
2.GND
3._HEAT_DET_3
1.+5VL
2.GND
3._HEAT_DET_4
15.FAN_GND
14.GND
CPU PWB
POSISTOR1POSISTOR2
FROM LM94022BIMG PWBFROM POWER PWB
AMP2 PWBAMP1 PWB
FAN & PROTECTION. PART
1.+5VL
2.GND
3._HEAT_DET_1
FAN
M
13.+18V
12.GND
11.+5VL
10.FAN2
9.FAN1
5._HEAT_DET_2
4._HEAT_DET_1
1._HEAT_DET_P
2._P_AMP_FAIL
3._P_CURR_FAIL
8.P_CON_CURR
7._HEAT_DET_4
6._HEAT_DET_3
1.+5VL
2.GND
3._HEAT_DET_2
1.GND
1.GND
2.PO100-2
2.PO100-1
(HEAT SINK)
2.DC AMP2
1.CURR AMP2
2.DC AMP1
1.CURR AMP1
3.STANDBY1
1.GND
2.+5VL
5.P_DOWN
4.STANDBY2
N
L
L
N
UNSWITCHED
AC OUTLETS
ST-BY PART
2.AC
1.AC
1.AC
2.AC
2.AC
1.AC
K, N Ver. :
AC250V T6.3AL
F, U Ver. :
AC250V 12A
PUSH S/W PWBAC LINE MAIN TRANS
*OPT
N
L
F302
F301
C312
C217
321
CN35
R314
R315
R317 R316
Q306
R236
321
CN54
321
CN53
151413121110987654321
CN25
2 1
BN10
2 1
BN20
1 2
3
VDD
VSS
OUT
IC30
R310
Q303
Q302
C311
R309
D313
C310
4
3
1
2
RY31
R308
R306
R304
JK30
C306
C307
R305
VOUT
GND
ON/OFF
VIN
4
12
3
IC31
D311
D310
D308
D309
C216
54321
CN34
C214
2 1
CN22
3 2 1
CN52
321
CN51
Q207
R228
Q206
Q205
R227
R226
21
CN29
21
CN28
C213
Q202
Q201
R224
R223
R222
Q200
D209
R229
R225
Q204
D210
Q203
Q208
Q209
R231
R230
C211
R232
R233
R234
R235
212C512C
RF300RF301
Q301
C304
C305
R307
C309
Q300
F300
C308
D312
2
1
4
3
RY30
J300
D307
D306
D304
D305
C302
C303
R302
C301
D301
D300R300
D302
C300
R301
D303
T301
12
CN33
1 2
CN30
1 2
CN31
STBYGNDSTBYGND
LEVELGND
STBYGNDSTBYGNDSTBYGNDSTBYGND
P_CON_CURR
LEVELGNDLEVELGND
LV5+LV5+
_HEAT_DET_4
_HEAT_DET_3
_HEAT_DET_2
_HEAT_DET_1
FAN2
FAN1
P_CON_CURR
_HEAT_DET_4
_HEAT_DET_3
_HEAT_DET_2
_HEAT_DET_1
_P_CURR_FAIL
_P_AMP_FAIL
_HEAT_DET_P
_P_AMP_FAIL
_P_CURR_FAIL
STBYGNDSTBYGNDSTBYGNDSTBYGNDSTBYGNDSTBYGNDSTBYGNDSTBYGNDSTBYGNDSTBYGNDSTBYGNDSTBYGNDSTBYGNDSTBYGNDSTBYGNDSTBYGND
LEVELGNDLEVELGND
LEVELGNDLEVELGNDLEVELGND
LEVELGND
LEVELGNDLEVELGNDLEVELGNDLEVELGNDLEVELGNDLEVELGNDLEVELGNDLEVELGNDLEVELGNDLEVELGNDLEVELGNDLEVELGNDLEVELGNDLEVELGNDLEVELGNDLEVELGNDLEVELGNDLEVELGND
FAN2
FAN1
_HEAT_DET_P
CON3
+18V
FAN_GND
FAN_GND
+5VL
+18V
+5VL
+5VL
+18V
+18V
+18V
1SS355T
100
0
0.1uF
LM94022BIMG
CWB030200
0.1uF
LM94022BIMG
CWB030200
0.1uF
0.1uF
100K
NEPOK001
OPEN
1.5K
1.5K
0.1uF
10K
S-80145ALMC
0.01uF
0.1uF
0.1uF
100K
NEPOK001
OPEN
1.5K
1.5K
0
560
RED LED
560
RED LED
560
RED LED
0.1uF
LM94022BIMG
CWB030200
0.1uF
LM94022BIMG
CWB030200
10K
47K
47K
47K
47K
10K
10K
10K
10K
10K
10K
CWB050200
47K
4.7K
6.8K
18K
47
10K
CJP20GA147ZW
0.1uF
0.1uF
0.1uF
KIA78D33F
0.1uF
0.1uF
0.1uF
4.7K
10K
10K
10K
CJP05GA19ZY
CJP07GA117ZY
0.1uF
10K
10K
10K
AT24C04AN-10SQ-2.7
10K
10K
4.7K
0.1uF
100/16V
10K
10K
0.1uF
100/25
R5F21246SNFP
16MHz120p
1M
15P
15P
33P
0.01uF
47K
0.01uF
47K
C3199YT
1SS355T
33P
0
KTA1268GR
22
10K
0.1uF
1SS355T
22K
4.7
1K
0
KRA102
KRC102
22
4.7
CJP07GA117ZY
27P
220
BVDSIR34ST3F
RPM6936
0.1uF
47/16V
100
47/16V
0.1uF
100
KRA102
1SS355T
220
1N4003SR
0.1uF
47
47K
22K
4.7/50
22K
18K
47K
KTA1266Y
KTC3199Y
OPT.
TO STANDBY PWB
FAN & PRO.PART
TO STANDBY PWB
FAN & PRO.PART
TO STANDBY PWB
FAN & PRO.PART
TO STANDBY PWB
FAN & PRO.PART
OT
FROM
FROM
LM94022BIMG PWB4LM94022BIMG PWB3
1.+5VL
2.GND
3._HEAT_DET_4
1.+5VL
2.GND
3._HEAT_DET_3
POWER-LED2(OPTION)
POWER-LED3(OPTION)
LM94022BIMG PWB2LM94022BIMG PWB1
1.+5VL
2.GND
3._HEAT_DET_2
1.+5VL
2.GND
3._HEAT_DET_1
POWER PWB
FRONT LED PWB
STANDBY PWB
CPU PART
DC IN
7.GND
6.RESET
5.DNM
4.NC
3.NC
2.+5VL
1.GND
NC
_HEAT_DET_P
FAN_2
FAN_1
V_LED3
SPK_ON1
SPK_ON2
_P_LINE_FAIL
NC
NC
NO USE
NC
SPK_ON4
NO USE
NO USE
NO USE
20.GND
19.+12V
18.+5VL
17.FAN2
16.FAN1
15._HEAT_DET_4
14._HEAT_DET_3
13._HEAT_DET_2
(DOWN LOAD SW)
(REAR PANEL)
12._HEAT_DET_1
11._MUTE
Factory Key Service Key
(PWR_butten key)
_ST BY_LED
_MUTE
AVSS_OUT
_AVSS_DET
_HEAT_DET_1
_STANDBY2
_STANDBY1
VREF
_HEAT_DET_3
_HEAT_DET_2
_P_AMP_FAIL
_P_CURR_FAIL
_POWER_LED1
_POWER_LED2
_POWER_LED3
PWR_BTN
_HEAT_DET_4
RXD
TXD
_P_DOWN
KEY2
V_LED1
V_LED2
SPK_ON3
VCC
XIN
GND
XOUT
RESET
MODE
I2C_DATA
I2C_SCK
2._ST BY_LED
3._POWER_LED1
4.+5VL
5.GND
1.PWR_BTN
DEBURGING
GND
A2
A1
A0
SDA
SCL
WP
VDD
VERSION INDICATION
RC-IN
RC-INT
REMOTE CONTRON
7.DNM
6.TXD
5.RXD
4.GND
3.+5VL
2.CTS
1.RTS
DOWN LOAD
DC-IN
DC-OUT
4.SPK_ON1
9._P_CURR_FAIL
3.SPK_ON2
2.SPK_ON3
IN OUTDC OUT
FLASHER IN
4._STANDBY2
5._P_DOWN
2.+5VL
1.P_GND
3._STANDBY1
10._P_LINE_FAIL
8._P_AMP_FAIL
7._HEAT_DET_P
5._AVSS_OUT
6._AVSS_DET
1.SPK_ON4
D408
R455
SW40
R471
C504
54321
IC54
321
BN54
C503
54321
IC53
321
BN53
C429
C428
R465
864R664R
R467
R470
R469
C405
R424
1
45
2
VDD
VSS
DS
OUT
NC
3
IC45
C505
C427
C426
R463
264R464R
R461
R460
R459
R405
JK43
R458
D407
R457
D406
R456
D405
C502
54321
IC52
321
BN52
C501
54321
IC51
321
BN51
R422
R416
R417
R418
R419
R420
R421
R423
R425
R426
R427
54321
BN34
R430
R410
R450
R438
R436
R403
20
19
18
17
16
15
14
13
12
11
10
9
8
7
6
5 3
4
1
2
CN41
C410
C407
C406
OUT
GND
IN
1
2
3
IC43
14KJ24KJ
C412
C411
C413
R411
SW41
R428
R429
R413
1 2 3 4 5
CN40
7
6
5
4
3
2
1
CN43
C400
R400
R402
R401
8765
4 3 2 1
IC41
R408
R407
R404
C404
C403
R409
R414
SW42
C408
C409
52 51 50 49 48 47 46 45 44 43 42 41 40
39
38
37
36
35
34
33
32
31
30
29
28
27
26252423222120191817161514
13
12
11
10
9
8
7
6
5
4
3
2
1
IC40
X400
R406
C402
C401
C422
C419
R439
C420
R437
Q401
D403
C421
R435
Q404R447
R448
C425
D404
R449
R452
R453
R454
Q406
Q405
R446
R451
7
6
5
4
3
2
1
CN42
C414
R431
D400
321
VccGNDROUT
IC44
C415
C416
R433
C418
C417
R434
Q400
D401
R432
JK40
D402
C423
R440
R445
R444
C424
R443
R442
R441
Q403
Q402
_HEAT_DET_1
_HEAT_DET_2
_HEAT_DET_3
_HEAT_DET_4
_HEAT_DET_3
_HEAT_DET_4
_P_LINE_FAIL
+5VL
+3.3VL
+5VL
+5VL+5VL+5VL
FLASHERGNDFLASHERGND
CPUGND
CON2
_POWER_LED1
_STBY_LED
PWR_BTN
_P_DOWN
_STANDBY2
_STANDBY1
_P_DOWN
PWR_BTN
_POWER_LED1
_STANDBY1
_STANDBY2
_STBY_LED
_HEAT_DET_P
FAN2
FAN1
SPK_ON1
SPK_ON2
SPK_ON3
SPK_ON4
FAN1
FAN2
_MUTE
_P_LINE_FAIL
_P_CUR_FAIL
_P_AMP_FAIL
_HEAT_DET_P
_AVSS_DET
_AVSS_OUT
SPK_ON1
SPK_ON2
SPK_ON3
SPK_ON4
+5VL
+5VL
+5VL
_P_CUR_FAIL
+3.3VL
_MUTE
_HEAT_DET_1
_HEAT_DET_2
_P_AMP_FAIL
_AVSS_DET
_AVSS_OUT
CON1
+5VL
+12V
+5VL
+3.3VL+5VL
+3.3VL
+5VL
+5VL
+5VL
+5VL
+5VL
+5VL
+5VL
+5VL
+5VL
+3.3VL
+5VL
+12V
+5VL
+5VL
+5VL
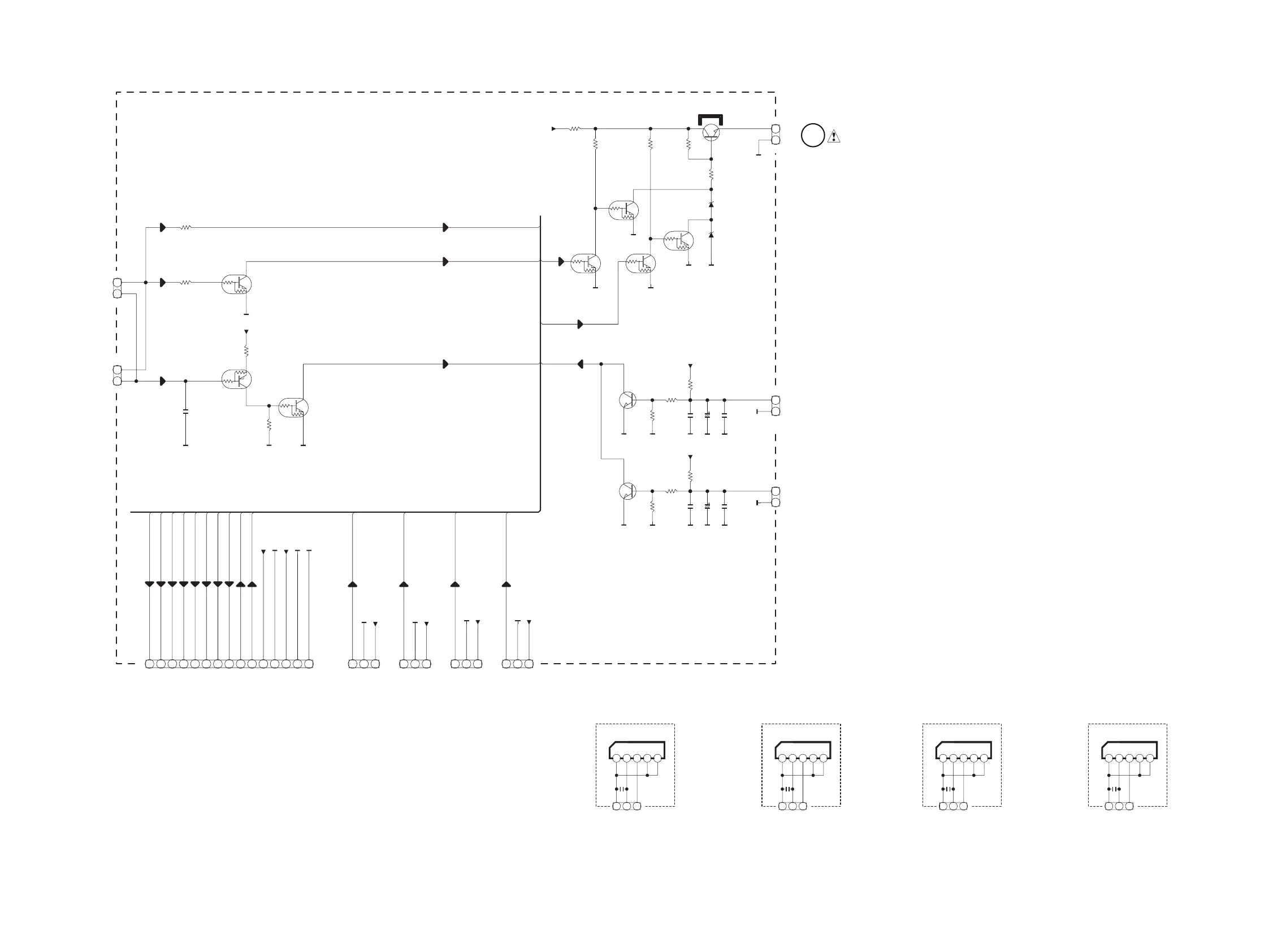
FAN & PROTECTION PWB
SENSOR4 PWB
SENSOR3 PWB
SENSOR2 PWBSENSOR1 PWB

Other manuals for Marantz MM8003

Related product manuals