EasyManua.ls Logo

Marantz MR230 - System Diagrams and Schematics; Block Diagram

Marantz MR230
28 pages
Print Icon
To Next Page IconTo Next Page
To Next Page IconTo Next Page
To Previous Page IconTo Previous Page
To Previous Page IconTo Previous Page
Loading...
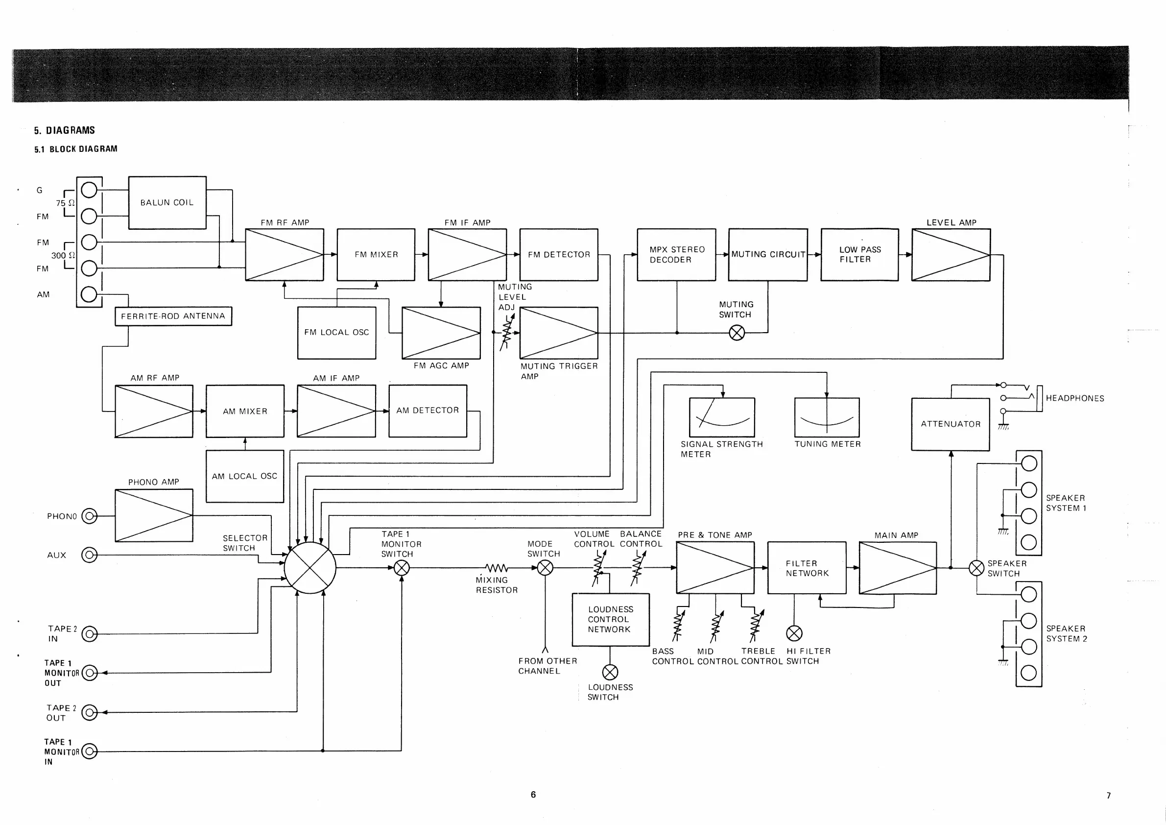
5.
DIAGRAMS
5.1
BLOCK
DIAGRAM
O——"*}
|
HEADPHONES
SPEAKER
SYSTEM
1
O
SPEAKER
SWITCH
SPEAKER
SYSTEM
2
G
|
BALUN
COIL
FM
|
FM
RF
AMP
FM
IF
AMP
LEVEL
AMP
FM
|
ees
P|
|
MPX
STEREO
,
LOW
PASS
|
=
FM
MIXER
FM
DETECTOR
See
oper
MUTING
CIRCUIT
SEES
FM
|
MUTING
Me
LEVEL
ADJ
FERRITE-ROD
ANTENNA
eee
oy,
FM
LOCAL
OSC
|
52)
FM
AGC
AMP
MUTING
TRIGGER
AM
RF
AMP
AM
IF
AMP
AMP
i
AM
MIXER
:
AM
DETECTOR
|
ee
ae
paneer
.
SIGNAL
STRENGTH
TUNING
METER
METER
Se
aiGnis
AM
LOCAL
OSC
PHONO
ee
SELECTOR
aan
VOLUME
BALANCE
=
PRE
&
TONE
AMP
MAIN
AMP
a
noeer
MONITOR
MODE
CONTROL
CONTROL
aux
©
Se,
SWITCH
SWITCH
Pa
|
rae
|
o,
oy,
FILTER
©,
wy
;
vy
NETWORK
YS
MIXING
RESISTOR
LOUDNESS
CONTROL
S
2
Ss
TAPE2
(A
NETWORK
b z
g
62)
IN
OS
BASS
=
MID
TREBLE
HIFILTER
TAPE
1
FROM
OTHER
CONTROL
CONTROL
CONTROL
SWITCH
MoniToR(O}
CHANNEL
|
ues
LOUDNESS
SWITCH
TAPE
2
our
©
TAPE
1
MONITOR
(O}
IN

Other manuals for Marantz MR230

Related product manuals