EasyManua.ls Logo

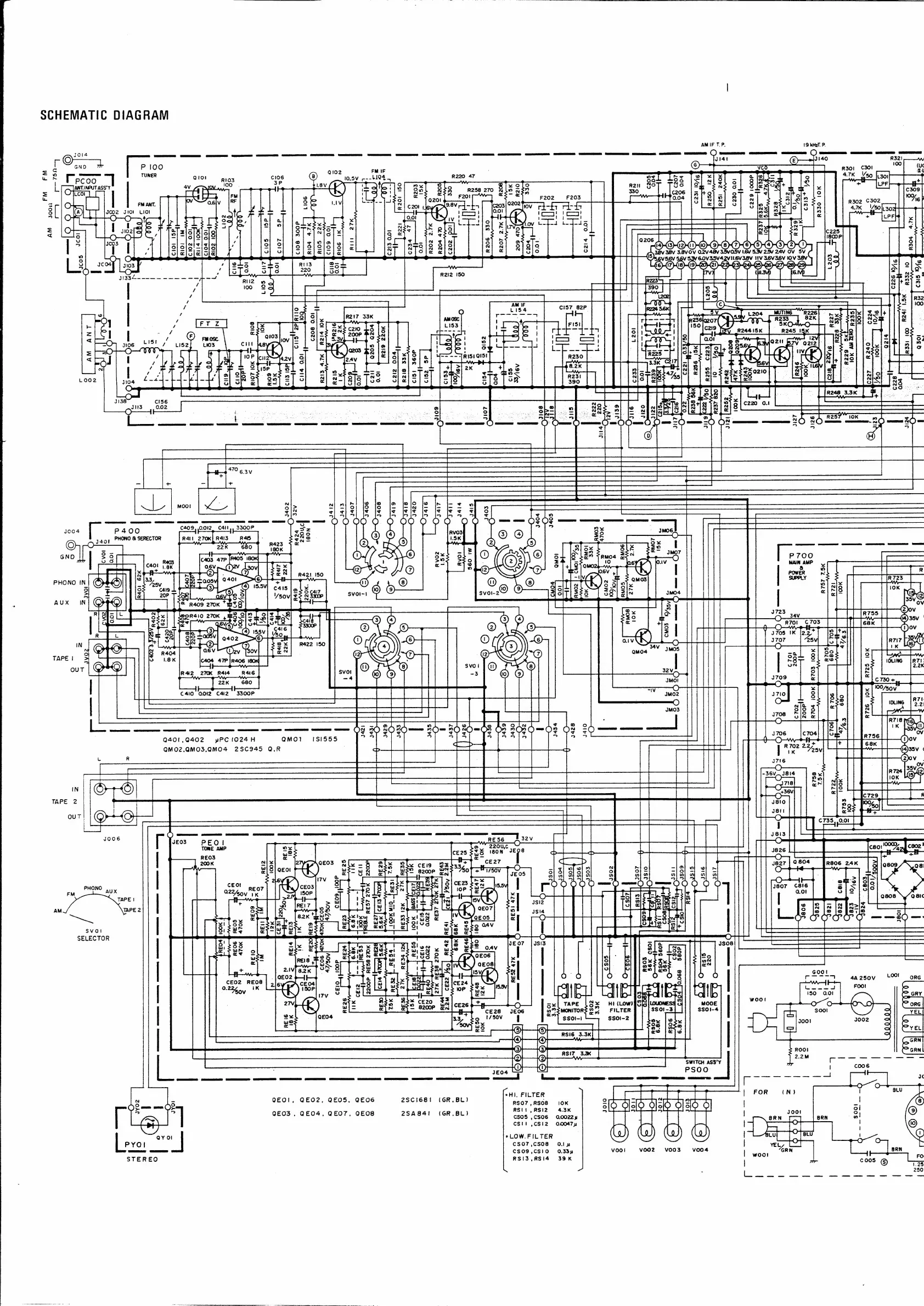
Marantz MR235 - Schematic Diagram

Marantz MR235
28 pages
Print Icon
To Next Page IconTo Next Page
To Next Page IconTo Next Page
To Previous Page IconTo Previous Page
To Previous Page IconTo Previous Page
Loading...
SCHEMATIC
DIAGRAM
R30!
C30
xt
F203
F202
R20!
150
2
Jol
LO
15P
c105
cios
300P
R202
2.7K
R206
330
R207
2.7K
R304
4.7K
210
d|
=
N
ote
alte
©
X
[r3e2
_
100
204
y
S208
Se]
ae
R226
TOl+
+
.
R233
aa
Nog
w
Pee
"R28
'C
R245
|
K
ye
Ey
o
N
wm
t
bd
os
-
bs)
3
[+4
Tt
=
5
oO
a
Tt
s
oO
——
ee Se
oe
ee
eee
eos
()
oe
J004
P400
C409,
0.012
C4il,,
3300P
$e
©
3401
PHONO
&
SERECTOR
R41
270K
R413
&8
:
SS
CE
RD
Met
leant
3
=
GND
28H
ot
P
700
MAIN
AMP
L
L)
0
Si)
POWER
Pe
PHONO
IN
©}
;
~
a
|
Be
ie
ele
See
ais
rata
J705
1K
ea
ne
ea
tS
RTL
eee
C410
O0!2
C42
3300P
iam
SSH
Bee
H
Q401,Q402
yPCIO24H
QMO1
1S!1555
Fee
[hiss
Se?
QM02,QMO3,QM04
2SC945
Q,R
or
=
HY
|
[TH
asin
ee
———————
R704
|IOOK—E
R703
100K
es
Seemann
5
Ose
ee
ee
PHONO
EM
AUX
AM
a
ox
oo
SVOl
ws
SELECTOR
83
JE 07
ae
|
x
~
.
3|
W
40
250V
FOO!
FILTER.
ssoi-2
HI.
FILTER
QEO!,
QE02,
QE0S,
Q£06
2Scie8i
(GR.BL)
:
°
T
QEO3
,
QEO4,
QEO7,
OE08
2SA84!
(GR,BL)
RSI
|
RSI2
“3k
Ake
EORIE
5)
55)
: :
2
csoS
,CSO6
0.00225
|_|
cst
,cSi2
O0047y
ayo!
*LOW.
FILTER
W))
(y)
(y)
(a)
PYO!
CSO7,CSOB
O1n
aa
CSO9,CSIO
0.33
vool
vooz2
voo3
voo4
STEREO
RSI3,RS14
39K
casungiieieaiapgata
lta
taplpi
cle
dead
cena
&
Mee
ae
po
Noah
sae
bce
Sate
bs

Other manuals for Marantz MR235

Related product manuals