EasyManua.ls Logo

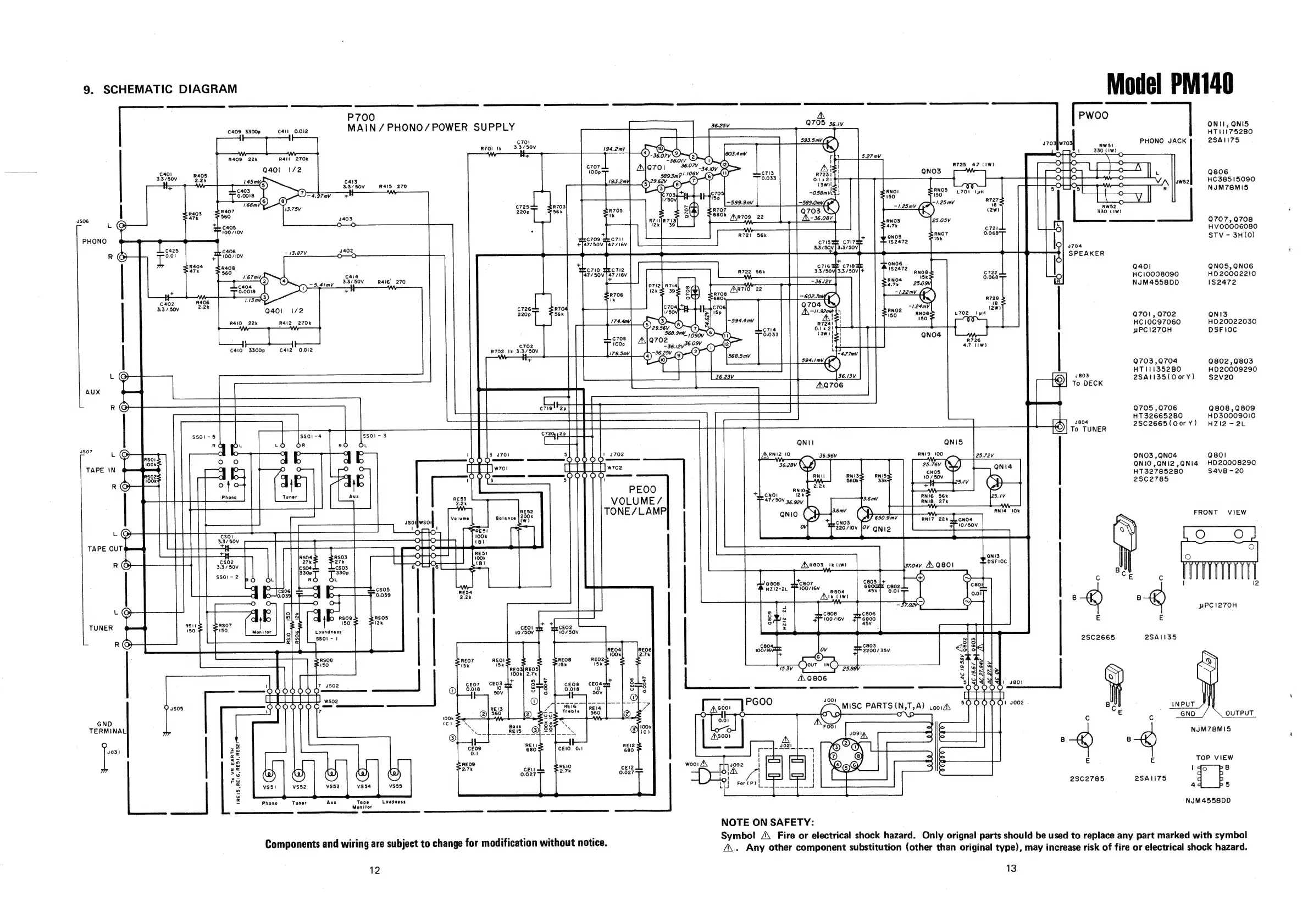
Marantz PM140 - Schematic Diagram; Main;Phono;Power Supply (P700) Schematic; Volume;Tone;Lamp (PE00) Schematic; Power Switch (PGO0) and Headphone Jack (PW00) Schematics

Marantz PM140
10 pages
Print Icon
To Previous Page IconTo Previous Page
To Previous Page IconTo Previous Page
Loading...
9.
SCHEMATIC
DIAGRAM
P700
MAIN
/
PHONO/
POWER
SUPPLY
C409
3300p
C4it
0.012
¢701
R70OI
Ik
3.3750V
R409
22k
R4il
270k
Q4oi
172
c40l
R405
R415
270
+)
orC709
wr
c7il
+147/50V
[477
16V
UEC7IO
BECTIi2
47/50V
AP
cI8N,
ik
R416
270
Q401
1/2
R412
270k
R410
22k
|
aan
C410
3300p
c4i2
0.012
807
Lo
TAPE
IN
RE
VOLUME/
TONE/LAMP)
L
TAPE
OUT
Ro
0.0047
2
wso:
—_—
N
O
us05
GND
TERMINAL
Jo3!
100k
(C)s.
100k
(C)
To
VR
EARTH
(REI5,REI6,
RES!, RES2Y
Loudness
Phono
Tuner
Aux
Tape
Monitor
Components
and
wiring
are
subject
to
change
for
modification
without
notice.
12
Model
PM140
A
PWwoOo
36.25V
Q705
s6.1v
QNII,
ONIS
HTI1752B0
s7034w70
awa
PHONO
JACK
2SAlI75
U
330
(Iw)
5.27
mv
O
ry
O
O
ples
vil
[ol
He
oe
oH]
Hope
|
L
9806
nna
7
aws2
HC38515090
CIOs
J
O
R
NJM78MI5
Pie
|
RWw52
330
(Iw)
Q707,Q708
HVO00006080
STV
-
3H(0)
J704
SPEAKER
Q4ol
QNO5,
QNOG
HC10008090
HD20002210
NJM45580D
1S2472
Q701,
Q702
QNI3
HC
10097060
HD
20022030
uPCI270H
DSFIOC
Q703,Q704
Q802
,Q803
ass
HT111352B0
:
HD20009290
4
2SA1135(Oory
s2v20
i
To
DECK
Q705
,Q706
Q808,Q809
od
i:
HT
32665280
HD30009010
J
Y
-
LO)
a
TUNES
28C2665
(Oor
HZ12
-
2b
QNO3
,QNO4
Q8ol
ONIO,QNI2,QNI4
HD20008290
HT327852B0
S4VB
-
20
2S8C2785
RNI6
56k
RNIG_
27k
FRONT
VIEW
pPCl270H
E
E
2SC
2665
2SA1135
|
c
8
4.
C803
2200/35V
6)
aay
et
O-aea8
A.
Q806
wAC
19.58V
Sy,
858
S
:
|
yor
oT]
O
O
A
(PEE
i
Ca
wise
PARTS
(N,T,A)
Laois
500000!
sooz
¢
Sig,
is
7
E
é
OUTPUT
:
NUM78MI5
8
B
E
E
TOP
VIEW
\
2sc2785
2SAlI75
NJM45580D
NOTE
ON
SAFETY:
Symbol
A\
Fire
or
electrical
shock
hazard.
Only
orignal
parts
should
be
used
to
replace
any
part
marked
with
symbol
Z\.
Any
other
component
substitution
(other
than
original
type),
may
increase
risk
of
fire
or
electrical
shock
hazard.
13

Related product manuals