EasyManua.ls Logo

Marantz PM243 - Page 21

Marantz PM243
22 pages
Print Icon
To Next Page IconTo Next Page
To Next Page IconTo Next Page
To Previous Page IconTo Previous Page
To Previous Page IconTo Previous Page
Loading...
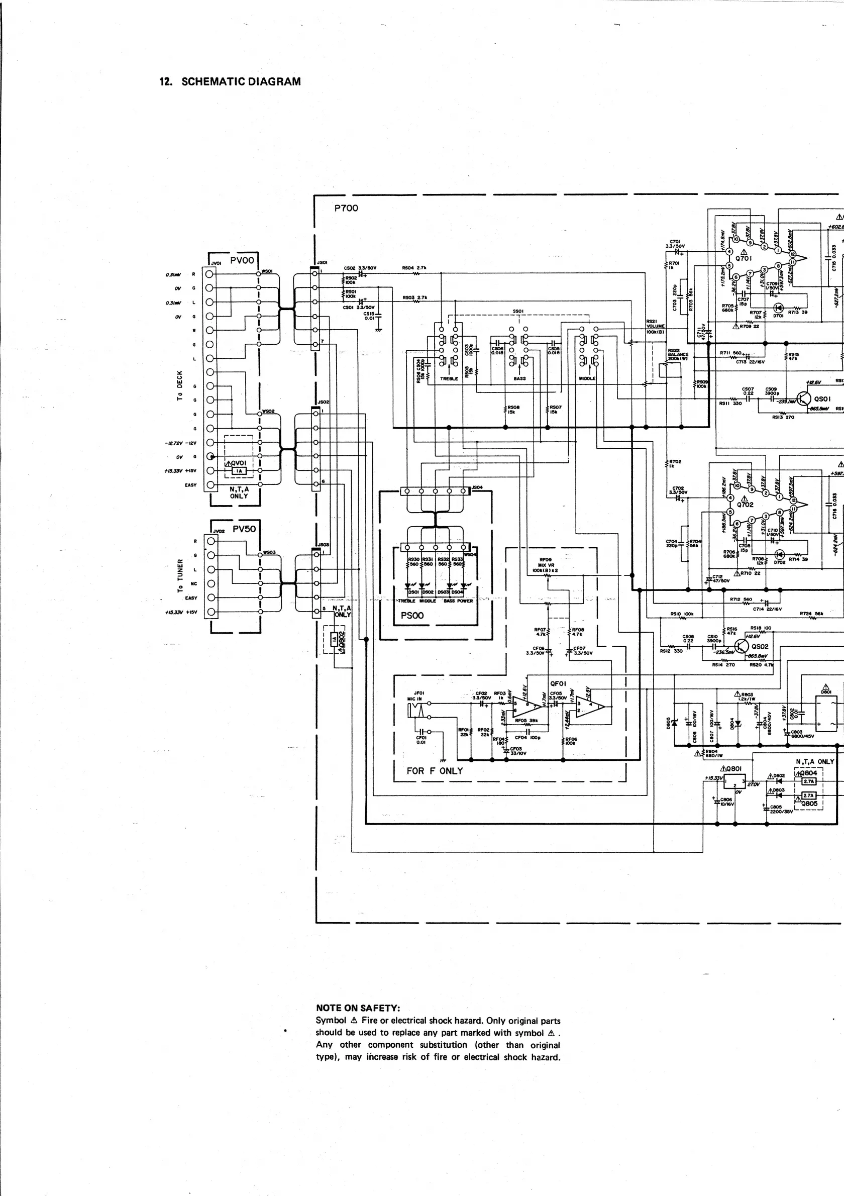
12.
SCHEMATIC
DIAGRAM
P7000
C715
0.033
P
RS21
i
x
Ww
:
RSOS
RS
Q
6G
.
°
eeagee
eae
ae
me
pe
aie
i
RSI1
330
“259.1
i
Qsol
6
6
15k
>
15k
SS
GmY
RSI
RSIZ
270
ae
a
ee
ae
-(2.72V
—\2V
Pe]
#15.33V
+15V
aS
EASY
td
bd
{
o
'@
Fd
i &
Rr
8
oe
ee
rN
R706
'YP
fay
6
O
o
RFOS
aa
R708
RTI4
39
.
MIXVR
(lak
=
t
100K(B)
x2
Awe
es
ra
4.C7I2
*
wc
ans
O
$f
47/50V
.
a
.
+15.33V
+15V
O;
=
C714
22/16
,
con
©
JFOI
_.
.CFO2
RFOSE
MIC
IN
~-
-3.3/50VsOotk
+
|
@
=
+
=
~
he
Caras
RFO2
CFO!
oe
RFOS
0.01
180
+
|
FOR
F
ONLY
|
cso0s
100/16V
C807
100/KV
NOTE
ON
SAFETY:
)
Symbol
A
Fire
or
electrical
shock
hazard.
Only
original
parts
.
should
be
used
to
replace
any
part
marked
with
symbol
A
.
|
Any
other
component
substitution
(other
than
original
type),
may
increase
risk
of
fire
or
electrical
shock
hazard.

Related product manuals