EasyManua.ls Logo

Marantz PM243 - Page 22

Marantz PM243
22 pages
Print Icon
To Previous Page IconTo Previous Page
To Previous Page IconTo Previous Page
Loading...
c804
6800/45V
-
x)
OOOGO0U
OU
z
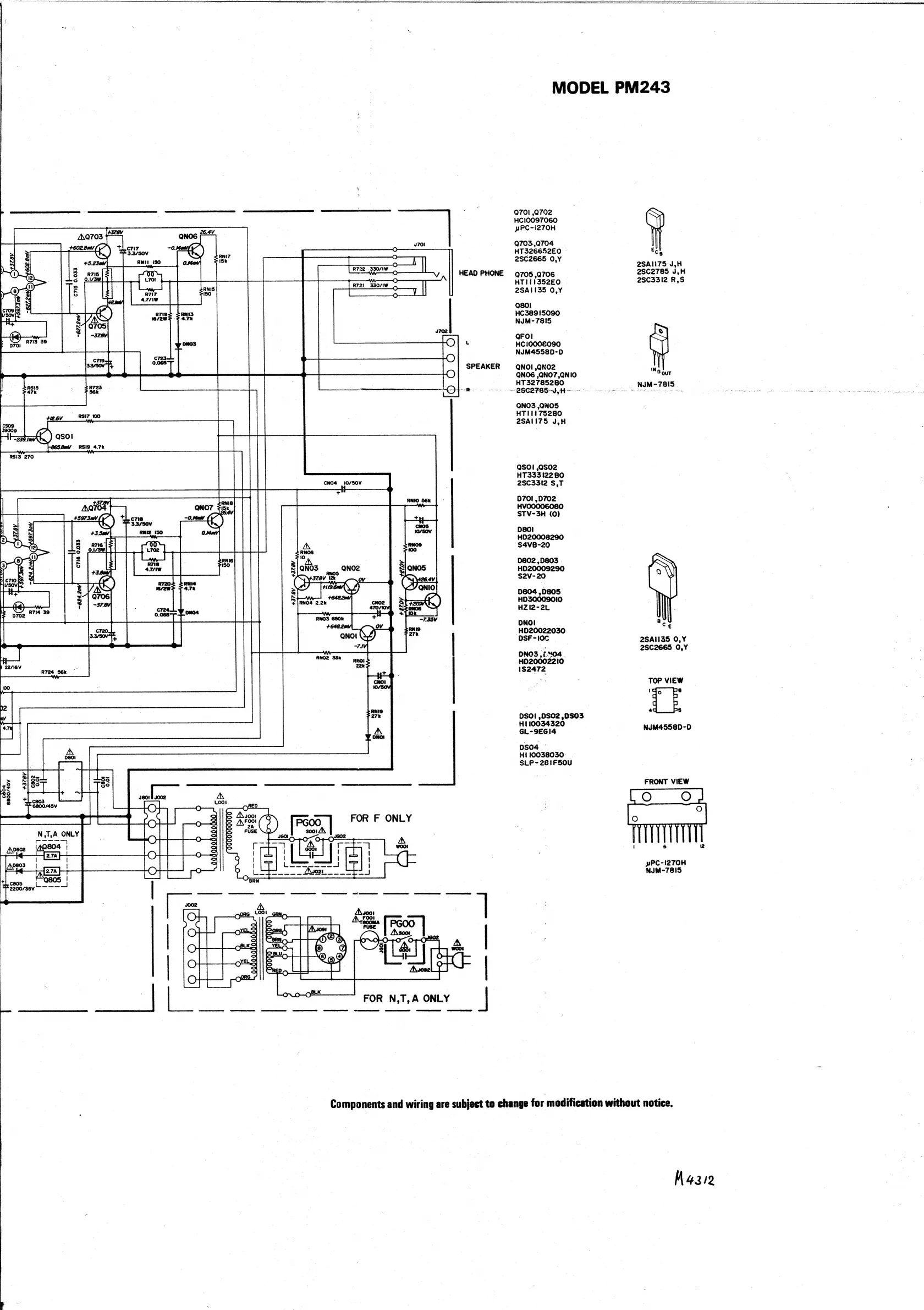
MODEL
PM243
Q70!
,Q702
HCI0097060
pPC-i270H
Q703.,0704
HT326652E0
2SC2665
0,Y
Q705
,Q706
HT111352E0
2SA1135
0,Y
Qso!
HC38915090
NJM-
7815
QFO!
HC
i0008090
NJM4558D-0
QNO!
,QNO2
QNO6
,QNO7,QNI0
HT
32785280
~~
25€2785-d,H—
QNO3
,QNOS
HTI1175280
2SAI175
J,H
QSO!
,aS02
HT333
122
80
2SC3312
S,T
0701
,D702
HVO0006080
STV-3H
(0)
D080!
HD20008290
S4VB-20
D802
,D803
.
HD20009290
S2V-20
D804
,D805
HD30009010
HZ12-2L
ONO!
‘HD20022030
OSF-100
ONO3
04.
HD20002210
1$2472
DSO!
,0SO2
,OSO3
H1
10034320
GL-9EGI4
pso4
Hi
10038030.
SLP
-
281F50U
Eco
2SAII175
J,H
2SC2785
J,H
2SC3312
R,S
NUM-7815
Sey
2SAI135
0,Y
2SC2665
0,Y
TOP
VIEW
if
ad__fs
NJM4558D-D
FRONT
VIEW
yPC-I270H
NJM-7815
Components
and
wiring
are
subject
to
change
for
modification
without
notice.
M
4312

Related product manuals