EasyManua.ls Logo

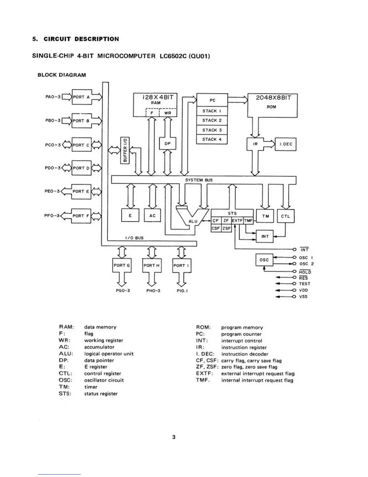
Marantz PM551 - Circuit Description; Block Diagram

Marantz PM551
32 pages
Print Icon
To Next Page IconTo Next Page
To Next Page IconTo Next Page
To Previous Page IconTo Previous Page
To Previous Page IconTo Previous Page
Loading...

Related product manuals