EasyManua.ls Logo

Marantz PM6002 - Page 8

Marantz PM6002
31 pages
Print Icon
To Next Page IconTo Next Page
To Next Page IconTo Next Page
To Previous Page IconTo Previous Page
To Previous Page IconTo Previous Page
Loading...
109
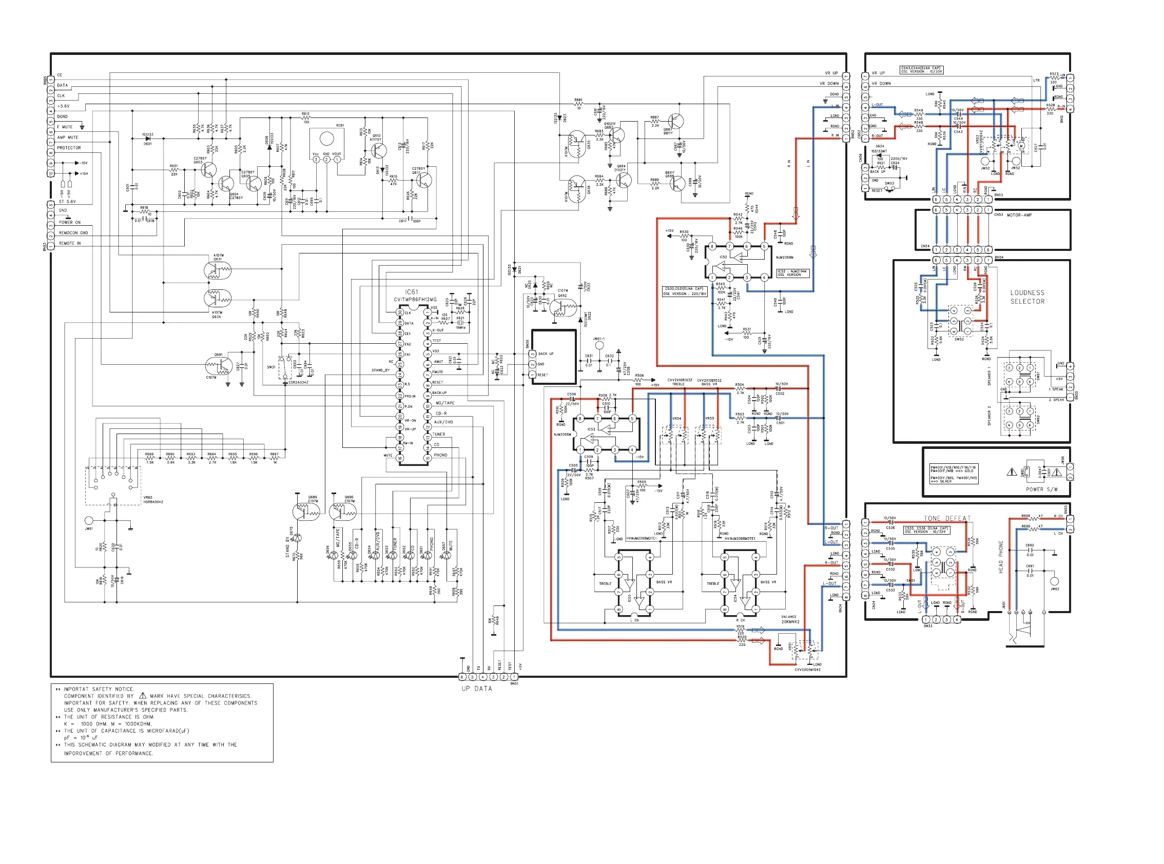
INPUT & AMPLIFIER PWB
(CN33)
INPUT & AMPLIFIER PWB
(CN55)
SUB TRANSF. PWB
(CN96)
INPUT & AMPLIFIER PWB
(CN35)
INPUT & AMPLIFIER PWB
(CN12)
INPUT & AMPLIFIER PWB
(CN95)
INPUT & AMPLIFIER PWB
(CN93)
33p
33p
MASTER VOLUME PWB (CUP11954-2)
CONNECT PWB
(CUP11954-6)
SPEAKER SW &
LOUDNESS PWB
(CUP11954-3)
POWER SW PWB (CUP11954-5)
HEADPHONE & TONE DEFEAT PWB (CUP11954-4)
U-PRO & TONE PWB (CUP11954-1)
MASTER
VOLUME
PWB
(CN56)
U-PRO & TONE PWB
(BN56)

Other manuals for Marantz PM6002

Related product manuals