EasyManua.ls Logo

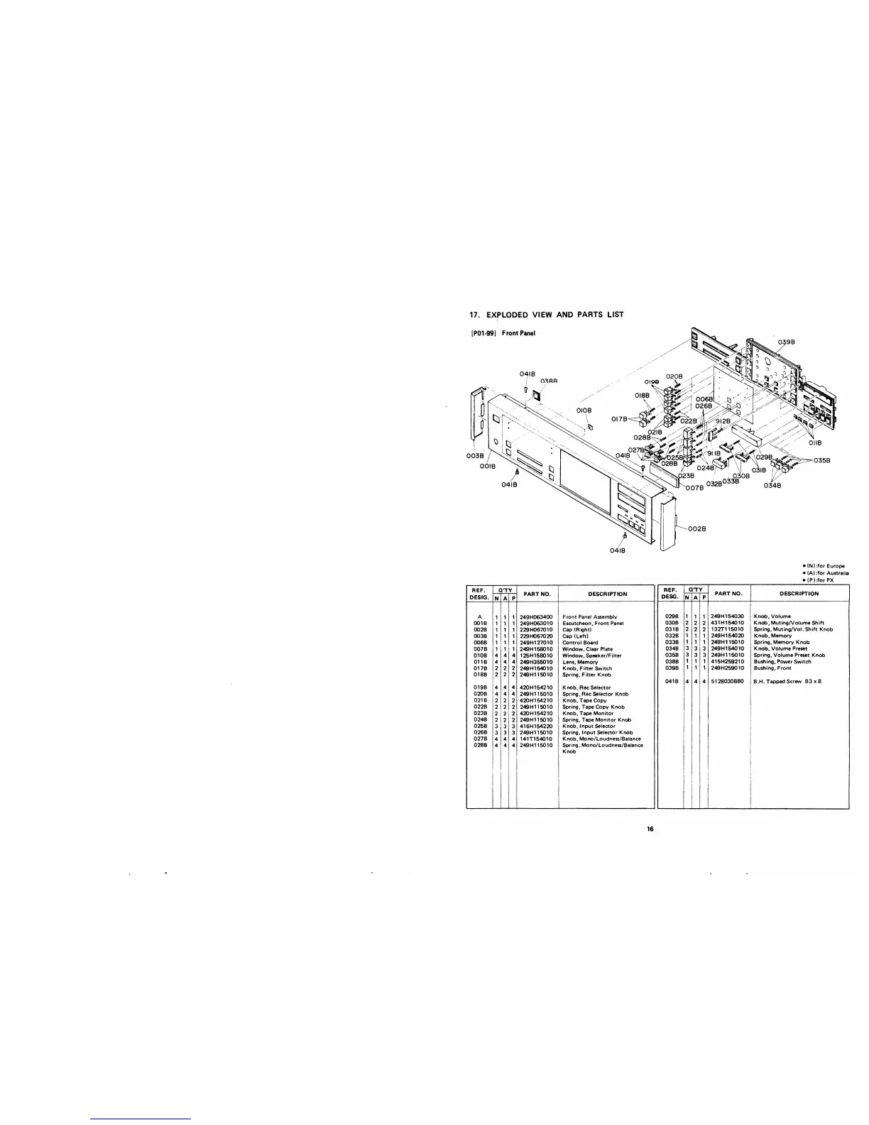
Marantz PM630 - Parts Lists; Exploded Views

Marantz PM630
25 pages
Print Icon
To Next Page IconTo Next Page
To Next Page IconTo Next Page
To Previous Page IconTo Previous Page
To Previous Page IconTo Previous Page
Loading...

Related product manuals