EasyManua.ls Logo

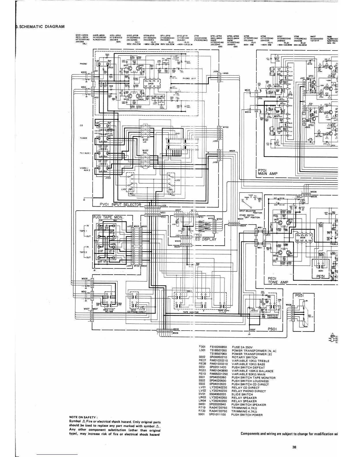
Marantz PM64II - Schematic Diagram:pm-54 II

Marantz PM64II
35 pages
Print Icon
To Next Page IconTo Next Page
To Next Page IconTo Next Page
To Previous Page IconTo Previous Page
To Previous Page IconTo Previous Page
Loading...

Related product manuals