EasyManua.ls Logo

Marantz PM65 - Block Diagram

Marantz PM65
20 pages
Print Icon
To Next Page IconTo Next Page
To Next Page IconTo Next Page
To Previous Page IconTo Previous Page
To Previous Page IconTo Previous Page
Loading...
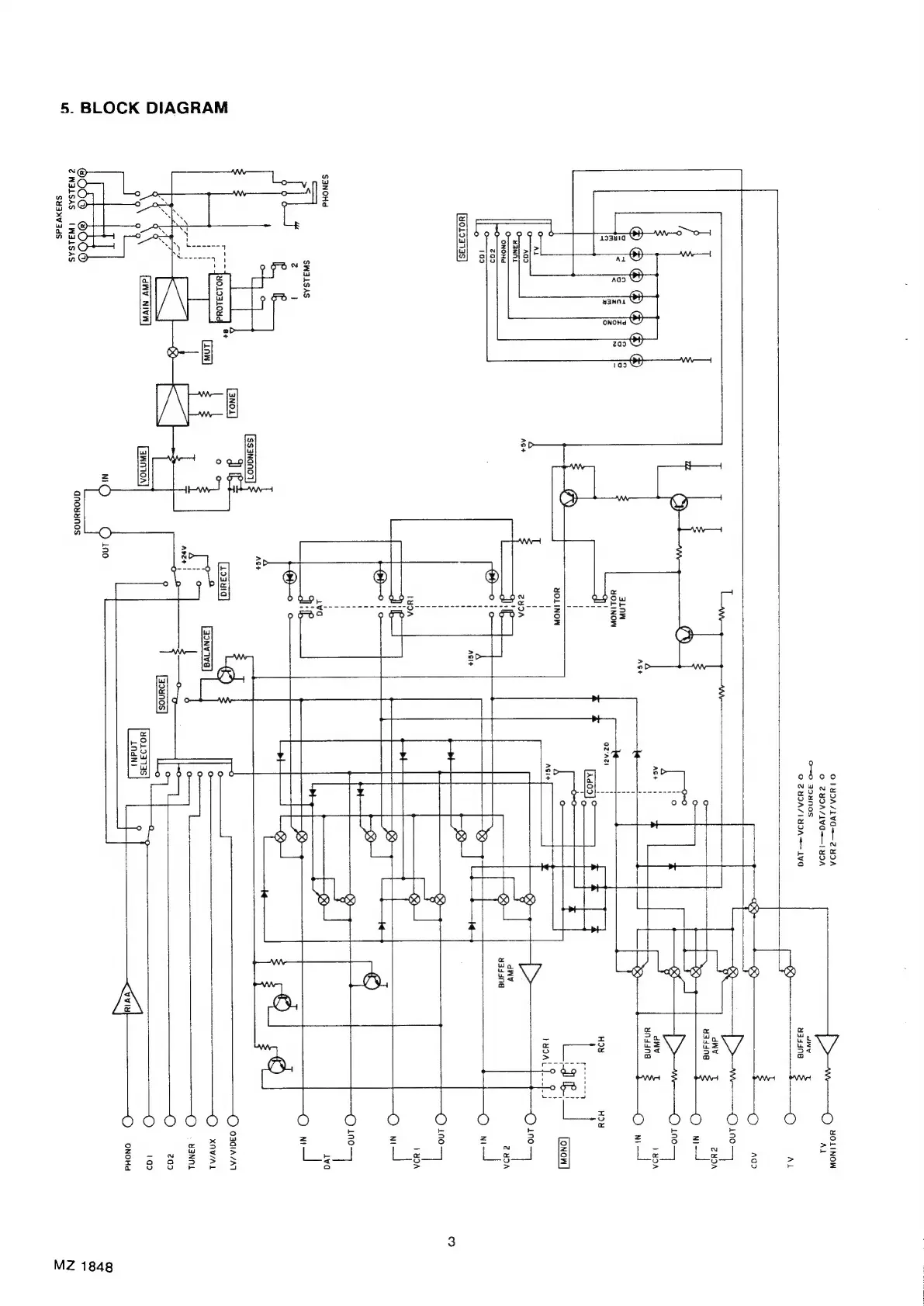
5.
BLOCK
DIAGRAM
O
1YDA/LVO=—ZHDA
O--0
39yNoS
Oo
ZYDA/I
NDAs
LVO
_C)
doLtNoW
AL
O
ZYDA/LVO=—1YDA
|
dwy
4344n@
3
C)
AL
yoL9313S
S3NOHd
le
daa-beatc
|
t
y
'
L
“srrers9,
=
N
SW3ALSAS
YO1I3108d
Z2W3LSAS
IW3LSAS
SY¥aXVadS
a
ce
(ian)
Ee
{anv
“sivn])
[3No.]
AGt
aLnw
YOLINOW
AG+
[Ssanano7}
aNaNO0T
J
[Eamon]
NI
HOY
HOU
‘JC'I
prow]
dWv
¥343N8
>
C)
aa
HYDAL
Y.-J
2
YDA
@
Ke
©)
[Savas]
[394N0S]
4019373S
LndNi
()
03010
/A7
—O)
xnwaAl
()
=
yBNNL
C)
za
©)
1a9
<i
~Q)
ONOHa
MZ
1848

Related product manuals