EasyManua.ls Logo

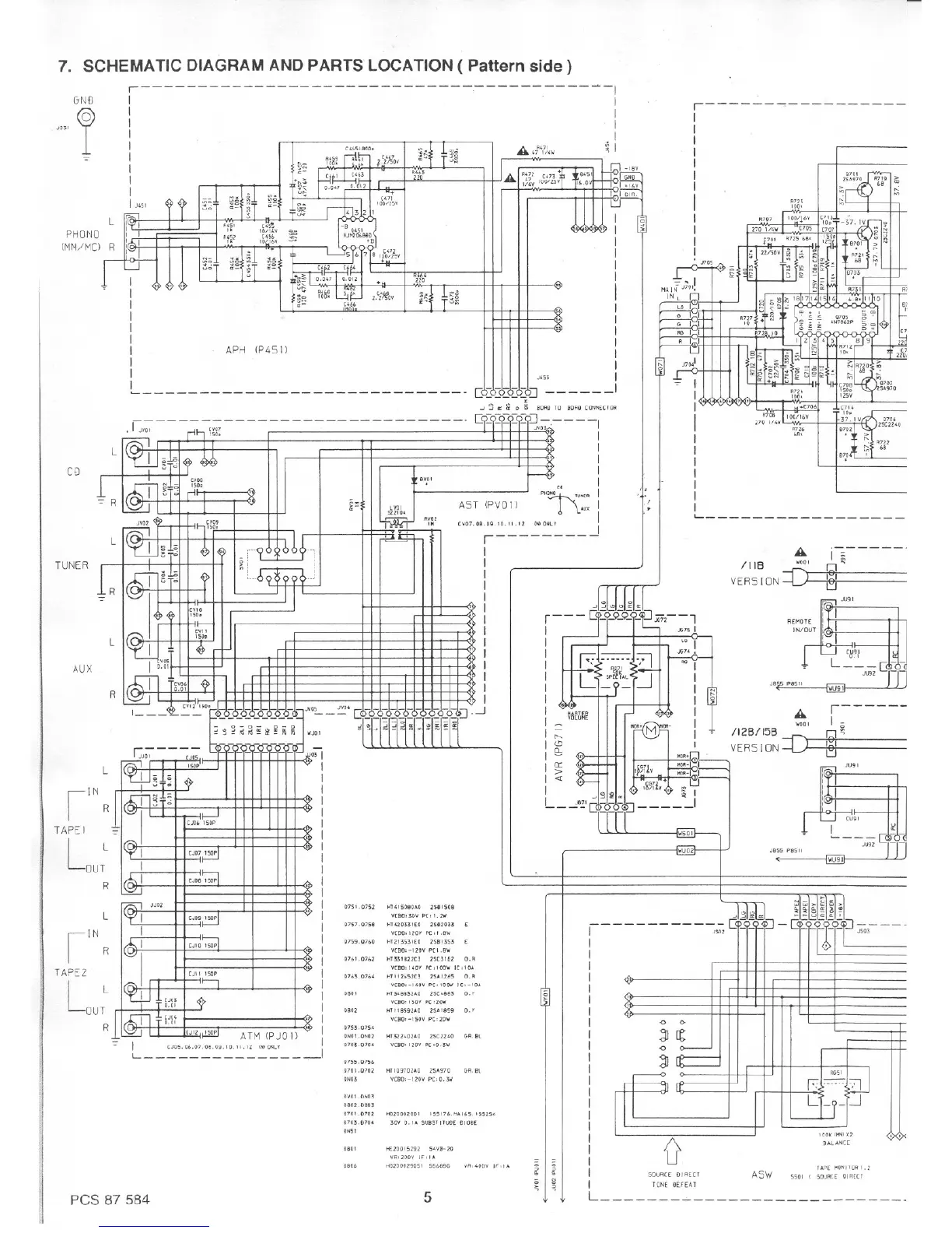
Marantz PM66KI - Schematic Diagram and Parts Location

Marantz PM66KI
12 pages
Print Icon
To Next Page IconTo Next Page
To Next Page IconTo Next Page
To Previous Page IconTo Previous Page
To Previous Page IconTo Previous Page
Loading...

Related product manuals