EasyManua.ls Logo

Marantz PS3001 - Page 29

Marantz PS3001
83 pages
Print Icon
To Next Page IconTo Next Page
To Next Page IconTo Next Page
To Previous Page IconTo Previous Page
To Previous Page IconTo Previous Page
Loading...
35 36
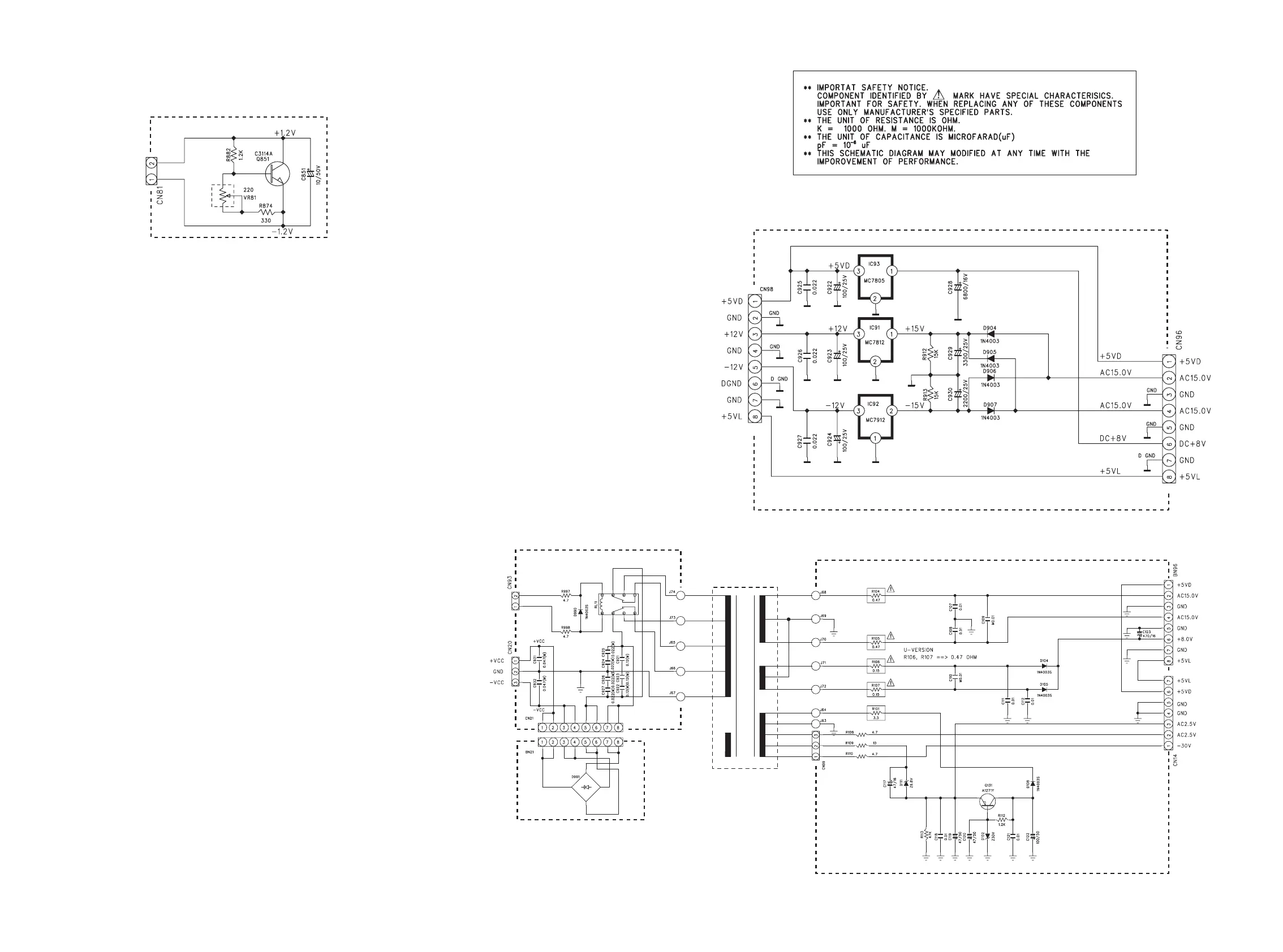
4/-!).07"
4/-!).07"
&2/-0/7%242!.3&07"
&2/--!).07"
&2/--!).07"
0/7%2
42!.3&
4/2%'5,!4/207"
4/&2/.407"
BIAS T.R. PWB
POWER TRANS. 2 PWB
REGULATOR PWB
POWER TRANS. 3 PWB
POWER TRANS. 1 PWB

Related product manuals