EasyManua.ls Logo

Marantz SA7001KI - Page 38

Marantz SA7001KI
68 pages
Print Icon
To Next Page IconTo Next Page
To Next Page IconTo Next Page
To Previous Page IconTo Previous Page
To Previous Page IconTo Previous Page
Loading...
3-8
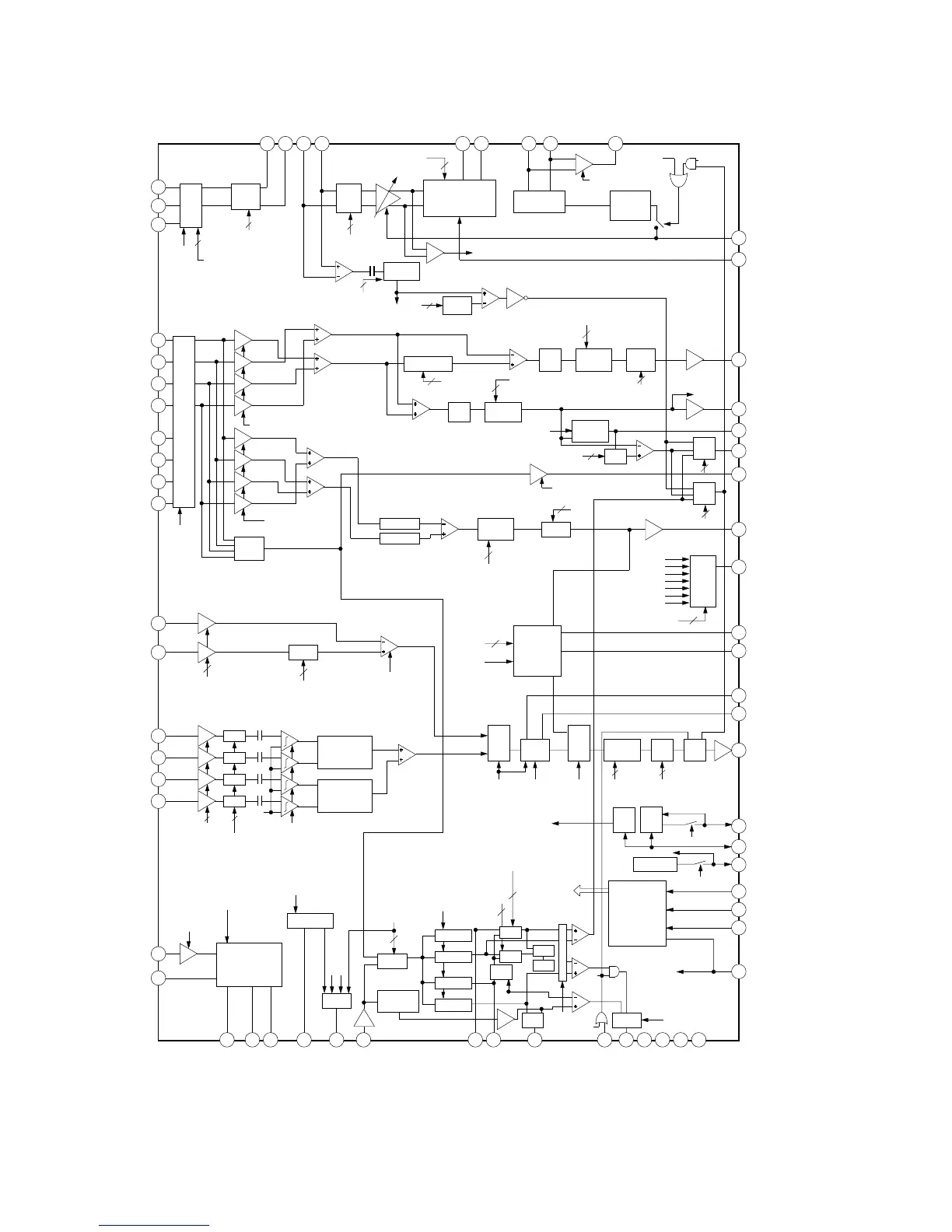
IC501: CDX1881AR
DVDRFP
DVDRFN
RFSIN
ATO P
ATO N
AIN
AIP
FNP
DIN
DIP
RFAC
FNN
MUX
INPUT
BIAS
AT T
63
A
12
CD_A
16
B
11
CD_B
15
C
10
CD_C
14
D
CD_D
13
CD_E
18
CD_F
17
2
9
A2
3
1
SIGR b3
INPUT
SEL
RFCR b7-6
INPUT IMP
SEL
2
RFCR b5-4
INPUT IMP SEL
2
2
4
SIGR b7-4
AT T
62 61 60 59
AGC
FCCR b7-0
FBCR b6-0
PROGRAMMABLE
EQUALIZER
FILTER
DIFFERENTIATOR
AGCO
53 52
SSOUT
TENV
Clamp
& Env
Level
DAC
CAR b3-2
SIGDET
2
CAR b1-0
Env/Clamp
FULL WAVE
RECTIFIER
CGR b1
OUTPUT INHIBIT
55 54 57
56
AGC
CHARGE
PUMP
AGC HOLD
RFCR b3
B+D
A+C
A+D
B+C
MUX
D
C
B
A
GCA
GCA
GCA
GCA
GCA
GCA
GCA
GCA
W/LPF
W/LPF
W/LPF
W/LPF
SUM
Amp.
SIGR b2-0
12dB is added
@ high gain mode
(CDR b5=1)
12dB is added
@ high gain mode
(CDR b5=1)
6dB is added
@ high gain mode
(CDR b5=1)
3
3
4
RFCR b2-0
RFCR b2-0
TRCR2 b6-4
DPD EQ
TRCR2 b3-0
3B
PDCR b3
CD/DVD
GCA +/-4dB
Offset
cancel
LPF GCA
70kHz +/-6dB, 4bit
0-+8dB, 4bit
CTCR b3-0
CO Gain
+/-4dB
4
4
4
FOCR b7-4
FS Gain
CCR b4-0
FE offset
5
Offset
cancel
LPF
70kHz
PIOR b4-0
PI offset
FOCR b3-0
FO Gain
CER b4-0
CE offset
CFR b7-5
TR Gain
CBR b3-2
5
TOPHLD
CTCR b7
BCA DET
COMP
CBR b1-0
Pll
SEL
SEL
BYP
49
RX
40
FE
38
PI
35
TPH
34
DFT
RFDC
DAC
2
Buff
61
CE
41
MNTR
TOPHLD
TOPHLD
Offset
cancel
GCA
GCA
4D
SUM
MON
SEL
PI
FE
TE
CE
V25
V125
V25/3
42
LCP
44
LCN
43
TE
CP
LPF
AT T
Pol sel.
buff ( 12dB)
3
3
CFR b2-0
CE-ATT
CFR b3
CEPOL
+3dB
RESUM
GCA
GCA
GCA
7
CN
8
Offset
cancel
LPF GCA
SUBMUX
TE
RST
39
V125
36
V25
37
VC
20
SDEN
48
S DATA
47
SCLK
46
V33
45
TRCR b5-0
TR offset
6
CEFDB
CDR b3
PDCR b3
CD/DVD
TRCR2 b7
CP/CN
Low lmp
EQ
B2
4
C2
5
D2
CDPD
6
GCA
TRCR b6
DPD COMP HYS ON
GCA
GCA
PHASE
DETECTOR
PHASE
DETECTOR
EQ
EQ
EQ
3
3
VC
Comp.
V25/2
for TE, FE & CE output ref.
VC
VCI for servo input
SERIAL PORT
REGISTER
V33 for output buff
MIRR
27
LINK
VPA
58
VPB
19
VNA
51
VNB
2533
MB
29
MP
28
MLPF
30
MIN
31
MEVO
32
MEV
CDR b7
LINKEN
CCR b7
DISK DET
CONTROL
Signals
To each block
MUX
Btm Env
Btm clamp
& clip
MUXMUX
Vref
CGR b5-4
Gain
MUX
Offset
MUX
MUX
BTM ENV
BTM HLD
TOP ENV
TOP HLD
MRCR b7-0
droop rate
control
Pll
AGCO
BENV
50
DVDLD
21
CDLD
22
LDON
26
Dual APC
24
DVDPD
23
CCR b5
APC SEL
DVD/CD
CDR b4
LD H/L
AT T
HOLDEN
CDR b6
2
4
CAR b7-4
TE MASK SEL
2
PIOR b7-5
3
GCA
AT T
CGR b0
OUTPUT INHIBIT
SIGR b2-0
12dB is added
@ high gain mode
(CDR b5=1)
CDR b5
High Gain
2
CTCR b5-4
MEVO SEL
CHR b7-6
Mirr Defect
Comp ATT
MRCR b6-4
Mirr Comp
ATT Level
2
3
V25/3
CDR b2
for PI output ref.
AGC BTM ENV

Related product manuals