EasyManua.ls Logo

Marantz SR4300 - ICS13:CS49326 Pin Assignment & Block Diagram

Marantz SR4300
61 pages
Print Icon
To Next Page IconTo Next Page
To Next Page IconTo Next Page
To Previous Page IconTo Previous Page
To Previous Page IconTo Previous Page
Loading...
48
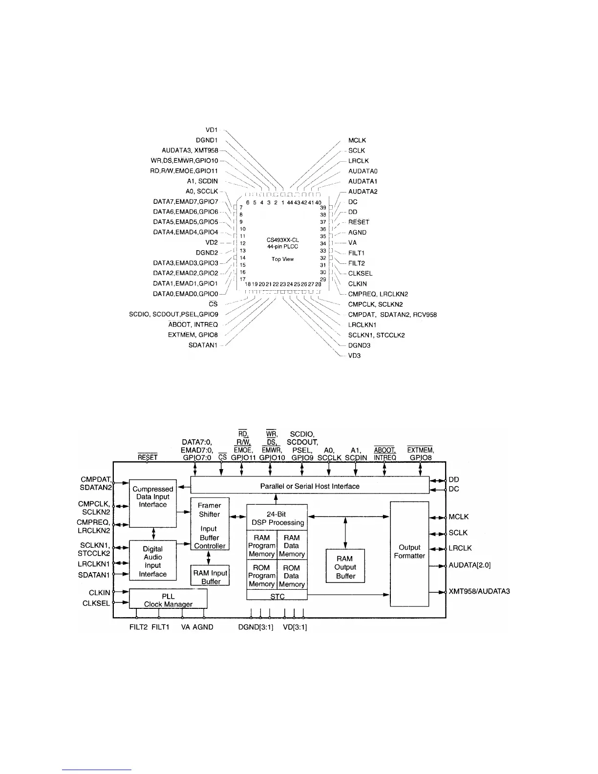
ICS13:CS49326
Pin Assignment
Block Diagram

Other manuals for Marantz SR4300

Related product manuals